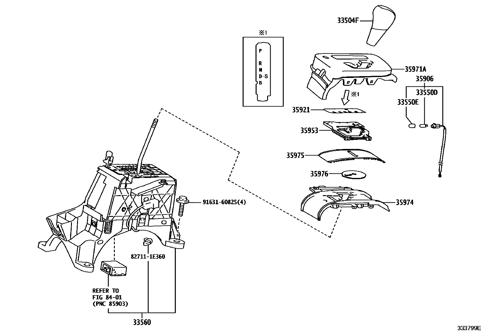
SHIFT LEVER & RETAINER

33504FKNOB SUB-ASSY, SHIFT LEVER
BLACK,TRIM1#,4#,7#,8#
DK.GRAY,TRIM1#,4#,5#
DK.GRAY,TRIM1#,4#,5#
BLACK,TRIM1#,8#
DK.GRAY,TRIM1#,4#,5#,7#
BLACK,TRIM1#,4#,5#,7#; BLACK,TRIM1#,4#,5#,7#,8#
BLACK,TRIM1#,7#,8#; BLACK,TRIM7#
33550DBULB, POSITION INDICATOR LAMP
33550ECAP, POSITION INDICATOR LAMP
33560UNIT ASSY, SHIFT LOCK CONTROL
35906WIRE SUB-ASSY, INDICATOR LAMP
35921PLATE, CONTROL POSITION INDICATOR
35953GUIDE, POSITION INDICATOR LIGHT
35971AHOUSING, POSITION INDICATOR, UPPER
35974HOUSING, POSITION INDICATOR, LOWER
35975COVER, SLIDE (FOR POSITION INDICATOR)
35976COVER, SLIDE, NO.2 (FOR POSITION INDICATOR)
8401SWITCH & RELAY & COMPUTER
827111E360WIRE, FUSE TO FUSE(FOR COMBUSTION HEATER)
main82711-1E360
9163160825
main91631-60825
14 parts on this diagram · 4 diagrams in section