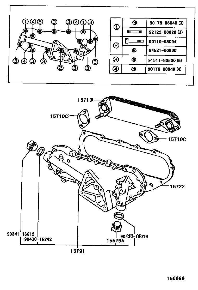
ENGINE OIL COOLER

15529APLUG
15710COOLER ASSY, OIL
15710CGASKET(FOR OIL COOLER)
15722GASKET, OIL COOLER
15791CASE, OIL COOLER
9011008004
main90110-08004
9017908040
main90179-08040
9034116012
main90341-16012
9043016242
main90430-16242
9043018019
main90430-18019
9151180830
main91511-80830
9212280828
main92122-80828
9453100800
main94531-00800
13 parts on this diagram · 1 diagram in section