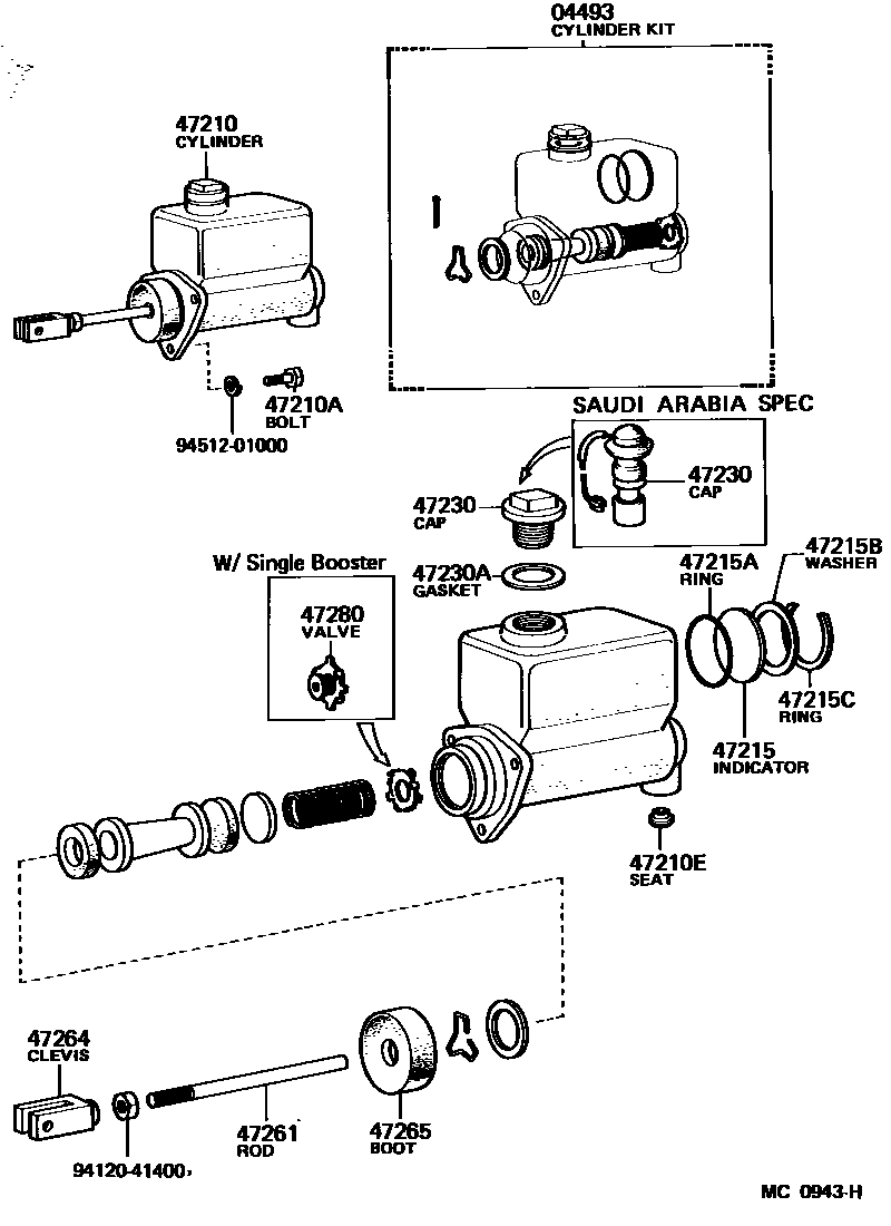
BRAKE MASTER CYLINDER

04493CYLINDER KIT, BRAKE MASTER
W/SINGLE BOOSTER
W/SPLIT BOOSTER
SAUDI ARABIA SPEC
47210CYLINDER ASSY, MASTER, W/O BOOSTER
W/SINGLE BOOSTER
W/SPLIT BOOSTER
W/SPLIT BOOSTER
W/SINGLE BOOSTER
W/AIR SERVO BRAKE
OMAN SPEC
sub47200-57030
47210ESEAT, UNION(FOR BRAKE MASTER CYLINDER)
47215INDICATOR, BRAKE FLUID
47215ARING, O(FOR BRAKE FLUID INDICATOR)
47215BWASHER, PLATE(FOR BRAKE FLUID INDICATOR)
47215CRING, HOLE SNAP(FOR BRAKE FLUID INDICATOR)
47230CAP ASSY, BRAKE MASTER CYLINDER RESERVOIR FILLER
OMAN SPEC
47230AGASKET(FOR RESERVOIR CAP)
47261ROD, MASTER CYLINDER PUSH
47264CLEVIS, MASTER CYLINDER PUSH ROD
47280VALVE ASSY, BRAKE MASTER CYLINDER OUTLET CHECK
9412041400
main94120-41400
9451201000
main94512-01000
16 parts on this diagram · 3 diagrams in section