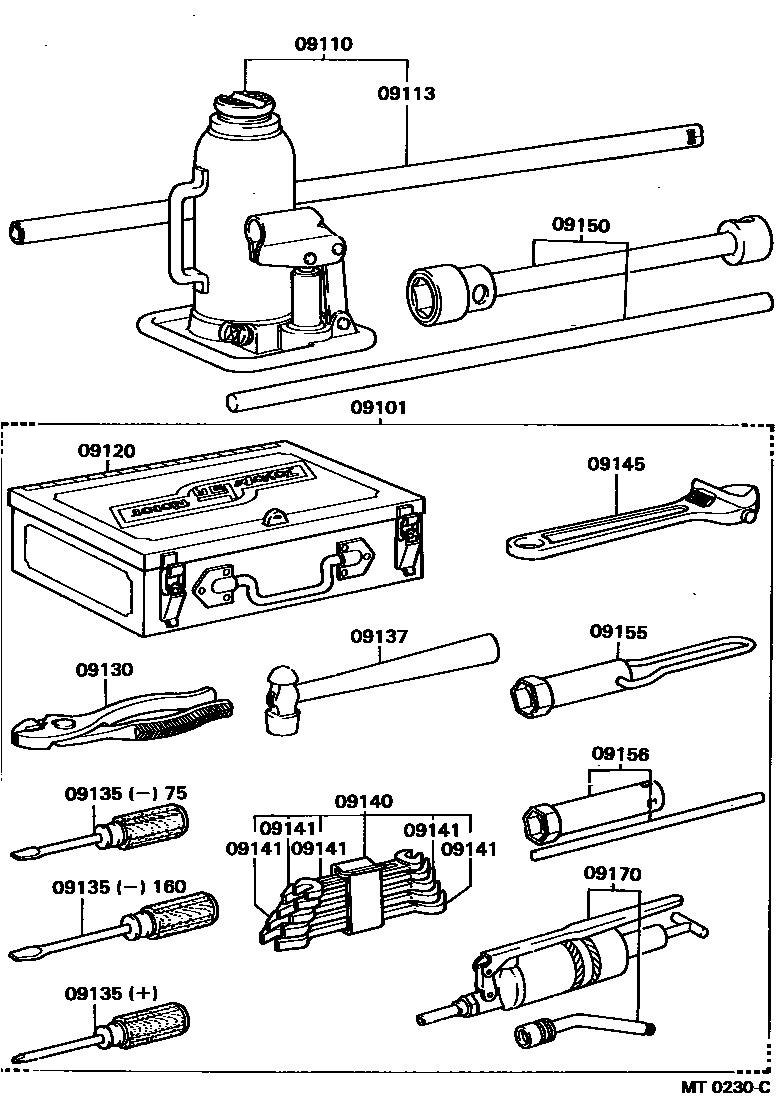
STANDARD TOOL

09101TOOL SET, STANDARD W/O JACK
09110JACK ASSY
7 TON
10 TON
AUSTRALIA SPEC
09113HANDLE, JACK
09120BAG, TOOL
09130PLIERS
09135DRIVER, SCREW
(-) 75
(-) 150
(+)
09137HAMMER
09140SPANNER SET
09141SPANNER
8X9
10X12
12X14
14X17
14X17
21X23
10X12
14X17
10 X 12,10X12
14 X 17,14X17
09145WRENCH, MONKEY
09150WRENCH, HUB NUT BOX
09155WRENCH, SPARK PLUG
09156WRENCH, GROW PLUG
09170PUMP ASSY, GREASE
150CC
14 parts on this diagram · 2 diagrams in section