E
EPC Data

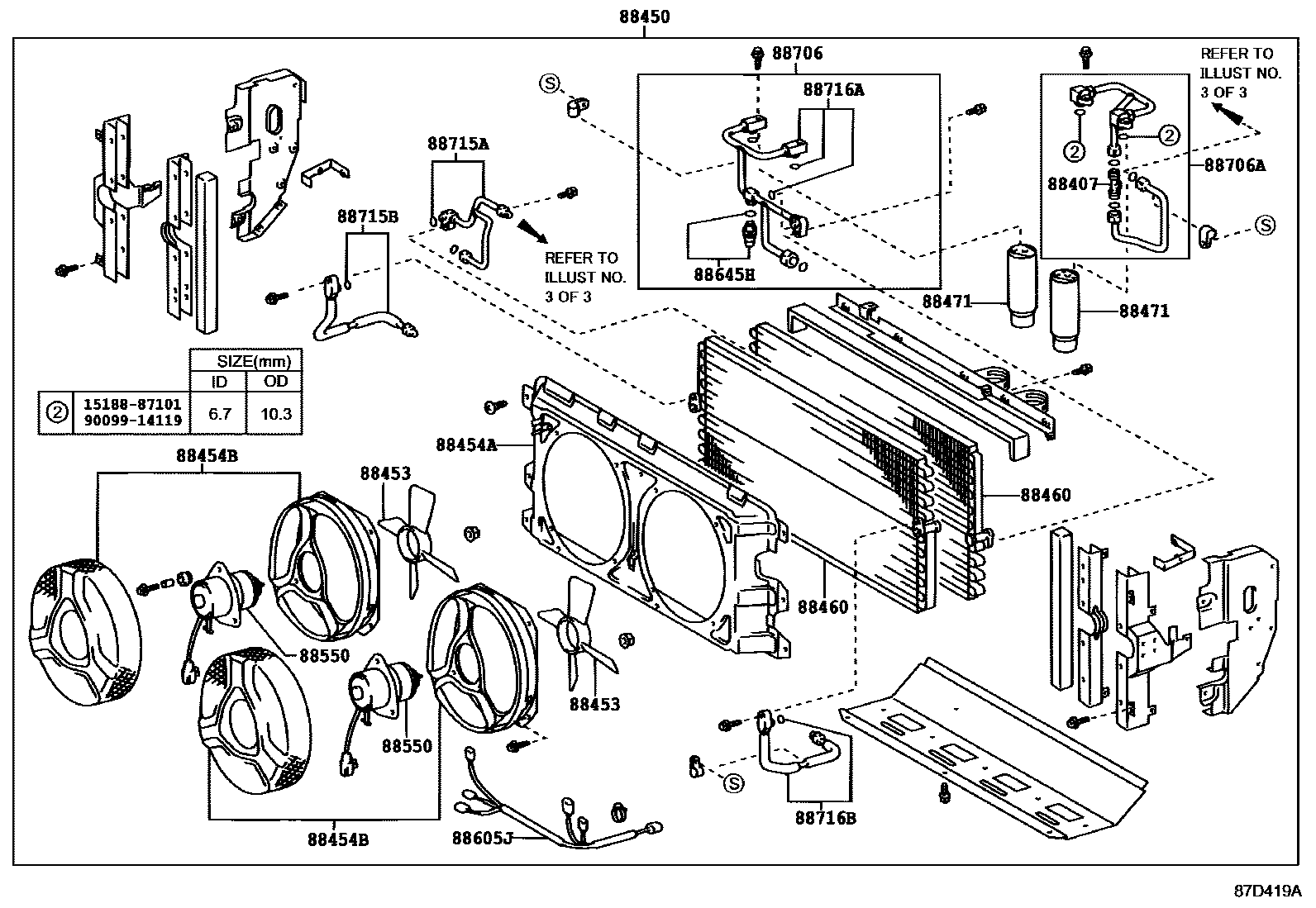
HEATING & AIR CONDITIONING - COOLER PIPING

Parts diagram
88407GLASS SUB-ASSY, SIGHT
main88407-36030i201507-201801
88450CONDENSER ASSY, W/RECEIVER
main88450-0S010i201301-201507
main88450-0S020i201507-201801
main88450-0S021i202302-202412
main88450-0S040i202412
88453FAN, COOLING (FOR CONDENSER)
main16361-13030×2i201801
88454ASHROUD, FAN
main88454-36110i201301-201507
88454BSHROUD, FAN
main88454-36120×2i201301-201507
88460CONDENSER ASSY, COOLER
main88340-36100×2i201301-201507
main88461-0S010i202412
88471TANK, RECEIVER AIR CONDITIONER
main88471-36060×2i201507-201801
88550MOTOR ASSY, BLOWER (FOR CONDENSER)
main88550-36210×2i201301-201507
88605JHARNESS SUB-ASSY, AIR CONDITIONER WIRING
main88605-0S440i201801-202412
88645HSWITCH, PRESSURE NO.1
main88645-36060i201801-202412
88706PIPE SUB-ASSY, LIQUID
main88706-0S010i202302
main88706-36100i201301-201507
88706ATUBE SUB-ASSY, LIQUID, A
main88706-0S020i202302
main88706-36140i201301-201507
88715APIPE, COOLER REFRIGERANT DISCHARGE, A
main88715-0S120i202302-202412
main88715-36500i201301-201507
88715BPIPE, COOLER REFRIGERANT DISCHARGE, B
main88715-0S130i202302-202412
main88715-36510i201301-201507
88716APIPE, COOLER REFRIGERANT LIQUID, A
main88716-0S060i202302
main88716-36370i201801-202302
88716BPIPE, COOLER REFRIGERANT LIQUID, B
main88716-36380i201301-201507
1518887101GASKET, OIL PUMP
9009914119

18 parts on this diagram · 9 diagrams in section

HEATING & AIR CONDITIONING - COOLER PIPING — Toyota Parts Diagram with OEM Numbers & Prices | EPC Data