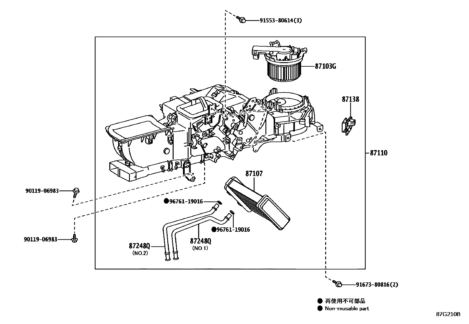
HEATING & AIR CONDITIONING - HEATER UNIT & BLOWER

87103GCASE SUB-ASSY, FRONT HEATER BLOWER
FRONT HEATER-MANUAL 120W
sub87103-36H30
FRONT HEATER-MANUAL 120W
87107UNIT SUB-ASSY, HEATER RADIATOR
FRONT HEATER-MANUAL 120W
87138RESISTOR, HEATER BLOWER
87248QPIPE, FRONT HEATER RADIATOR WATER
NO.1
NO.2
NO.1
NO.2
9011906983
main90119-06983
9155380614
main91553-80614
9167380816
main91673-80816
9676119016
main96761-19016
9 parts on this diagram · 7 diagrams in section