E
EPC Data

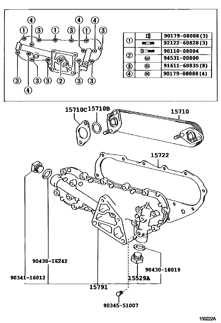
ENGINE OIL COOLER

Parts diagram
15529APLUG
main90341-18006i199907-200105
15710COOLER ASSY, OIL
main15710-17010i199301-199907
main15710-17011i201501
main15710-56110i199301-199505
main15710-58030i199907-200211
main15710-58080i199907-200408
main15710-75010i199309-199705
main15710-75011i199907-200408
main15710-75030i200708-201501
main15710-78060i200908-201212
main15710-89104i200608-200803
mainS157122250i201501
mainS157122260i201212-201311
15710BRING, O(FOR OIL COOLER)
main90033-01101×4i200904-200908
main90301-19005×4i200608-200904
main90301-20001×2i199301-199505
main90301-67004i201501
mainSZ30119018×4i201410-201501
W(PNC 15710C)
15710CGASKET(FOR OIL COOLER)
main15725-E0020i201410-201501
main15785-58010×2i199907-200105
main90923-05018×2i199301-199505
15722GASKET, OIL COOLER
main15725-56020i199907-200211
15791CASE, OIL COOLER
main15701-56031i199301-199412
main15701-58050i199412-199907
9011008004
9017908088
9034116012
9034551007
9043016242
9043018019
9161160835
9212260828
9453100800

15 parts on this diagram · 10 diagrams in section

ENGINE OIL COOLER — Toyota Parts Diagram with OEM Numbers & Prices | EPC Data