WIRING & CLAMP

82001CABLE, BOND, NO.1
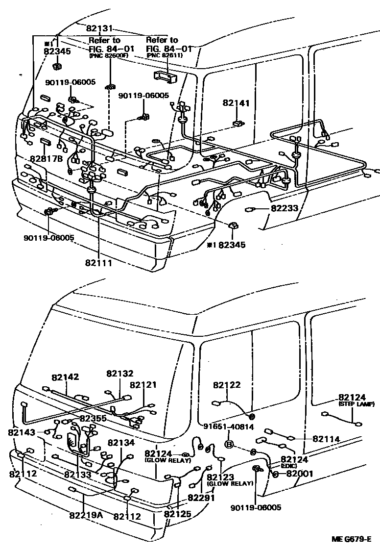
82111WIRE, ENGINE ROOM MAIN
W/*AUD & *RW;W/ANTI OVER RUN DEVICE & *AUD;W/*AUD OR *OM
W/ANTI OVER RUN DEVICE OR *RW
W/*AUD OR *OM
HONG KONG SPEC
HONG KONG SPEC,PAKAGE 1
W/*AUD
W/*AUD
W/*AUD OR *OM
W/*AUD & *RW; W/*AUD OR *OM
W/*RW;W/ANTI OVER RUN DEVICE
W/*AUD OR *OM
W/*AUD OR *OM
W/*AUD OR *OM
W/*AUD & *RW;W/ANTI OVER RUN DEVICE & *AUD;W/*AUD OR *OM
W/ANTI OVER RUN DEVICE OR *RW
W/*AUD OR *OM
W/*AUD OR *OM
W/*AUD
W/*AUD
W/*AUD
W/*AUD
W/AUTO COOLER
W/AUTO COOLER
W/AUTO COOLER
W/*AUD
W/*AUD
W/AUTO COOLER
W/*AUD
W/*AUD
W/*AUD
W/FOLDING *AUD OR *OM
W/*AUD
W/FOLDING *AUD
W/*AUD OR *OM
W/FOLDING *AUD OR *OM
W/*AUD OR *OM
W/*AUD OR *OM
W/*AUD
W/*AUD
W/*AUD; W/GLIDE DOOR
W/*AUD; W/*AUD OR *OM
W/*AUD
W/*AUD OR *OM
W/*AUD OR *OM
W/*AUD OR *OM
W/*AUD OR *OM
W/*AUD
HONG KONG SPEC,PAKAGE 2
W/*AUD
W/*AUD & *RW;W/ANTI OVER RUN DEVICE & *AUD;W/*AUD OR *OM
W/ANTI OVER RUN DEVICE OR *RW
W/*AUD OR *OM
W/*AUD OR *OM
W/AUTO COOLER
W/*AUD & *RW
W/*AUD OR *OM
W/*AUD & *RW;W/ANTI OVER RUN DEVICE & *AUD;W/*AUD OR *OM
W/ANTI OVER RUN DEVICE OR *RW
W/*AUD OR *OM
W/*AUD OR *OM
W/AUTO COOLER
W/*AUD
W/*AUD
W/AUTO COOLER
W/AUTO COOLER
W/*AUD
W/*AUD
W/*AUD
W/*AUD
W/*AUD OR *OM
W/*AUD & *RW;W/ANTI OVER RUN DEVICE & *AUD;W/*AUD OR *OM
W/ANTI OVER RUN DEVICE OR *RW
W/*AUD OR *OM
W/*AUD OR *OM
W/AUTO COOLER
82112WIRE, ENGINE ROOM, NO.2
W/*REC HEADLAMP
82114WIRE, ENGINE ROOM, NO.4
HONG KONG SPEC
82121WIRE, ENGINE
HONG KONG SPEC PACKAGE 2
E/G STOP SOL
82122WIRE, ENGINE, NO.2
BODY GROUND
82123WIRE, ENGINE, NO.3
FR TURN SIGNAL LAMP
GLOW RELAY
82124WIRE, ENGINE, NO.4
EDIC
STEP LAMP
GLOW RELAY
GLOW RELAY
82125WIRE, TRANSMISSION
82131WIRE, COWL
W/RR WIPER
W/*AUD OR *OM
W/*AUD OR *OM
W/*AUD
W/*AUD
W/*AUD OR *OM
W/RR WIPER ONLY
W/*AUD OR *OM
W/SPEED WARNING(W/O *AUD);W/SEAT BELT WARNING(W/O *AUD)
W/SPEED WARNING(W/O *AUD);W/SEAT BELT WARNING(W/O *AUD)
W/*AUD & SEAT BELT WARNING;W/*AUD & SPEED WARNING
W/*AUD & SEAT BELT WARNING;W/*AUD & SPEED WARNING
W/*AUD OR *OM OR CAR CLOCK
W/*AUD
W/*AUD OR *OM
W/RR WIPER ONLY
W/FOLDING *AUD
W/FOLDING *AUD
W/*AUD
W/*AUD
W/*AUD OR *OM
W/*AUD OR *OM
W/*AUD OR *OM
W/FOLDING *AUD OR *OM
W/*AUD
W/*AUD
W/*AUD
W/*AUD
W/*AUD OR *OM
W/*AUD
W/*AUD
W/*AUD OR *OM
W/*AUD OR *OM
W/O *AUD
W/*AUD
HONG KONG SPEC
W/*AUD
W/*AUD(W/O SEAT BELT WARNING)
W/*AUD
W/*AUD
W/*OM & *AUD & CLOCK; W/*OM & RR WIPER; W/*OM;W/*AUD & CLOCK;W/*OM & *AUD;W/*AUD
W/*AUD
W/O *AUD
W/*AUD
W/O *AUD
W/*AUD OR *OM
W/RR WIPER ONLY
W/*AUD OR *OM
W/*AUD OR *OM OR CAR CLOCK
W/*AUD OR *OM
W/RR WIPER ONLY
W/*AUD OR *OM
W/*AUD
W/O *AUD
W/*AUD
W/O *AUD
W/*AUD
W/O *AUD
W/*AUD
W/*AUD OR *OM
W/RR WIPER ONLY
W/*AUD OR *OM OR CAR CLOCK
82132WIRE, COWL, NO.2
W/SEAT BELT WARNING
82133WIRE, COWL, NO.3
W/*OM OR FOLDING AUTO DOOR
W/*OM OR AUTO DOOR
82134WIRE, COWL, NO.4
82141WIRE, INSTRUMENT PANEL
82142WIRE, INSTRUMENT PANEL, NO.2
W/AUTO COOLER
82143WIRE, INSTRUMENT PANEL, NO.3
W/*EB & HONG KONG SPEC
W/*EB
82219AWIRE, SENSOR
82233WIRE, COMPUTER
82291WIRING, TO SOLENOID
82345DIODE
NO.1
NO.2
NO.3
82355WIRE, PARKING LAMP SWITCH
82817PROTECTOR, WIRING HARNESS, NO.1
82817BPROTECTOR, WIRING HARNESS, NO.3
8401SWITCH & RELAY & COMPUTER
9011906005
main90119-06005
9165140814
main91651-40814
26 parts on this diagram · 8 diagrams in section