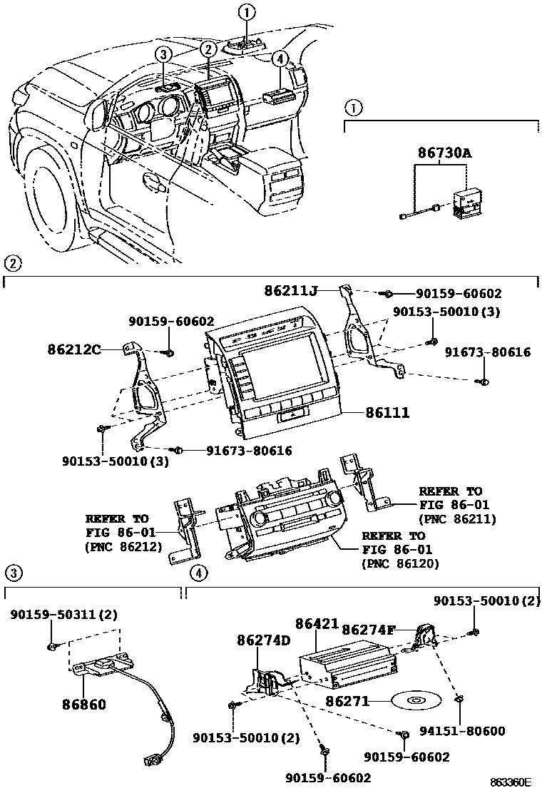
NAVIGATION & FRONT MONITOR DISPLAY

8601
86211JBRACKET, RADIO RECEIVER, NO.1
86212CBRACKET, RADIO RECEIVER, NO.2
86271DISC, DISC PLAYER
main86807-06010
main86807-06011
main86271-73012
main86271-53012
main86271-53013
main86271-73013
main86271-33062
main86271-33063
main86271-47072
main86271-47073
main86271-60090
main86271-60091
main86271-48092
main86271-48093
main86807-30120
main86271-60130
main86807-30130
main86807-30131
main86807-30132
main86807-30150
main86807-30151
main86807-30152
main86271-60170
main86271-60171
main86271-48181
main86271-60440
main86271-60441
main86271-60442
main86271-60443
main86271-60444
main86271-60445
main86271-60460
main86271-60461
main86271-60462
main86271-60463
main86271-60464
main86271-60465
main86271-60466
main86271-60467
main86271-60468
main86271-60469
main86271-60470
main86271-60471
main86271-60472
main86271-60473
main86271-60474
main86271-60475
main86271-60480
main86271-60481
main86271-60482
main86271-60483
main86271-60484
main86271-60485
main86271-60620
main86271-60621
main86271-30711
main86271-30712
main86271-30713
main86271-30714
main86271-30715
main86271-30716
main86271-30717
main86271-30718
main86271-30730
main86271-30731
main86271-30732
main86271-30733
main86271-30750
main86271-30751
main86271-30752
main86271-30753
main86271-30754
main86271-30780
main86271-30781
main86271-30782
main86271-30783
main86271-30784
86274DBRACKET, DISC PLAYER
86274FBRACKET, DISC PLAYER, NO.2
86730AMICROPHONE ASSY, TELEPHONE
main86730-48040iURJ202..VX..GCC;URJ202..VXR..GEN;GRJ200..5F..GCC..LUB;VDJ200..(VX,VXR)..GCC201508-202103
AUDIO(FOR OVERSEAS MARKET)-RADIO LESS & 4SPEAKER
main86730-48040iURJ202..VX..GCC;URJ202..VXR..GEN;GRJ200..5F..GCC..LUB;VDJ200..(VX,VXR)..GCC201508-202104
AUDIO(FOR OVERSEAS MARKET)-AM(9KHZ)/FM & CD & 6SPEAKER
main86730-48040iURJ202..VX..GCC;URJ202..VXR..GEN;GRJ200..5F..GCC..LUB;VDJ200..(VX,VXR)..GCC201508-202104
AUDIO(FOR OVERSEAS MARKET)-AM(10KHZ)/FM & CD & 6SPEAKER
main86730-48040iURJ202..VX..GCC;URJ202..VXR..GEN;GRJ200..5F..GCC..LUB;VDJ200..(VX,VXR)..GCC201508-202104
AUDIO(FOR OVERSEAS MARKET)-RADIO LESS & BRACKET LESS & 4SPEAKER
AUDIO(FOR OVERSEAS MARKET)-RADIO LESS & BRACKET LESS & 4SPEAKER
AUDIO(FOR OVERSEAS MARKET)-EMV & DVD & 9SPEAKER
86860ANTENNA ASSY, NAVIGATION
main86860-60120
main86860-60130
main86860-60200
main86860-60210
main86860-60220
main86860-60230
main86860-60290
main86860-60300
main86860-60330
main86860-60340
9015350010
main90153-50010
9015950311
main90159-50311
9015960602
main90159-60602
9167380616
main91673-80616
9415180600
main94151-80600
15 parts on this diagram · 7 diagrams in section