E
EPC Data

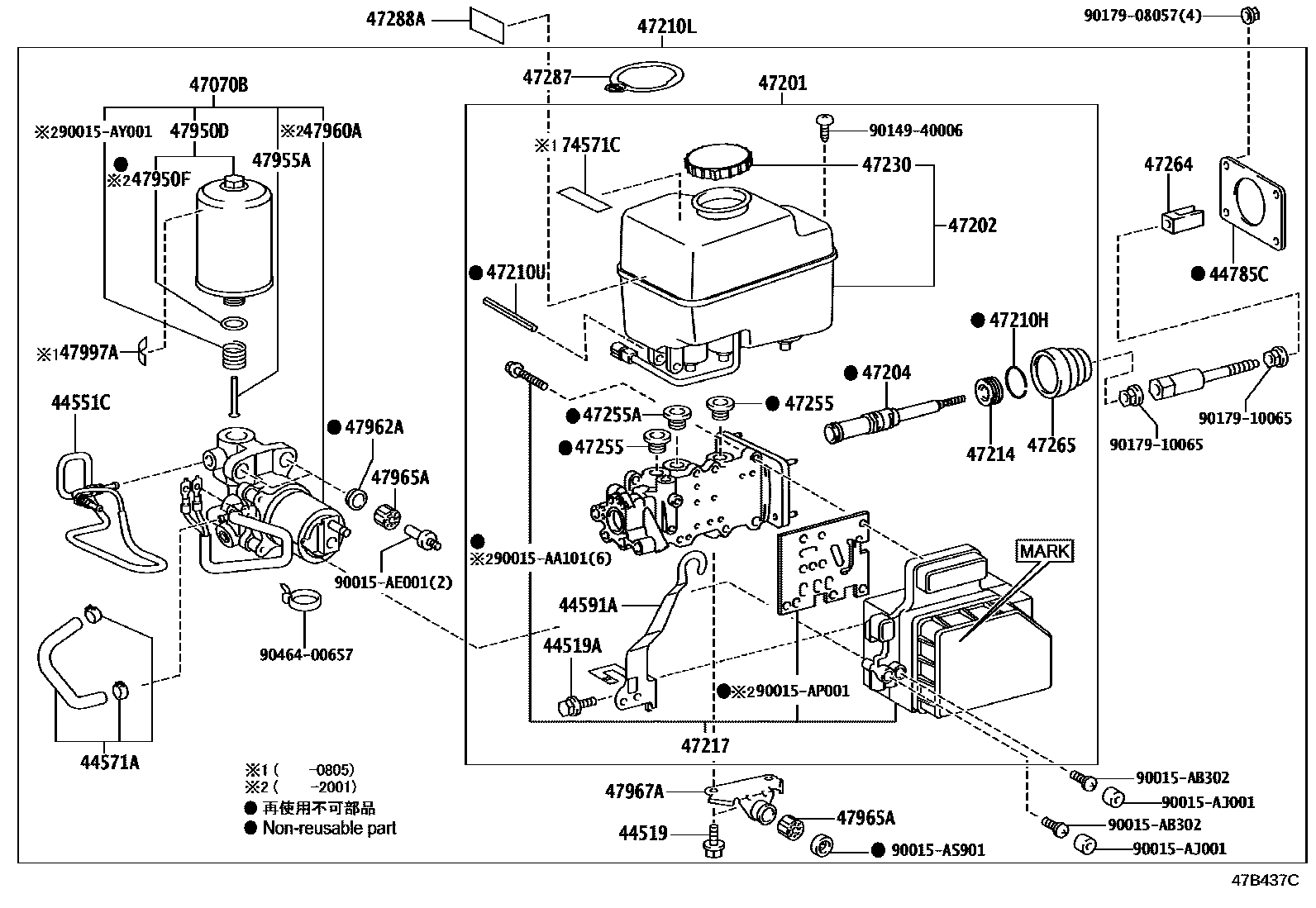
BRAKE MASTER CYLINDER

Parts diagram
44519BOLT, BRAKE ACTUATOR
main44519-24020×2i201508-202104
44519ABOLT(FOR BRAKE BOOSTER PUMP)
main44519-24020i201508-202103
44551CTUBE, BRAKE ACTUATOR, NO.1
main44551-60050i201508-202103
44571AHOSE, BRAKE ACTUATOR, NO.1
main44571-60020i201109-201201
44591ABRACKET, BRAKE ACTUATOR, NO.1
main44591-60070i201508-202104
44785CGASKET, BRAKE BOOSTER
main44785-60020i201508-202104
47070BPUMP ASSY, BRAKE BOOSTER W/ACCUMULATOR
main47070-60040i200709-200905
main47070-60060i201508-202103
47201CYLINDER SUB-ASSY, BRAKE MASTER
main47025-60160i200709-200905
main47025-60320i200905-201008
main47025-60330i201007-201008
main47025-60350i201109-201112
main47025-60351i201112-201201
main47025-60360i201109-201201
main47025-60361i201112-201201
W(BA & EBD & VSC & ATRC & HAC & CRAWL)
main47025-60380i201201-201508
main47025-60381i201508-201708
WITH(ABS)
main47025-60382i201708-202001
WITH(ABS)
main47025-60383i202001-202104
STEERING COLUMN-TILT & TELESCOPIC; WITH(ABS)
main47025-60390i201201-201301
STEERING COLUMN-ELECTRIC TILT & TELESCOPIC W/O(MEMORY); STEERING COLUMN-ELECTRIC TILT & TELESCOPIC WITH(MEMORY); WITH(VSC+ATRC+HAC+CRAWL+MTS)
main47025-60500i201201-201301
main47025-60530i201301-201508
STEERING COLUMN-ELECTRIC TILT & TELESCOPIC W/O(MEMORY); STEERING COLUMN-ELECTRIC TILT & TELESCOPIC WITH(MEMORY); WITH(VSC+ATRC+HAC+CRAWL+MTS)
main47025-60540i201301-201508
main47052-60680i201508-201608
STEERING COLUMN-ELECTRIC TILT & TELESCOPIC W/O(MEMORY); STEERING COLUMN-ELECTRIC TILT & TELESCOPIC WITH(MEMORY); WITH(VSC & *CRCO & *ATC & *CRCO & *MTS)
main47052-60681i201608-201708
STEERING COLUMN-ELECTRIC TILT & TELESCOPIC W/O(MEMORY); STEERING COLUMN-ELECTRIC TILT & TELESCOPIC WITH(MEMORY); WITH(VSC & *CRCO & *ATC & *CRCO & *MTS)
main47052-60682i201908-202001
main47052-60683i202001-202104
STEERING COLUMN-ELECTRIC TILT & TELESCOPIC W/O(MEMORY); STEERING COLUMN-ELECTRIC TILT & TELESCOPIC WITH(MEMORY)
main47052-60730i201508-201608
main47052-60731i201608-201708
GCC SPEC(UAE,BAHRAIN); IRAQ, LEBANON SPEC; KUWAIT SPEC; LEBANON SPEC; QATAR, OMAN, BAHRAIN SPEC; SAUDI ARABIA SPEC; YEMEN SPEC
main47052-60732i201708-202001
GCC SPEC(UAE,BAHRAIN); IRAQ, LEBANON SPEC; KAZAKHSTAN SPEC; KUWAIT SPEC; LEBANON SPEC; QATAR, OMAN, BAHRAIN SPEC; SAUDI ARABIA SPEC; SYRIA, LEBANON, JORDAN SPEC; YEMEN SPEC
main47052-60733i202001-202103
main47025-60170i200709-200905
W(BA & EBD & VSC & ATRC & HAC & DAC)
main47025-60190i200709-200905
W(BA & EBD & VSC & ATRC & HAC & CRAWL)
main47025-60290i201301-201508
PRE-COLLISION SYSTEM-MILLIMETER WAVE RADAR; PRE-COLLISION SYSTEM-MILLIMETER WAVE RADAR&STEERING COLUMN-ELECTRIC TILT & TELESCOPIC W/O(MEMORY); PRE-COLLISION SYSTEM-MILLIMETER WAVE RADAR&STEERING COLUMN-ELECTRIC TILT & TELESCOPIC WITH(MEMORY)
main47025-60400supersedes 47025-60380i201201-201301
PRE-COLLISION SYSTEM-MILLIMETER WAVE RADAR; PRE-COLLISION SYSTEM-MILLIMETER WAVE RADAR&STEERING COLUMN-ELECTRIC TILT & TELESCOPIC W/O(MEMORY); PRE-COLLISION SYSTEM-MILLIMETER WAVE RADAR&STEERING COLUMN-ELECTRIC TILT & TELESCOPIC WITH(MEMORY)
main47052-60710i201508-201608
PRE-COLLISION SYSTEM-MILLIMETER WAVE RADAR & PRECRASH BRAKE; PRE-COLLISION SYSTEM-MILLIMETER WAVE RADAR & PRECRASH BRAKE&STEERING COLUMN-ELECTRIC TILT & TELESCOPIC W/O(MEMORY); PRE-COLLISION SYSTEM-MILLIMETER WAVE RADAR & PRECRASH BRAKE&STEERING COLUMN-ELECTRIC TILT & TELESCOPIC WITH(MEMORY); WITH(VSC&*CRCO&*ATC&*CRCO&*MTS&*RACC)
main47052-60711i201608-201708
GCC SPEC(UAE,BAHRAIN)&PRE-COLLISION SYSTEM-MILLIMETER WAVE RADAR & PRECRASH BRAKE; KUWAIT SPEC&PRE-COLLISION SYSTEM-MILLIMETER WAVE RADAR & PRECRASH BRAKE; LEBANON SPEC&PRE-COLLISION SYSTEM-MILLIMETER WAVE RADAR & PRECRASH BRAKE; PRE-COLLISION SYSTEM-MILLIMETER WAVE RADAR & PRECRASH BRAKE; PRE-COLLISION SYSTEM-MILLIMETER WAVE RADAR & PRECRASH BRAKE&STEERING COLUMN-ELECTRIC TILT & TELESCOPIC W/O(MEMORY); PRE-COLLISION SYSTEM-MILLIMETER WAVE RADAR & PRECRASH BRAKE&STEERING COLUMN-ELECTRIC TILT & TELESCOPIC WITH(MEMORY); QATAR, OMAN, BAHRAIN SPEC&PRE-COLLISION SYSTEM-MILLIMETER WAVE RADAR & PRECRASH BRAKE; SAUDI ARABIA SPEC&PRE-COLLISION SYSTEM-MILLIMETER WAVE RADAR & PRECRASH BRAKE; SYRIA, LEBANON, JORDAN SPEC&PRE-COLLISION SYSTEM-MILLIMETER WAVE RADAR & PRECRASHBRAKE; WITH(VSC&*CRCO&*ATC&*CRCO&*MTS&*RACC)
main47052-60712i201708-202001
GCC SPEC(UAE,BAHRAIN)&PRE-COLLISION SYSTEM-MILLIMETER WAVE RADAR & PRECRASH BRAKE; KUWAIT SPEC&PRE-COLLISION SYSTEM-MILLIMETER WAVE RADAR & PRECRASH BRAKE; LEBANON SPEC&PRE-COLLISION SYSTEM-MILLIMETER WAVE RADAR & PRECRASH BRAKE; PRE-COLLISION SYSTEM-MILLIMETER WAVE RADAR & PRECRASH BRAKE; PRE-COLLISION SYSTEM-MILLIMETER WAVE RADAR & PRECRASH BRAKE&STEERING COLUMN-ELECTRIC TILT & TELESCOPIC W/O(MEMORY); PRE-COLLISION SYSTEM-MILLIMETER WAVE RADAR & PRECRASH BRAKE&STEERING COLUMN-ELECTRIC TILT & TELESCOPIC WITH(MEMORY); QATAR, OMAN, BAHRAIN SPEC&PRE-COLLISION SYSTEM-MILLIMETER WAVE RADAR & PRECRASH BRAKE; SAUDI ARABIA SPEC&PRE-COLLISION SYSTEM-MILLIMETER WAVE RADAR & PRECRASH BRAKE; SYRIA, LEBANON, JORDAN SPEC&PRE-COLLISION SYSTEM-MILLIMETER WAVE RADAR & PRECRASHBRAKE; WITH(VSC&*CRCO&*ATC&*CRCO&*MTS&*RACC)
main47052-60713i202001-202104
GCC SPEC(UAE,BAHRAIN)&PRE-COLLISION SYSTEM-MILLIMETER WAVE RADAR & PRECRASH BRAKE; KUWAIT SPEC&PRE-COLLISION SYSTEM-MILLIMETER WAVE RADAR & PRECRASH BRAKE; LEBANON SPEC&PRE-COLLISION SYSTEM-MILLIMETER WAVE RADAR & PRECRASH BRAKE; PRE-COLLISION SYSTEM-MILLIMETER WAVE RADAR & PRECRASH BRAKE; PRE-COLLISION SYSTEM-MILLIMETER WAVE RADAR & PRECRASH BRAKE&STEERING COLUMN-ELECTRIC TILT & TELESCOPIC W/O(MEMORY); PRE-COLLISION SYSTEM-MILLIMETER WAVE RADAR & PRECRASH BRAKE&STEERING COLUMN-ELECTRIC TILT & TELESCOPIC WITH(MEMORY); QATAR, OMAN, BAHRAIN SPEC&PRE-COLLISION SYSTEM-MILLIMETER WAVE RADAR & PRECRASH BRAKE; SAUDI ARABIA SPEC&PRE-COLLISION SYSTEM-MILLIMETER WAVE RADAR & PRECRASH BRAKE; SYRIA, LEBANON, JORDAN SPEC&PRE-COLLISION SYSTEM-MILLIMETER WAVE RADAR & PRECRASHBRAKE; WITH(VSC&*CRCO&*ATC&*CRCO&*MTS&*RACC)
main47052-60790i201608-201708
GCC SPEC(UAE,BAHRAIN); IRAQ, LEBANON SPEC; KUWAIT SPEC; LEBANON SPEC; QATAR, OMAN, BAHRAIN SPEC; SAUDI ARABIA SPEC; YEMEN SPEC
main47052-60791i201708-202001
GCC SPEC(UAE,BAHRAIN); IRAQ, LEBANON SPEC; KUWAIT SPEC; LEBANON SPEC; QATAR, OMAN, BAHRAIN SPEC; SAUDI ARABIA SPEC; SYRIA, LEBANON, JORDAN SPEC; YEMEN SPEC
main47052-60792i202001-202103
GCC SPEC(UAE,BAHRAIN); IRAQ, LEBANON SPEC; KUWAIT SPEC; LEBANON SPEC; QATAR, OMAN, BAHRAIN SPEC; SYRIA, LEBANON, JORDAN SPEC; YEMEN SPEC
47202RESERVOIR SUB-ASSY, BRAKE MASTER CYLINDER
main47220-60210i201109-201201
47204PISTON, MASTER CYLINDER
main47026-60160i201508-202104
47210HRING, SNAP(FOR BRAKE MASTER CYLINDER)
main90520-32012i201109-201508
47210LBRAKE BOOSTER ASSY, W/MASTER CYLINDER
main47050-60140i200709-200904
main47050-60280i200905-201007
main47050-60290i201007-201008
MARK=89541-60270
main47050-60310i201109-201111
main47050-60311i201112-201201
main47050-60320i201109-201112
main47050-60321i201112-201201
MARK=89541-60321; W(BA & EBD & VSC & ATRC & HAC & CRAWL),MARK=89541-60321
main47050-60340i201201-201508
main47050-60350i201201-201301
STEERING COLUMN-ELECTRIC TILT & TELESCOPIC W/O(MEMORY); STEERING COLUMN-ELECTRIC TILT & TELESCOPIC WITH(MEMORY); WITH(VSC+ATRC+HAC+CRAWL+MTS)
main47050-60390i201301-201508
STEERING COLUMN-ELECTRIC TILT & TELESCOPIC W/O(MEMORY); STEERING COLUMN-ELECTRIC TILT & TELESCOPIC WITH(MEMORY); WITH(VSC+ATRC+HAC+CRAWL+MTS)
main47050-60460i201201-201301
main47050-60490i201301-201508
main47050-60660i201508-201707
WITH(ABS)
main47050-60661i201708-201912
WITH(ABS)
main47050-60662i202001-202104
STEERING COLUMN-TILT & TELESCOPIC; WITH(ABS)
main47050-60680i201508-201607
STEERING COLUMN-ELECTRIC TILT & TELESCOPIC W/O(MEMORY); STEERING COLUMN-ELECTRIC TILT & TELESCOPIC WITH(MEMORY); WITH(VSC & *CRCO & *ATC & *CRCO & *MTS)
main47050-60681i201608-201707
STEERING COLUMN-ELECTRIC TILT & TELESCOPIC W/O(MEMORY); STEERING COLUMN-ELECTRIC TILT & TELESCOPIC WITH(MEMORY); WITH(VSC & *CRCO & *ATC & *CRCO & *MTS)
main47050-60682i201908-201912
main47050-60683i202001-202104
STEERING COLUMN-ELECTRIC TILT & TELESCOPIC W/O(MEMORY); STEERING COLUMN-ELECTRIC TILT & TELESCOPIC WITH(MEMORY)
main47050-60730i201508-201607
main47050-60731i201608-201707
GCC SPEC(UAE,BAHRAIN); IRAQ, LEBANON SPEC; KAZAKHSTAN SPEC; KUWAIT SPEC; LEBANON SPEC; QATAR, OMAN, BAHRAIN SPEC; SAUDI ARABIA SPEC; YEMEN SPEC
main47050-60732i201708-201912
GCC SPEC(UAE,BAHRAIN); IRAQ, LEBANON SPEC; KAZAKHSTAN SPEC; KUWAIT SPEC; LEBANON SPEC; QATAR, OMAN, BAHRAIN SPEC; SAUDI ARABIA SPEC; SYRIA, LEBANON, JORDAN SPEC; YEMEN SPEC
main47050-60733i202001-202103
main47050-60150i200709-200905
W(BA & EBD & VSC & ATRC & HAC & DAC)
main47050-60170i200709-200905
W(BA & EBD & VSC & ATRC & HAC & CRAWL),MARK=89541-60160
main47050-60360supersedes 47050-60340i201201-201301
PRE-COLLISION SYSTEM-MILLIMETER WAVE RADAR; PRE-COLLISION SYSTEM-MILLIMETER WAVE RADAR&STEERING COLUMN-ELECTRIC TILT & TELESCOPIC W/O(MEMORY); PRE-COLLISION SYSTEM-MILLIMETER WAVE RADAR&STEERING COLUMN-ELECTRIC TILT & TELESCOPIC WITH(MEMORY)
main47050-60380i201301-201508
PRE-COLLISION SYSTEM-MILLIMETER WAVE RADAR; PRE-COLLISION SYSTEM-MILLIMETER WAVE RADAR&STEERING COLUMN-ELECTRIC TILT & TELESCOPIC W/O(MEMORY); PRE-COLLISION SYSTEM-MILLIMETER WAVE RADAR&STEERING COLUMN-ELECTRIC TILT & TELESCOPIC WITH(MEMORY)
main47050-60710i201508-201607
PRE-COLLISION SYSTEM-MILLIMETER WAVE RADAR & PRECRASH BRAKE; PRE-COLLISION SYSTEM-MILLIMETER WAVE RADAR & PRECRASH BRAKE&STEERING COLUMN-ELECTRIC TILT & TELESCOPIC W/O(MEMORY); PRE-COLLISION SYSTEM-MILLIMETER WAVE RADAR & PRECRASH BRAKE&STEERING COLUMN-ELECTRIC TILT & TELESCOPIC WITH(MEMORY); WITH(VSC&*CRCO&*ATC&*CRCO&*MTS&*RACC)
main47050-60711i201608-201707
GCC SPEC(UAE,BAHRAIN)&PRE-COLLISION SYSTEM-MILLIMETER WAVE RADAR & PRECRASH BRAKE; KUWAIT SPEC&PRE-COLLISION SYSTEM-MILLIMETER WAVE RADAR & PRECRASH BRAKE; LEBANON SPEC&PRE-COLLISION SYSTEM-MILLIMETER WAVE RADAR & PRECRASH BRAKE; PRE-COLLISION SYSTEM-MILLIMETER WAVE RADAR & PRECRASH BRAKE; PRE-COLLISION SYSTEM-MILLIMETER WAVE RADAR & PRECRASH BRAKE&STEERING COLUMN-ELECTRIC TILT & TELESCOPIC W/O(MEMORY); PRE-COLLISION SYSTEM-MILLIMETER WAVE RADAR & PRECRASH BRAKE&STEERING COLUMN-ELECTRIC TILT & TELESCOPIC WITH(MEMORY); QATAR, OMAN, BAHRAIN SPEC&PRE-COLLISION SYSTEM-MILLIMETER WAVE RADAR & PRECRASH BRAKE; SAUDI ARABIA SPEC&PRE-COLLISION SYSTEM-MILLIMETER WAVE RADAR & PRECRASH BRAKE; SYRIA, LEBANON, JORDAN SPEC&PRE-COLLISION SYSTEM-MILLIMETER WAVE RADAR & PRECRASHBRAKE; WITH(VSC&*CRCO&*ATC&*CRCO&*MTS&*RACC)
main47050-60712i201708-201912
GCC SPEC(UAE,BAHRAIN)&PRE-COLLISION SYSTEM-MILLIMETER WAVE RADAR & PRECRASH BRAKE; KUWAIT SPEC&PRE-COLLISION SYSTEM-MILLIMETER WAVE RADAR & PRECRASH BRAKE; LEBANON SPEC&PRE-COLLISION SYSTEM-MILLIMETER WAVE RADAR & PRECRASH BRAKE; PRE-COLLISION SYSTEM-MILLIMETER WAVE RADAR & PRECRASH BRAKE; PRE-COLLISION SYSTEM-MILLIMETER WAVE RADAR & PRECRASH BRAKE&STEERING COLUMN-ELECTRIC TILT & TELESCOPIC W/O(MEMORY); PRE-COLLISION SYSTEM-MILLIMETER WAVE RADAR & PRECRASH BRAKE&STEERING COLUMN-ELECTRIC TILT & TELESCOPIC WITH(MEMORY); QATAR, OMAN, BAHRAIN SPEC&PRE-COLLISION SYSTEM-MILLIMETER WAVE RADAR & PRECRASH BRAKE; SAUDI ARABIA SPEC&PRE-COLLISION SYSTEM-MILLIMETER WAVE RADAR & PRECRASH BRAKE; SYRIA, LEBANON, JORDAN SPEC&PRE-COLLISION SYSTEM-MILLIMETER WAVE RADAR & PRECRASHBRAKE; WITH(VSC&*CRCO&*ATC&*CRCO&*MTS&*RACC)
main47050-60713i202001-202104
GCC SPEC(UAE,BAHRAIN)&PRE-COLLISION SYSTEM-MILLIMETER WAVE RADAR & PRECRASH BRAKE; KUWAIT SPEC&PRE-COLLISION SYSTEM-MILLIMETER WAVE RADAR & PRECRASH BRAKE; LEBANON SPEC&PRE-COLLISION SYSTEM-MILLIMETER WAVE RADAR & PRECRASH BRAKE; PRE-COLLISION SYSTEM-MILLIMETER WAVE RADAR & PRECRASH BRAKE; PRE-COLLISION SYSTEM-MILLIMETER WAVE RADAR & PRECRASH BRAKE&STEERING COLUMN-ELECTRIC TILT & TELESCOPIC W/O(MEMORY); PRE-COLLISION SYSTEM-MILLIMETER WAVE RADAR & PRECRASH BRAKE&STEERING COLUMN-ELECTRIC TILT & TELESCOPIC WITH(MEMORY); QATAR, OMAN, BAHRAIN SPEC&PRE-COLLISION SYSTEM-MILLIMETER WAVE RADAR & PRECRASH BRAKE; SAUDI ARABIA SPEC&PRE-COLLISION SYSTEM-MILLIMETER WAVE RADAR & PRECRASH BRAKE; SYRIA, LEBANON, JORDAN SPEC&PRE-COLLISION SYSTEM-MILLIMETER WAVE RADAR & PRECRASHBRAKE; WITH(VSC&*CRCO&*ATC&*CRCO&*MTS&*RACC)
main47050-60790i201608-201707
GCC SPEC(UAE,BAHRAIN); IRAQ, LEBANON SPEC; KUWAIT SPEC; LEBANON SPEC; QATAR, OMAN, BAHRAIN SPEC; SAUDI ARABIA SPEC; YEMEN SPEC
main47050-60791i201708-201912
GCC SPEC(UAE,BAHRAIN); IRAQ, LEBANON SPEC; KUWAIT SPEC; LEBANON SPEC; QATAR, OMAN, BAHRAIN SPEC; SAUDI ARABIA SPEC; SYRIA, LEBANON, JORDAN SPEC; YEMEN SPEC
main47050-60792i202001-202103
GCC SPEC(UAE,BAHRAIN); IRAQ, LEBANON SPEC; KUWAIT SPEC; LEBANON SPEC; QATAR, OMAN, BAHRAIN SPEC; SYRIA, LEBANON, JORDAN SPEC; YEMEN SPEC
47210UPIN, STRAIGHT(FOR BRAKE MASTER CYLINDER)
main90029-15803i201508-202104
47214PLUG, MASTER CYLINDER
main47027-60090i201508-202104
47217SOLENOID, MASTER CYLINDER
main47217-60050i200709-200905
main47217-60190i200905-201008
main47217-60200i201007-201008
MARK=89541-60270
main47217-60220i201109-201201
main47217-60230i201112-201201
W(BA & EBD & VSC & ATRC & HAC & CRAWL)
main47217-60250i201201-201508
main47217-60260i201201-201301
STEERING COLUMN-ELECTRIC TILT & TELESCOPIC W/O(MEMORY); STEERING COLUMN-ELECTRIC TILT & TELESCOPIC WITH(MEMORY); WITH(VSC+ATRC+HAC+CRAWL+MTS)
main47217-60300i201301-201508
STEERING COLUMN-ELECTRIC TILT & TELESCOPIC W/O(MEMORY); STEERING COLUMN-ELECTRIC TILT & TELESCOPIC WITH(MEMORY); WITH(VSC+ATRC+HAC+CRAWL+MTS)
main47217-60350i201201-201301
main47217-60380i201301-201508
main47217-60550i201508-201708
WITH(ABS)
main47217-60551i201708-202001
WITH(ABS)
main47217-60552i202001-202103
STEERING COLUMN-TILT & TELESCOPIC
main47217-60570i201508-201608
STEERING COLUMN-ELECTRIC TILT & TELESCOPIC W/O(MEMORY); STEERING COLUMN-ELECTRIC TILT & TELESCOPIC WITH(MEMORY); WITH(VSC & *CRCO & *ATC & *CRCO & *MTS)
main47217-60571i201608-201708
STEERING COLUMN-ELECTRIC TILT & TELESCOPIC W/O(MEMORY); STEERING COLUMN-ELECTRIC TILT & TELESCOPIC WITH(MEMORY); WITH(VSC & *CRCO & *ATC & *CRCO & *MTS)
main47217-60572i201908-202001
main47217-60573i202001-202103
WITH(VSC & *CRCO & *ATC & *CRCO & *MTS)
main47217-60620i201508-201608
main47217-60621i201608-201708
GCC SPEC(UAE,BAHRAIN); IRAQ, LEBANON SPEC; KUWAIT SPEC; LEBANON SPEC; QATAR, OMAN, BAHRAIN SPEC; SAUDI ARABIA SPEC; YEMEN SPEC
main47217-60622i201708-202001
GCC SPEC(UAE,BAHRAIN); IRAQ, LEBANON SPEC; KAZAKHSTAN SPEC; KUWAIT SPEC; LEBANON SPEC; QATAR, OMAN, BAHRAIN SPEC; SAUDI ARABIA SPEC; SYRIA, LEBANON, JORDAN SPEC; YEMEN SPEC
main47217-60623i202001-202103
main47217-60060i200709-200905
W(BA & EBD & VSC & ATRC & HAC & DAC)
main47217-60080i200709-200905
W(BA & EBD & VSC & ATRC & HAC & CRAWL)
main47217-60270supersedes 47217-60250i201201-201301
PRE-COLLISION SYSTEM-MILLIMETER WAVE RADAR; PRE-COLLISION SYSTEM-MILLIMETER WAVE RADAR&STEERING COLUMN-ELECTRIC TILT & TELESCOPIC W/O(MEMORY); PRE-COLLISION SYSTEM-MILLIMETER WAVE RADAR&STEERING COLUMN-ELECTRIC TILT & TELESCOPIC WITH(MEMORY)
main47217-60290i201301-201508
PRE-COLLISION SYSTEM-MILLIMETER WAVE RADAR; PRE-COLLISION SYSTEM-MILLIMETER WAVE RADAR&STEERING COLUMN-ELECTRIC TILT & TELESCOPIC W/O(MEMORY); PRE-COLLISION SYSTEM-MILLIMETER WAVE RADAR&STEERING COLUMN-ELECTRIC TILT & TELESCOPIC WITH(MEMORY)
main47217-60600i201508-201608
PRE-COLLISION SYSTEM-MILLIMETER WAVE RADAR & PRECRASH BRAKE; PRE-COLLISION SYSTEM-MILLIMETER WAVE RADAR & PRECRASH BRAKE&STEERING COLUMN-ELECTRIC TILT & TELESCOPIC W/O(MEMORY); PRE-COLLISION SYSTEM-MILLIMETER WAVE RADAR & PRECRASH BRAKE&STEERING COLUMN-ELECTRIC TILT & TELESCOPIC WITH(MEMORY); WITH(VSC&*CRCO&*ATC&*CRCO&*MTS&*RACC)
main47217-60601i201608-201708
GCC SPEC(UAE,BAHRAIN)&PRE-COLLISION SYSTEM-MILLIMETER WAVE RADAR & PRECRASH BRAKE; KUWAIT SPEC&PRE-COLLISION SYSTEM-MILLIMETER WAVE RADAR & PRECRASH BRAKE; LEBANON SPEC&PRE-COLLISION SYSTEM-MILLIMETER WAVE RADAR & PRECRASH BRAKE; PRE-COLLISION SYSTEM-MILLIMETER WAVE RADAR & PRECRASH BRAKE; PRE-COLLISION SYSTEM-MILLIMETER WAVE RADAR & PRECRASH BRAKE&STEERING COLUMN-ELECTRIC TILT & TELESCOPIC W/O(MEMORY); PRE-COLLISION SYSTEM-MILLIMETER WAVE RADAR & PRECRASH BRAKE&STEERING COLUMN-ELECTRIC TILT & TELESCOPIC WITH(MEMORY); QATAR, OMAN, BAHRAIN SPEC&PRE-COLLISION SYSTEM-MILLIMETER WAVE RADAR & PRECRASH BRAKE; SAUDI ARABIA SPEC&PRE-COLLISION SYSTEM-MILLIMETER WAVE RADAR & PRECRASH BRAKE; SYRIA, LEBANON, JORDAN SPEC&PRE-COLLISION SYSTEM-MILLIMETER WAVE RADAR & PRECRASHBRAKE; WITH(VSC&*CRCO&*ATC&*CRCO&*MTS&*RACC)
main47217-60603i202001-202104
GCC SPEC(UAE,BAHRAIN)&PRE-COLLISION SYSTEM-MILLIMETER WAVE RADAR & PRECRASH BRAKE; KUWAIT SPEC&PRE-COLLISION SYSTEM-MILLIMETER WAVE RADAR & PRECRASH BRAKE; LEBANON SPEC&PRE-COLLISION SYSTEM-MILLIMETER WAVE RADAR & PRECRASH BRAKE; PRE-COLLISION SYSTEM-MILLIMETER WAVE RADAR & PRECRASH BRAKE; PRE-COLLISION SYSTEM-MILLIMETER WAVE RADAR & PRECRASH BRAKE&STEERING COLUMN-ELECTRIC TILT & TELESCOPIC W/O(MEMORY); PRE-COLLISION SYSTEM-MILLIMETER WAVE RADAR & PRECRASH BRAKE&STEERING COLUMN-ELECTRIC TILT & TELESCOPIC WITH(MEMORY); QATAR, OMAN, BAHRAIN SPEC&PRE-COLLISION SYSTEM-MILLIMETER WAVE RADAR & PRECRASH BRAKE; SAUDI ARABIA SPEC&PRE-COLLISION SYSTEM-MILLIMETER WAVE RADAR & PRECRASH BRAKE; SYRIA, LEBANON, JORDAN SPEC&PRE-COLLISION SYSTEM-MILLIMETER WAVE RADAR & PRECRASHBRAKE; WITH(VSC&*CRCO&*ATC&*CRCO&*MTS&*RACC)
main47217-60680i201702-201708
SYRIA, LEBANON, JORDAN SPEC
main47217-60681i201708-202001
GCC SPEC(UAE,BAHRAIN); IRAQ, LEBANON SPEC; KUWAIT SPEC; LEBANON SPEC; QATAR, OMAN, BAHRAIN SPEC; SAUDI ARABIA SPEC; SYRIA, LEBANON, JORDAN SPEC; YEMEN SPEC
main47217-60682i202001-202103
GCC SPEC(UAE,BAHRAIN); IRAQ, LEBANON SPEC; KUWAIT SPEC; LEBANON SPEC; QATAR, OMAN, BAHRAIN SPEC; SYRIA, LEBANON, JORDAN SPEC; YEMEN SPEC
47230CAP ASSY, BRAKE MASTER CYLINDER RESERVOIR FILLER
main47230-24010i200709-200809
main47230-47090i201612-202104
main47230-58010i200809-200905
main47230-60210i200905-201112
47255GROMMET, MASTER CYLINDER RESERVOIR
main47255-16010×2i201112-201201
W(BA & EBD & VSC & ATRC & HAC & CRAWL)
47255AGROMMET, MASTER CYLINDER RESERVOIR, NO.2
main31417-35010i201112-201201
W(BA & EBD & VSC & ATRC & HAC & CRAWL)
47264CLEVIS, MASTER CYLINDER PUSH ROD
main47264-60020i201508-202104
47265BOOT, MASTER CYLINDER
main90029-70001i201109-201508
47287LABEL, BRAKE FLUID INFORMATION
main47287-20020i200709-200805
main47287-60180i200805-201201
main47287-60181i201508-201612
main47287-60182i201612-202103
47288ALABEL, BRAKE FLUID NOTICE
main47288-71010i201608-202104
GCC SPEC(UAE,BAHRAIN); IRAQ, LEBANON SPEC; KUWAIT SPEC; LEBANON SPEC; QATAR, OMAN, BAHRAIN SPEC; SAUDI ARABIA SPEC; YEMEN SPEC
47950DACCUMULATOR ASSY, BRAKE BOOSTER
main47950-60030i201112-201201
W(BA & EBD & VSC & ATRC & HAC & CRAWL)
47950FRING, O(FOR BRAKE BOOSTER ACCUMULATOR)
main90301-13014i201109-201201
47955APIPE, BRAKE BOOSTER ACCUMULATOR
main47955-60020i201109-201508
47960APUMP ASSY, BRAKE BOOSTER
main47960-60050i201112-201201
W(BA & EBD & VSC & ATRC & HAC & CRAWL)
main47960-60090i200709-200905
47962ACOLLAR, BRAKE BOOSTER PUMP
main47962-60090×2i201508-202104
47965ABUSH, BRAKE BOOSTER PUMP
main47965-24010×3i201109-201508
47967ABRACKET, BRAKE BOOSTER PUMP, NO.1
main47967-60090i201109-201201
47997ALABEL, ACCUMULATOR CAUTION, NO.1
main47997-60050i200709-200805
74571CLABEL, BRAKE FLUID INFORMATION
main47288-60020i200709-200805
90015AA101
90015AB302
90015AE001
90015AJ001
90015AP001
90015AS901
90015AY001
9014940006
9017908057
9017910065
9046400657

42 parts on this diagram · 1 diagram in section

BRAKE MASTER CYLINDER — Toyota Parts Diagram with OEM Numbers & Prices | EPC Data