E
EPC Data

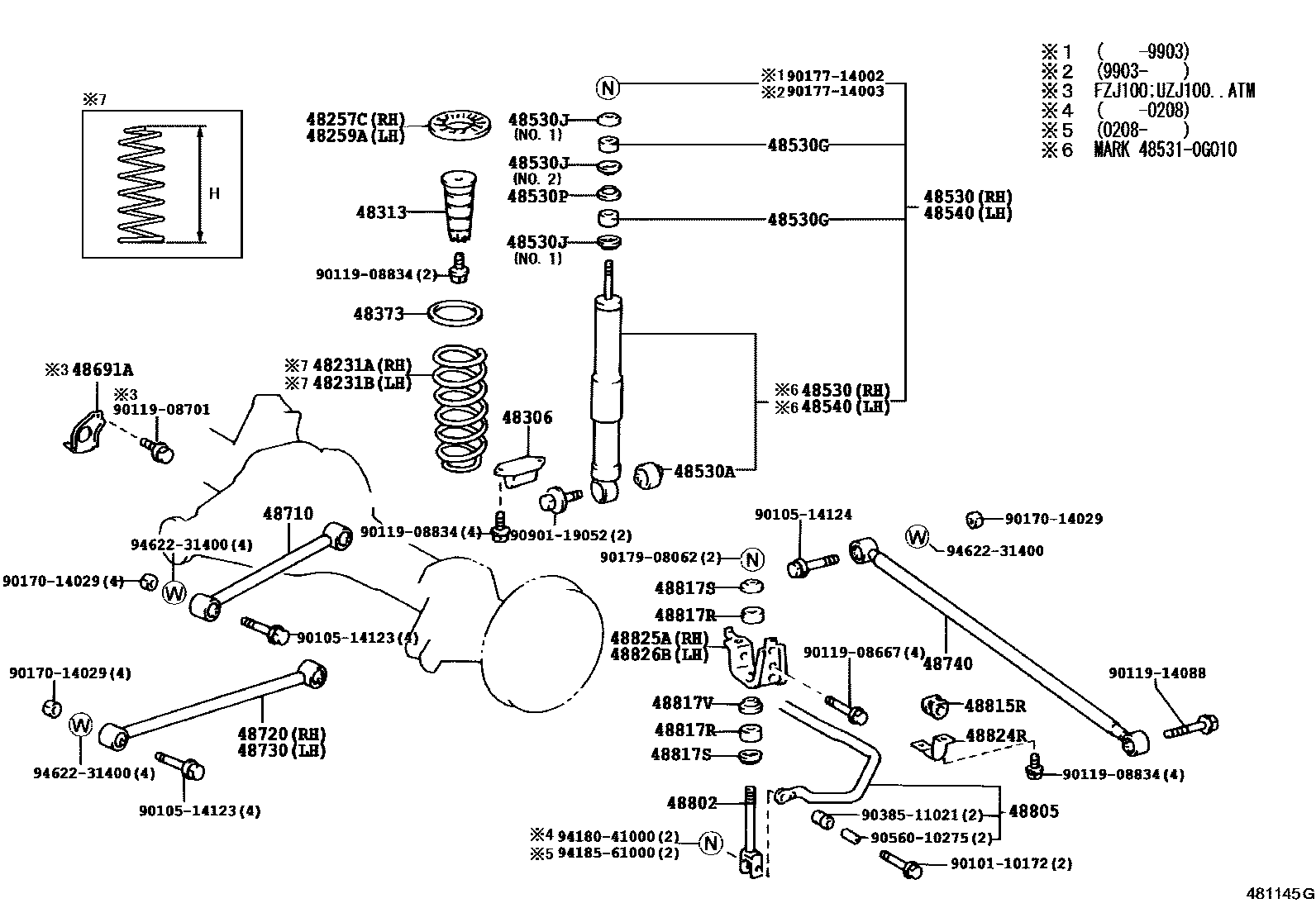
REAR SPRING & SHOCK ABSORBER

Parts diagram
48231ASPRING, COIL, REAR RH
main48231-0G030i200309-200501
(L)
main48231-6A340i199801-200208
H=454.5,RED & RED PAINTED
main48231-6A350i200309-200506
H=460.5;RED & BLUE PAINTED
main48231-6A360i200505
RED & YELLOW PAINTED;H=466
main48231-6A370i200208-200505
H=472;RED & GREEN PAINTED
main48231-6A380i200505
H=429.5;YELLOW GREEN & GRAY PAINTED
main48231-6A390i199903-200208
H=434;YELLOW GREEN & PINK PAINTED
main48231-6A400i200208-200505
H=439;YELLOW GREEN & LIGHT BLUE PAINTED
main48231-6A410i200505
YELLOW GREEN & ORANGE PAINTED;H=443.5
main48231-6A420i199801-199903
H=448;YELLOW GREEN & YELLOW PAINTED
main48231-6A470i199801-199903
H=453,YELLOW GREEN PAINTED
main48231-6A480i200208-200505
H=457.5;GRAY & PINK PAINTED
main48231-6A490i199801-199903
H=462.0;GRAY & LIGHT BLUE PAINTED
main48231-6A500i199801-199903
H=467;GRAY & ORANGE PAINTED
main48231-6A510i199801-199903
H=471.5,GRAY&YELLOW PAINTED
main48231-6A530i200505
H=477.5;RED & PINK PAINTED
main48231-6A540i200208-200505
RED & ORANGE PAINTED;H=483.5
main48231-6A560i200505
RED & BROWN PAINTED;H=495
main48231-6A570i200208-200505
H=501,BLUE PAINTED
main48231-6A580i200208-200505
H=506.5,BLUE&YELLOW PAINTED
main48231-6A590i200505
H=512.5,BLUE & GREEN PAINTED
main48231-6A600i199801-200208
BLUE & PINK PAINTED;H=518
main48231-6A610i200505
H=524;BLUE & ORANGE PAINTED
main48231-6A620i200505
BLUE & PURPLE PAINTED;H=529.5
main48231-6A630i200505
H=535.5;BLUE & BROWN PAINTED
main48231-6A710i199801-200008
H=449.5,RED PAINTED
main48231-6A750i199801-199808
H=455,PINK PAINTED
main48231-6A760i200505
H=470,ORANGE PAINTED
main48231-6A770i200505
H=485,PURPLE PAINTED
main48231-6A780i199808-200208
H=500,BROWN PAINTED
main48231-6A790i200505
H=515;YELLOW GREEN PAINTED
main48231-6A800i200208-200505
H=530,LIGHT BLUE PAINTED
main48231-6A810i199801-200208
H=545,WHITE PAINTED
main48231-6A860i199903-200208
H=424.5;RED & LIGHT BLUE PAINTED
main48231-6A890i200208-200505
H=504.5
main48231-6B010i200505
H=515.5
48231BSPRING, COIL, REAR LH
main48231-0G030i200309-200501
(L)
main48231-6A350i199801-200208
H=460.5;RED & BLUE PAINTED
main48231-6A360i200208-200505
RED & YELLOW PAINTED;H=466
main48231-6A370i199801-200208
H=472;RED & GREEN PAINTED
main48231-6A390i199801-200008
H=434;YELLOW GREEN & PINK PAINTED
main48231-6A400i200208-200505
H=439;YELLOW GREEN & LIGHT BLUE PAINTED
main48231-6A410i200208-200505
YELLOW GREEN & ORANGE PAINTED;H=443.5
main48231-6A420i199903-200208
H=448;YELLOW GREEN & YELLOW PAINTED
main48231-6A470i200208-200505
H=453,YELLOW GREEN PAINTED
main48231-6A480i200505
H=457.5;GRAY & PINK PAINTED
main48231-6A490i200208-200505
H=462.0;GRAY & LIGHT BLUE PAINTED
main48231-6A500i200208-200505
H=467;GRAY & ORANGE PAINTED
main48231-6A510i199801-199903
H=471.5,GRAY&YELLOW PAINTED
main48231-6A520i199801-199903
H=476.5,GRAY & GRAY PAINTED
main48231-6A530i199801-200208
H=477.5;RED & PINK PAINTED
main48231-6A540i200501-200506
RED & ORANGE PAINTED;H=483.5
main48231-6A550i199801-200208
H=489;RED & PURPLE PAINTED
main48231-6A570i200505
H=501,BLUE PAINTED
main48231-6A580i200208-200505
H=506.5,BLUE&YELLOW PAINTED
main48231-6A590i199801-200208
H=512.5,BLUE & GREEN PAINTED
main48231-6A600i199801-199808
BLUE & PINK PAINTED;H=518
main48231-6A610i199801-200208
H=524;BLUE & ORANGE PAINTED
main48231-6A620i200505
BLUE & PURPLE PAINTED;H=529.5
main48231-6A630i200505
H=535.5;BLUE & BROWN PAINTED
main48231-6A710i199801-200008
H=449.5,RED PAINTED
main48231-6A750i200208-200505
H=455,PINK PAINTED
main48231-6A760i200505
H=470,ORANGE PAINTED
main48231-6A770i200505
H=485,PURPLE PAINTED
main48231-6A780i200505
H=500,BROWN PAINTED
main48231-6A790i199808-200208
H=515;YELLOW GREEN PAINTED
main48231-6A800i200208-200505
H=530,LIGHT BLUE PAINTED
main48231-6A810i199808-200208
H=545,WHITE PAINTED
main48231-6A890i200008-200208
H=504.5
main48231-6B010i200505
H=515.5
48257CINSULATOR, REAR COIL SPRING, UPPER RH
main48257-60020i200309-200506
48259AINSULATOR, REAR COIL SPRING, UPPER LH
main48257-60020i199801-200208
48306BUMPER SUB-ASSY, REAR SPRING
main48306-60090×2i200208-200505
main48306-60140×2i200506
48313SPRING, HOLLOW(FOR REAR SUSPENSION)
main48313-60010×2i199801-200008
main48313-60050×2i200208-200505
W(ACTIVE HEIGHT CONTROL)
48373SPACER, REAR SPRING
main48373-60010i200208-200505
48530ABSORBER ASSY, SHOCK, REAR RH
main48530-69116i199801-199903
MARK 48530-60050,W(ACTIVE HEIGHT CONTROL)
main48530-69117i199903-200204
MARK 48530-60051,W(ACTIVE HEIGHT CONTROL)
main48530-69155i200208-200505
MARK 48530-60052,W(ACTIVE HEIGHT CONTROL)
main48530-69805i199801-199903
*733,W(ACTIVE HEIGHT CONTROL),FOR EGYPT
main48530-69815i199903-200204
*734,W(ACTIVE HEIGHT CONTROL),FOR EGYPT
main48530-69825i200506
*735,FOR EGYPT
main48531-0G010i200309-200506
MARK 48531-0G010
main48531-0G011i200509-200604
MARK 48531-0G011
main48531-0G012i200605
MARK 48531-0G012
main48531-69536i199801-200208
MARK 48531-60541
main48531-69566i199801-199903
MARK 48531-60560
main48531-69567i199903-199907
MARK 48531-60560
main48531-69665i199907-200206
MARK 48531-60650
main48531-69695i200208-200411
MARK 48531-60690
main48531-69715i200206-200208
MARK 48531-60710
main48531-69735i200411-200505
MARK 48531-60691
main48531-69745i200505-200609
MARK 48531-60542
main48531-69765i200505-200609
MARK 48531-60711
main48531-69795i200609
MARK 48531-60692
main48531-69805i200609
MARK 48531-60543
main48531-69825i200609
MARK 48531-60712
48530ABUSH(FOR REAR SHOCK ABSORBER)
main90385-19003×4i199801-200208
main90385-19010×2i200411-200505
48530GCUSHION, REAR SHOCK ABSORBER, NO.1
main90948-01004×4i199801-200208
main90948-01064×4i200506
main90948-01065×2i199801-199903
W(ACTIVE HEIGHT CONTROL),UPPER
main90948-01066×2i199801-199903
W(ACTIVE HEIGHT CONTROL),LOWER
main90948-01077×2i200505
W(ACTIVE HEIGHT CONTROL),UPPER
main90948-01078×2i200506
LOWER
48530JRETAINER, CUSHION, NO.1(FOR REAR SHOCK ABSORBER)
main90948-02144×4i200208-200505
main90948-02173×6i199801-199903
W(ACTIVE HEIGHT CONTROL)
main90948-02184×2i199903-200208
NO.2
48530PRETAINER, CUSHION, NO.2(FOR REAR SHOCK ABSORBER)
main90948-02141×2i200208-200505
main90948-02170×2i200309-200506
main90948-02171×2i199801-199903
W(ACTIVE HEIGHT CONTROL)
main90948-02183×2i199903-200208
W(ACTIVE HEIGHT CONTROL)
48540ABSORBER ASSY, SHOCK, REAR LH
main48530-69116i199801-199903
MARK 48530-60050,W(ACTIVE HEIGHT CONTROL)
main48530-69117i199903-200204
MARK 48530-60051,W(ACTIVE HEIGHT CONTROL)
main48530-69155i200208-200505
MARK 48530-60052,W(ACTIVE HEIGHT CONTROL)
main48530-69805i199801-199903
*733,W(ACTIVE HEIGHT CONTROL),FOR EGYPT
main48530-69815i199903-200204
*734,W(ACTIVE HEIGHT CONTROL),FOR EGYPT
main48530-69825i200208-200505
*735,W(ACTIVE HEIGHT CONTROL),FOR EGYPT
main48531-0G010i200506-200508
MARK 48531-0G010
main48531-0G011i200509-200604
MARK 48531-0G011
main48531-0G012i200605
MARK 48531-0G012
main48531-69536i199801-200208
MARK 48531-60541
main48531-69566i199801-199903
MARK 48531-60560
main48531-69567i199907-200206
MARK 48531-60560
main48531-69665i199907-200206
MARK 48531-60650
main48531-69695i200206-200208
MARK 48531-60690
main48531-69715i200208-200411
MARK 48531-60710
main48531-69735i200505-200609
MARK 48531-60691
main48531-69745i200505-200609
MARK 48531-60542
main48531-69765i200505-200609
MARK 48531-60711
main48531-69795i200609
MARK 48531-60692
main48531-69805i200609
MARK 48531-60543
main48531-69825i200609
MARK 48531-60712
48691AINSULATOR, UPPER ARM BUSH, HEAT
main48691-60010i199801-200008
48710ARM ASSY, UPPER CONTROL
main48710-60021×2i200505
main48710-60070i199801-200208
W(ABS),RH
main48710-60080i200208-200505
LH; W(ABS),LH
main48710-60090×2i200208-200505
48720ARM ASSY, LOWER CONTROL, RH
main48720-60011i200505
main48720-60040i199801-200008
48730ARM ASSY, LOWER CONTROL, LH
main48720-60011i200505
main48720-60040i200309-200506
48740ROD ASSY, REAR LATERAL CONTROL
main48740-60040i200505
main48740-60080i200208-200505
48802LINK SUB-ASSY, STABILIZER
main48802-60030×2i200208-200505
main48802-60070×2i199801-199803
main48802-60090×2i200309-200506
48805BAR SUB-ASSY, REAR STABILIZER
main48805-0G010i200506
main48805-60020i200208-200401
main48805-60021i200505
main48805-60070i199801-200008
main48805-60071i200208-200505
main48805-60090i200506
48815RBUSH, STABILIZER(FOR REAR)
main48815-26020×2i199801-200208
main48815-26250×2i200506
main48815-60150×2i200506
48817RCUSHION, STABILIZER(FOR REAR)
main48817-30010×4i199801-200008
48817SRETAINER, CUSHION, NO.1(FOR STABILIZER REAR BAR)
main90948-02126×4i199801-200008
48817VRETAINER, CUSHION, NO.2(FOR STABILIZER REAR BAR)
main90948-02127×2i200208-200505
48824RBRACKET, STABILIZER(FOR REAR)
main48824-26210×2i200505
main48825-60040×2i199801-200208
48825ABRACKET, REAR STABILIZER END
main48825-60050i200208-200505
48826BPROTECTOR, REAR STABILIZER BAR
main48826-60010i200505
9010110172
9010514123
9010514124
9011908667
9011908701
9011908834
9011914088
9017014029
9017714002
9017714003
9017908062
9038511021
9056010275
9090119052
9418041000
9418561000
9462231400

44 parts on this diagram · 5 diagrams in section

REAR SPRING & SHOCK ABSORBER — Toyota Parts Diagram with OEM Numbers & Prices | EPC Data