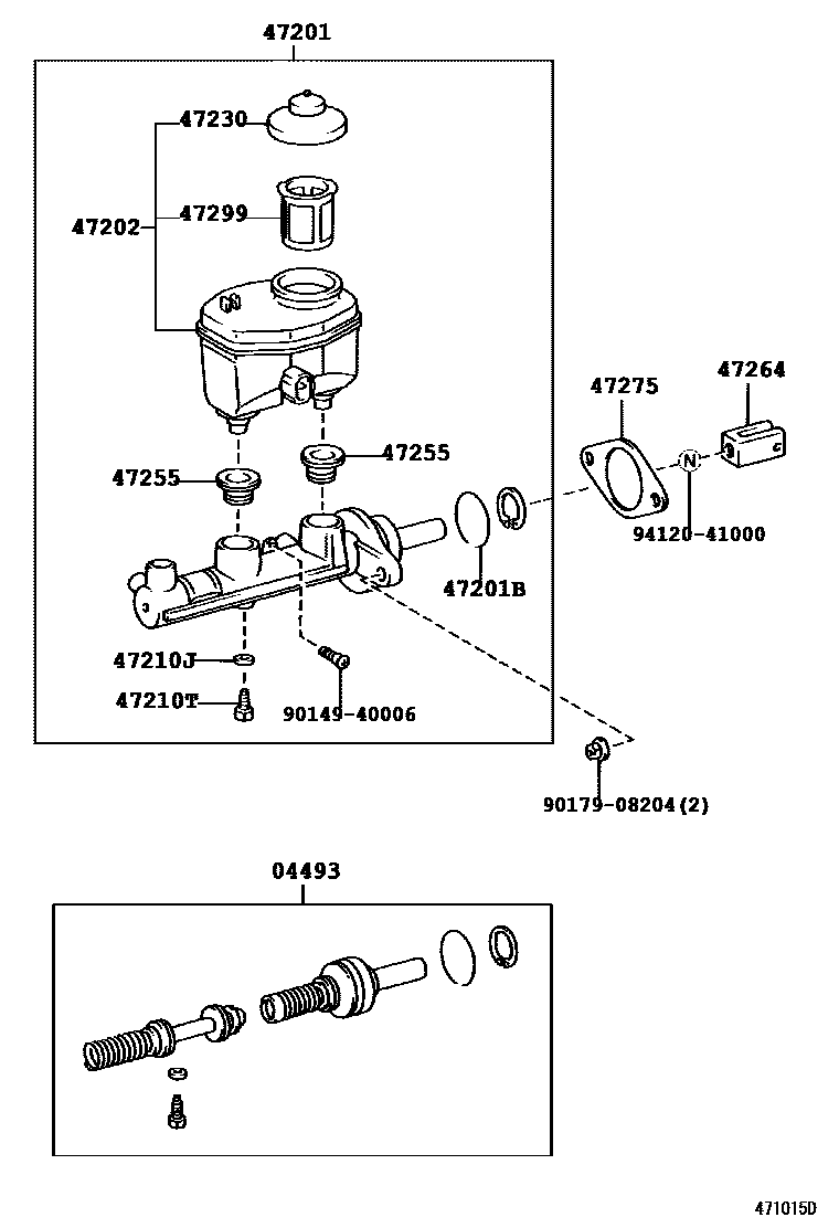
BRAKE MASTER CYLINDER

04493CYLINDER KIT, BRAKE MASTER
W(ABS) OR W(VSC)
47201CYLINDER SUB-ASSY, BRAKE MASTER
W(ABS)
W(ABS)
MARK=47210-60013
main47025-60030iHZJ105..LHD..STD;FZJ105,HZJ105..GX..(GCC,GEN);FZJ100,HDJ100,UZJ100..GCC,GEN199801-199907
W(ABS)
main47025-60032iHZJ105..LHD..STD;FZJ105,HZJ105..GX..(GCC,GEN);FZJ100,HDJ100,UZJ100..GCC,GEN199907-200208
W(ABS)
main47025-60033iHZJ105..LHD..STD;FZJ105,HZJ105..GX..(GCC,GEN);FZJ100,HDJ100,UZJ100..GCC,GEN200208-200505
MARK=47210-60033
W(VSC)
W(VSC)
W(ABS & VSC)
W(ABS & VSC)
W(VSC)
W(ABS & VSC)
47201BRING, O(FOR BRAKE MASTER CYLINDER)
47202RESERVOIR SUB-ASSY, BRAKE MASTER CYLINDER
W(ABS) OR W(VSC)
47210JGASKET(FOR MASTER CYLINDER)
47210TBOLT(FOR BRAKE MASTER CYLINDER)
47230CAP ASSY, BRAKE MASTER CYLINDER RESERVOIR FILLER
W(ABS) OR W(VSC)
47255GROMMET, MASTER CYLINDER RESERVOIR
47264CLEVIS, MASTER CYLINDER PUSH ROD
47275GASKET, BRAKE MASTER CYLINDER
47299STRAINER, BRAKE MASTER CYLINDER RESERVOIR
9014940006
main90149-40006
9017908204
main90179-08204
9412041000
main94120-41000
14 parts on this diagram · 6 diagrams in section