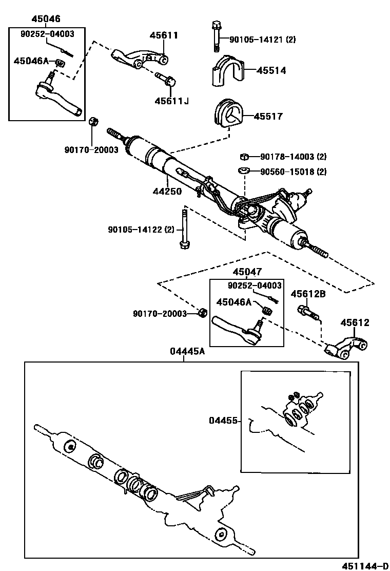
FRONT STEERING GEAR & LINK

04445GASKET KIT, POWER STEERING GEAR(FOR RECIRCULATING BALL)
04445AGASKET KIT, POWER STEERING GEAR(FOR RACK & PINION)
04455GASKET KIT, POWER STEERING CONTROL VALVE OVERHOLE
44250GEAR ASSY, POWER STEERING(FOR RACK & PINION)
45046END SUB-ASSY, TIE ROD, RH
45046ANUT, CASTLE(FOR TIE ROD END)
45047END SUB-ASSY, TIE ROD, LH
45514BRACKET, STEERING RACK HOUSING, NO.1
45517GROMMET, STEERING RACK HOUSING, NO.2
45611JBOLT(FOR STEERING KNUCKLE ARM RH)
45612BBOLT(FOR STEERING KNUCKLE ARM LH)
9010514121
main90105-14121
9010514122
main90105-14122
9017020003
main90170-20003
9017814003
main90178-14003
9025204003
main90252-04003
9056015018
main90560-15018
19 parts on this diagram · 13 diagrams in section