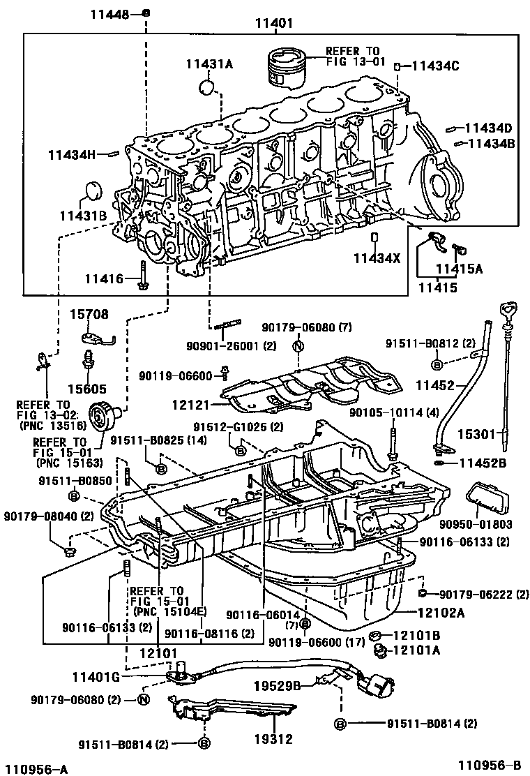
CYLINDER BLOCK

11401GSENSOR, CRANK POSITION
11415APLUG, WATER DRAIN COCK(FOR CYLINDER BLOCK)
11416BOLT(FOR CRANKSHAFT BEARING CAP SET)
L=75
L=86.5
11431APLUG, TIGHT, NO.1(FOR CYLINDER BLOCK)
11431BPLUG, TIGHT, NO.2(FOR CYLINDER BLOCK)
11434BPIN, STRAIGHT(FOR CLUTCH HOUSING SET)
L=23,OD=8
L=22,OD=10
11434CPIN, STRAIGHT (FOR CYLINDER HEAD SET)
L=15,OD=8
L=10.5,OD=15
L=20,OD=16
11434DPIN, STRAIGHT(FOR ENGINE REAR OIL SEAL)
L=14,OD=6
L=11,OD=6
11434HPIN, RING (FOR TIMING BELT COVER SET)
11434XPIN, RING(FOR CHAIN CACE)
11448ORIFICE, CYLINDER BLOCK OIL
11452GUIDE, OIL LEVEL GAGE
11452BRING, O(FOR OIL LEVEL GAGE GUIDE)
12101BGASKET(FOR OIL PAN DRAIN PLUG)
12102APAN SUB-ASSY, OIL, NO.2
12121PLATE, OIL PAN BAFFLE, NO.1
1301
1302
1501
15301GAGE SUB-ASSY, OIL LEVEL
15605VALVE SUB-ASSY, OIL CHECK
15708NOZZLE SUB-ASSY, OIL, NO.1
19312PROTECTOR, CRANK POSITION SENSOR
9010510114
main90105-10114
9011606014
main90116-06014
9011606133
main90116-06133
9011608116
main90116-08116
9011906600
main90119-06600
9017906080
main90179-06080
9017906222
main90179-06222
9017908040
main90179-08040
9090126001
main90901-26001
9095001803
main90950-01803
91511B0812
main91511-B0812
91511B0814
main91511-B0814
91511B0825
main91511-B0825
91511B0850
main91511-B0850
91512G1025
main91512-G1025
43 parts on this diagram · 5 diagrams in section