E
EPC Data

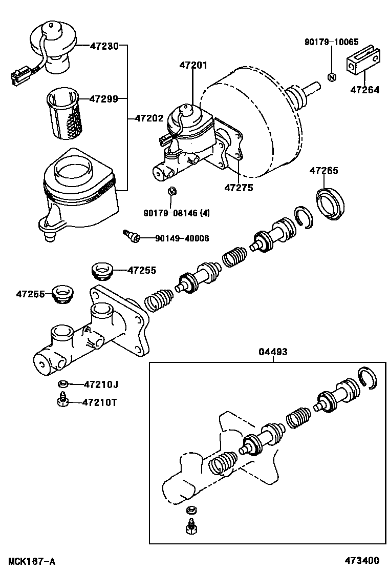
BRAKE MASTER CYLINDER

Parts diagram
04493CYLINDER KIT, BRAKE MASTER
main04493-28090i199208-199501
W(ABS)
main04493-3D010i199909
main04493-3D010i199501-199901
W(ABS)
main04493-60210i199001-199501
main04493-60280i199208-199909
47201CYLINDER SUB-ASSY, BRAKE MASTER
main47201-60400i199001-199208
main47201-60460i199001-199208
W(LSPV)
main47201-60530i199501-200103
main47201-60540i199208-200109
main47201-60551i199909
main47201-60551i199501-199801
W(ABS)
main47201-60560i199208-199501
W(ABS)
main47201-60570i199405-199501
main47201-60571i199501-199909
main47201-60580i199405-199501
W(ABS)
main47201-60610i199501-199901
W(ABS)
main47201-60620i199501-199801
W(ABS)
47202RESERVOIR SUB-ASSY, BRAKE MASTER CYLINDER
main47202-60130i199001-199208
main47202-60140i199001-199208
W(LSPV)
main47220-60030i199208-200109
main47220-60040i199208-199501
W(ABS)
main47220-60050i199405-200103
main47220-60060i199405-199901
W(ABS)
main47220-60070i199501
47210JGASKET(FOR MASTER CYLINDER)
main90430-06104i199001-199208
47210TBOLT(FOR BRAKE MASTER CYLINDER)
main90109-06077i199001-199208
47230CAP ASSY, BRAKE MASTER CYLINDER RESERVOIR FILLER
main47230-12040i199405-200109
main47230-20100i199208-199405
main47230-20140i199405-200103
main84460-40020i199001-199208
main84460-60020i199501
47255GROMMET, MASTER CYLINDER RESERVOIR
main47255-16010i199001-199208
47264CLEVIS, MASTER CYLINDER PUSH ROD
main47264-50010i199001-199208
47265BOOT, MASTER CYLINDER
main47265-20050i199001-199405
47275GASKET, BRAKE MASTER CYLINDER
main47275-12020i199501-200103
main47275-24010i199001-199501
47299STRAINER, BRAKE MASTER CYLINDER RESERVOIR
main47299-24010i199208-200109
main47299-32010i199001-199208
9014940006
9017908146
9017910065

14 parts on this diagram · 3 diagrams in section

BRAKE MASTER CYLINDER — Toyota Parts Diagram with OEM Numbers & Prices | EPC Data