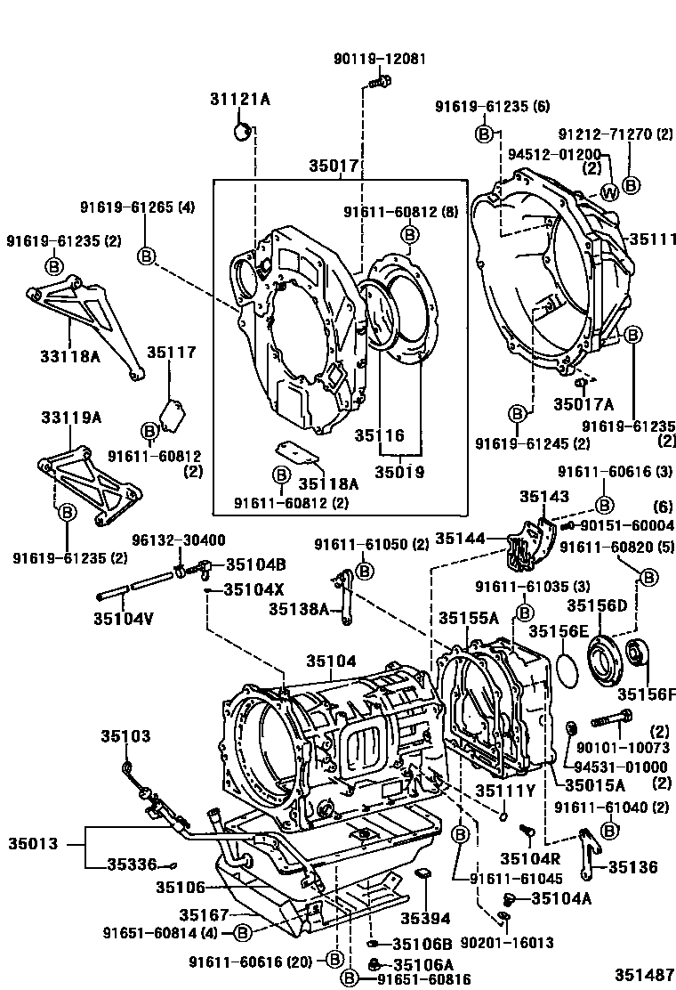
TRANSMISSION CASE & OIL PAN (ATM)

31121ACOVER, TRANSMISSION HOUSING ADAPTER
33118APLATE, STIFFENER, RH(ATM)
33119APLATE, STIFFENER, LH(ATM)
35013TUBE SUB-ASSY, TRANSMISSION OIL FILLER
35015AADAPTER SUB-ASSY, TRANSMISSION CASE, REAR
35017ADAPTER SUB-ASSY, TRANSMISSION HOUSING, FRONT
35017APIN, STRAIGHT(FOR TRANSMISSION HOUSING ADAPTER, FRONT)
35019COVER SUB-ASSY, TRANSMISSION CASE DUST
35103GAGE SUB-ASSY, TRANSMISSION OIL LEVEL
35104CASE SUB-ASSY, AUTOMATIC TRANSMISSION
W(CRUISE CONTROL)
W(CRUISE CONTROL)
W(CRUISE CONTROL)
35104APLUG, AUTOMATIC TRANSMISSION CASE
35104BPLUG, BREATHER, NO.1 (ATM)
35104RPLUG, NO.2 (FOR TRANSAXLE CASE)
35104VHOSE (FOR BREATHER PLUG)
35104XRING, O (FOR BREATHER PLUG)
35106PAN SUB-ASSY, AUTOMATIC TRANSMISSION OIL
35106APLUG SUB-ASSY, DRAIN (ATM)
35106BGASKET, DRAIN PLUG (ATM)
35111HOUSING, AUTOMATIC TRANSMISSION
35111YRING, O (FOR AUTOMATIC TRANSMISSION CASE)
35116SEAL, TRANSMISSION CASE DUST
35117COVER, ADAPTER, NO.1
35118ACOVER, ADAPTER, NO.2
35136HANGER, TRANSMISSION,NO.1
35138AHANGER, TRANSMISSION, NO.2
35143COVER, TRANSMISSION CASE, REAR
35144GASKET, TRANSMISSION CASE REAR COVER
35155AGASKET, TRANSMISSION CASE ADAPTER
35156DCOVER, TRANSMISSION CASE REAR ADAPTER
35156ERING, O(FOR TRANSMISSION CASE REAR ADAPTER COVER)
35156FSEAL, OIL(FOR TRANSMISSION CASE REAR ADAPTER COVER)
35167PROTECTOR, TRANSMISSION OIL PAL
35336RING, O (FOR TRANSMISSION OIL FILLER TUBE)
35394MAGNET, OIL CLEANER (FOR TRANSMISSION)
9010110073
main90101-10073
9011912081
main90119-12081
9015160004
main90151-60004
9020116013
main90201-16013
9121271270
main91212-71270
9161160616
main91611-60616
9161160812
main91611-60812
9161160820
main91611-60820
9161161035
main91611-61035
9161161040
main91611-61040
9161161045
main91611-61045
9161161050
main91611-61050
9161961235
main91619-61235
9161961245
main91619-61245
9161961265
main91619-61265
9165160814
main91651-60814
9165160816
main91651-60816
9451201200
main94512-01200
9453101000
main94531-01000
9613230400
main96132-30400
54 parts on this diagram · 3 diagrams in section