E
EPC Data

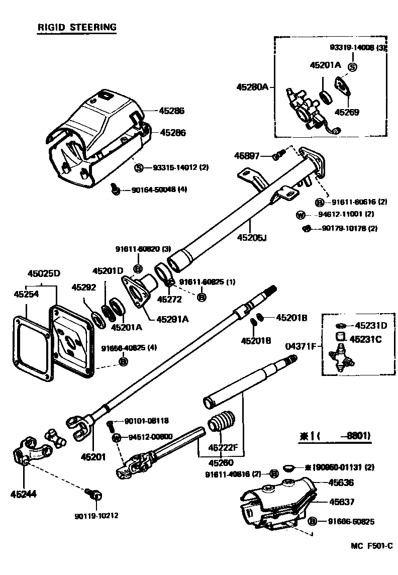
STEERING COLUMN & SHAFT

Parts diagram
04371FSPIDER KIT, UNIVERSAL JOINT(FOR STEERING MAIN SHAFT)
main04371-10011i198708-199203
45025DCOVER SUB-ASSY, STEERING COLUMN HOLE, NO.1
main45025-60010i198708-199203
VENEZUELA CKD SPEC & W(TILT STEERING)
main45025-60020i198708-199001
SOUTH AFRICA SPEC & W(TILT & COLLAPSIBLE STEERING)
main45025-60020i198708-199203
W(TILT & COLLAPSIBLE STEERING)
45201SHAFT SUB-ASSY, STEERING MAIN
main45201-60080i198708-199203
45201ABEARING(FOR STEERING MAIN SHAFT)
main90363-18001i198708-199203
W(TILT STEERING),UPR
main90363-18001i198708-199001
UPR
main90363-18038i198708-199203
UPR
main90363-28001i198708-199203
CTR
main90363-30007i198708-199203
LWR
45201BRING, SHAFT SNAP(FOR STEERING MAIN SHAFT)
main90520-17042i198708-199203
T=1.20,VENEZUELA SPEC
main90520-17042i198708-199203
T=1.20
main90520-17042i198708-199001
T=1.20,SOUTH AFRICA SPEC
main90520-17269i198708-199203
T=1.20
45201DRING(FOR STEERING MAIN SHAFT)
main96151-04700i198708-199203
VENEZUELA CKD SPEC & W(TILT STEERING)
main96152-00300i198708-199001
SOUTH AFRICA SPEC & W(TILT & COLLAPSIBLE STEERING)
main96152-00300i198708-199203
W(TILT & COLLAPSIBLE STEERING)
45205JTUBE SUB-ASSY, STEERING COLUMN, UPPER
main45205-60070i198708-199203
main45205-60080i198708-199203
W(TILT STEERING)
45222FCOVER, DUST
main45222-60031i198708-199203
45231CBEARING, UNIVERSAL JOINT SPIDER(FOR STEERING MAIN SHAFT)
main37402-10020i198708-199203
45231DRING, HOLE SNAP(FOR STEERING MAIN SHAFT)
main90521-22011i198708-199203
main90521-22012i198708-199203
main90521-22013i198708-199203
45244YOKE, STEERING WORM
main45244-60020i198708-199203
45254SHIELD, STEERING COLUMN HOLE
main45254-60030i198708-199203
45260SHAFT ASSY, STEERING INTERMEDIATE, NO.2
main45260-60080i198708-199203
45269RETAINER, MAIN SHAFT BEARING
main45269-35010i198708-199203
45272CLAMP, STEERING COLUMN, LOWER
main45272-35020i198708-199203
45280ABRACKET ASSY, STEERING COLUMN, UPPER
main45280-60110i198708-199001
SOUTH AFRICA SPEC & W(TILT & COLLAPSIBLE STEERING)
main45280-60210i198708-199001
main45280-60220i198708-199001
W(TILT STEERING)
main45280-60230i198708-199203
main45280-60240i198708-199203
W(TILT STEERING) OR W(TILT & COLLAPSIBLE STEERING)
main45280-60240i198708-199001
45286COVER, STEERING COLUMN
main45286-22250-03i198708-199001
GRAY,TRIM1#,UPR
main45286-22250-03i198708-199001
SOUTH AFRICA SPEC & W(TILT & COLLAPSIBLE STEERING),GRAY,TRIM1#,UPR
main45286-22250-16i198708-199001
W(TILT STEERING),SEPIA BROWN,TRIM4#,UPR
main45286-22250-16i198708-199001
SEPIA BROWN,TRIM4#,UPR
main45286-22250-16i198708-199001
SOUTH AFRICA SPEC & W(TILT & COLLAPSIBLE STEERING),SEPIA BROWN,TRIM4#,UPR
main45286-60050-03i198708-198812
GRAY,TRIM1#,UPR
main45286-60050-16i198708-198812
SEPIA BROWN,TRIM4#,UPR
main45286-60110-03i198708-198812
GRAY,TRIM1#,UPR
main45286-60110-16i198708-198812
SEPIA BROWN,TRIM4#,UPR
main45286-60130-03i198708-199203
W(TILT STEERING) OR W(TILT & COLLAPSIBLE STEERING),GRAY,TRIM1#,UPR
main45286-60130-03i198708-199001
GRAY,TRIM1#,UPR
main45286-60130-16i198708-199203
W(TILT STEERING) OR W(TILT & COLLAPSIBLE STEERING),SEPIA BROWN,TRIM4#,UPR
main45286-60130-16i198708-199001
SEPIA BROWN,TRIM4#,UPR
main45286-60934-03i198902-199001
GRAY,TRIM1#
main45286-60934-16i198902-199001
SEPIA BROWN,TRIM4#
main45286-60935-03i198902-199203
GRAY,TRIM1#
main45286-60935-16i198902-199203
SEPIA BROWN,TRIM4#
main45287-22170-03i198708-199001
SOUTH AFRICA SPEC & W(TILT & COLLAPSIBLE STEERING),GRAY,TRIM1#,LWR
main45287-22170-03i198708-199001
GRAY,TRIM1#,LWR
main45287-22170-16i198708-199001
SEPIA BROWN,TRIM4#,LWR
main45287-22170-16i198708-199001
W(TILT STEERING),SEPIA BROWN,TRIM4#,LWR
main45287-22170-16i198708-199001
SOUTH AFRICA SPEC & W(TILT & COLLAPSIBLE STEERING),SEPIA BROWN,TRIM4#,LWR
main45287-60050-03i198708-198812
GRAY,TRIM1#,LWR
main45287-60050-16i198708-198812
SEPIA BROWN,TRIM4#,LWR
main45287-60080-03i198708-198812
GRAY,TRIM1#,LWR
main45287-60080-16i198708-198812
SEPIA BROWN,TRIM4#,LWR
main45287-60090-03i198708-199203
W(TILT STEERING) OR W(TILT & COLLAPSIBLE STEERING),GRAY,TRIM1#,LWR
main45287-60090-03i198708-199001
GRAY,TRIM1#,LWR
main45287-60090-16i198708-199001
SEPIA BROWN,TRIM4#,LWR
main45287-60090-16i198708-199203
W(TILT STEERING) OR W(TILT & COLLAPSIBLE STEERING),SEPIA BROWN,TRIM4#,LWR
45291SEAL, MAIN SHAFT UPPER DUST
main45282-22010i198708-199203
45291ASUPPORT, STEERING COLUMN TUBE
main45291-35020i198708-199203
45292SEAL, MAIN SHAFT LOWER DUST
main45292-35030i198708-199203
VENEZUELA CKD SPEC & W(TILT STEERING)
main45292-60030i198708-199001
SOUTH AFRICA SPEC & W(TILT & COLLAPSIBLE STEERING)
main45292-60030i198708-199203
W(TILT & COLLAPSIBLE STEERING)
45636PROTECTOR, INTERMEDIATE LINK JOINT, UPPER
main45636-60070i198708-199001
main45636-60080i198708-199001
main45636-60090i198708-199203
45637PROTECTOR, INTER LINK JOINT, LWR NO.1
main45637-60050i198708-199001
main45637-60060i198708-199203
45897BOLT, STEERING LOCK SET
main45897-12030i198708-199203
main45897-14010i198708-199203
W(TILT STEERING)
9010108118
9011910212
9016450048
9017910178
9095001131
9161140816
9161160616
9161160820
9161160825
9165640825
9166660825
9331514012
9331914008
9451200800
9461211001

38 parts on this diagram · 3 diagrams in section

STEERING COLUMN & SHAFT — Toyota Parts Diagram with OEM Numbers & Prices | EPC Data