E
EPC Data

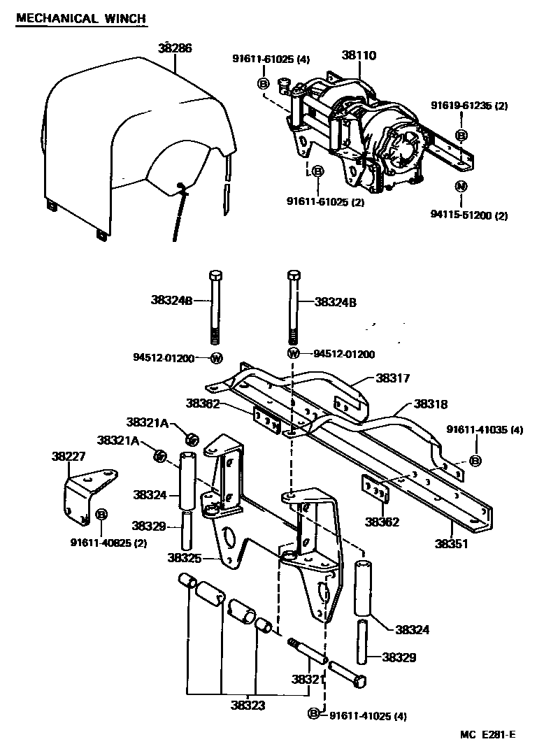
WINCH

Parts diagram
38110WINCH ASSY
main38110-60140i198708-199203
MECHANICAL WINCH
main38110-60150i198708-199203
ELECTRIC WINCH
38227PLATE, WINCH CLUTCH LEVER SHIFT LOCK
main38227-60050i198708-199203
38286COVER, WINCH
main38286-60050i198708-199203
W(MECHANICAL WINCH)
main38286-60060i198708-199203
W(ELECTRIC WINCH)
38317SUPPORT, ROLLER BRACKET, NO.1
main38317-60030i198708-199203
38318SUPPORT, ROLLER BRACKET, NO.2
main38318-60030i198708-199203
38321SHAFT, WINCH ROLLER
main38321-60010×2i198708-199203
W(MECHANICAL WINCH)
main38321-60150×2i198708-199203
W(ELECTRIC WINCH)
38321ANUT, HEXAGON (FOR WINCH ROLLER SHAFT)
main90170-14057×2i198708-199203
38323ROLLER, WINCH WIRE GUIDE, NO.1
main38302-60010×2i198708-199203
W(MECHANICAL WINCH)
main38323-60150×2i198708-199203
W(ELECTRIC WINCH)
38324ROLLER, WINCH WIRE GUIDE, NO.2
main38324-60040×2i198708-199203
W(ELECTRIC WINCH)
main38324-60150×2i198708-199203
W(MECHANICAL WINCH)
38324BBOLT, HEXAGON (FOR WINCH WIRE GUIDE ROLLER)
main90101-12029×2i198708-199203
38325BRACKET, WINCH ROLLER, NO.1
main38325-60140i198708-199203
W(MECHANICAL WINCH)
main38325-60150i198708-199203
W(ELECTRIC WINCH)
38329SPACER, WINCH WIRE GUIDE ROLLER
main38329-60040×2i198708-199203
W(ELECTRIC WINCH)
main90387-13027×2i198708-199203
W(MECHANICAL WINCH)
38351BASE, WINCH
main38351-60040i198708-199203
38362SPACER, WINCH ROLLER BRACKET
main38362-60020×2i198708-199203
9161140825
9161141025
9161141035
9161161025
9161961235
9411551200
9451201200

21 parts on this diagram · 6 diagrams in section

WINCH — Toyota Parts Diagram with OEM Numbers & Prices | EPC Data