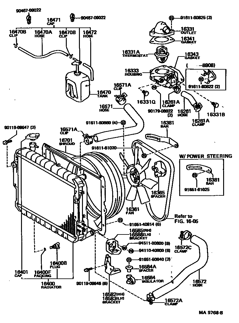
RADIATOR & WATER OUTLET

1605V-BELT
16261HOSE, WATER BY-PASS
16261ACLAMP OR CLIP, HOSE(FOR WATER BY-PASS HOSE)
16331OUTLET, WATER
16331ATHERMOSTAT
*WAX 82-95
*WAX 88-100
*WAX 82-95
*WAX 88-100
*WAX 82-95
16331BPLUG(FOR WATER OUTLET)
16331QPLUG(FOR WATER OUTLET)
16333HOUSING, WATER OUTLET
W(HEATER)
16341GASKET, WATER OUTLET
16343GASKET, WATER OUTLET HOUSING
16361FAN
TEMPERED TYPE
16365SPACER, FAN
16381BAR, FAN BELT ADJUSTING
W(POWER STEERING),W/POWER STEERING
W(POWER STEERING)
16400RADIATOR ASSY
AIR CONDITIONER(SINGLE)
AIR CONDITIONER(DUAL,HIGH ROOF)
16400BPLUG, RADIATOR DRAIN COCK
16400FPACKING(FOR RADIATOR DRAIN COCK)
16401CAP SUB-ASSY, RADIATOR
16470TANK ASSY, RADIATOR RESERVE
16470AHOSE OR PIPE(FOR RADIATOR RESERVE TANK)
L=600(*H,L=580)
L=600
16470BCLAMP OR CLIP(FOR RADIATOR RESERVE TANK HOSE)
16471CAP SUB-ASSY, RESERVE TANK
16472HOSE, BREATHER
16571HOSE, RADIATOR, INLET
16571ACLAMP OR CLIP, HOSE(FOR RADIATOR INLET)
16572HOSE, RADIATOR, OUTLET
WATER PUMP SIDE
RADIATOR SIDE
16572ACLAMP OR CLIP, HOSE(FOR RADIATOR OUTLET NO.1)
ID=56
16572CCLAMP OR CLIP, HOSE(FOR RADIATOR OUTLET NO.2)
16582BRACKET, RADIATOR, NO.1
16583BRACKET, RADIATOR, NO.2
16584INSULATOR, RADIATOR MOUNTING
16584ASPACER, RADIATOR MOUNTING INSULATOR
16585BRACKET, RADIATOR, NO.3
16586BRACKET, RADIATOR, NO.4
16701SHROUD SUB-ASSY, FAN
AIR CONDITIONER(SINGLE) OR TEMPERED TYPE
main16711-61240i3F..FJ62..4FC; 3F..FJ62..5F..HRF..VX;3F..FJ62..HRF..GX..(ARL,GEN); 3F..FJ62..5F..SRF..VX;3F..FJ62..MTM..SRF..GX..(ARL,GEN); 3F..FJ62..HRF..STD; 3F..FJ62..SRF..STD..GEN198708-198808
AIR CONDITIONER(DUAL,HIGH ROOF); AIR CONDITIONER(DUAL,LOW ROOF)
AIR CONDITIONER(DUAL,LOW ROOF)
9011908646
main90119-08646
9011908647
main90119-08647
9017908022
main90179-08022
9046709022
main90467-09022
9161160822
main91611-60822
9161160825
main91611-60825
9161160860
main91611-60860
9161161020
main91611-61020
9165140814
main91651-40814
9165160840
main91651-60840
9165161025
main91651-61025
9411040800
main94110-40800
9451100800
main94511-00800
47 parts on this diagram · 3 diagrams in section