E
EPC Data
Pricing
Sign In
Home
›
GR
›
791330
›
ENGINE OVERHAUL GASKET KIT
ENGINE OVERHAUL GASKET KIT
0001 1
0002 1
0003 1
0004 1
0005 1
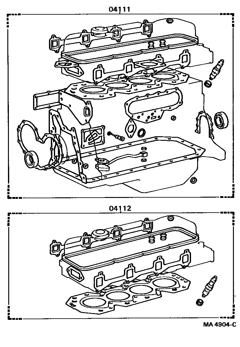
04111
GASKET KIT, ENGINE OVERHAUL
main
04111-58050
i
3B..BJ60
198708-198808
main
04111-58060
i
3B..BJ60
198808-199001
main
04111-61052
i
3F..FJ62
198708-199001
main
04111-61055
i
3F..FJ62
199001-199103
main
04111-61058
i
3F..FJ62
199103-199203
main
04111-68021
i
2H..HJ60
198708-199001
main
04111-68030
i
12HT..HJ61
198708-199001
04112
GASKET KIT, ENGINE VALVE GRIND
main
04112-58040
i
3B..BJ60
198708-198808
main
04112-58050
i
3B..BJ60
198808-199001
main
04112-61050
i
3F..FJ62
198708-199001
main
04112-61051
i
3F..FJ62
199001-199203
main
04112-68020
i
2H..HJ60
198708-199001
main
04112-68030
i
12HT..HJ61
198708-199001
2 parts on this diagram · 5 diagrams in section
ENGINE OVERHAUL GASKET KIT — Toyota Parts Diagram with OEM Numbers & Prices | EPC Data