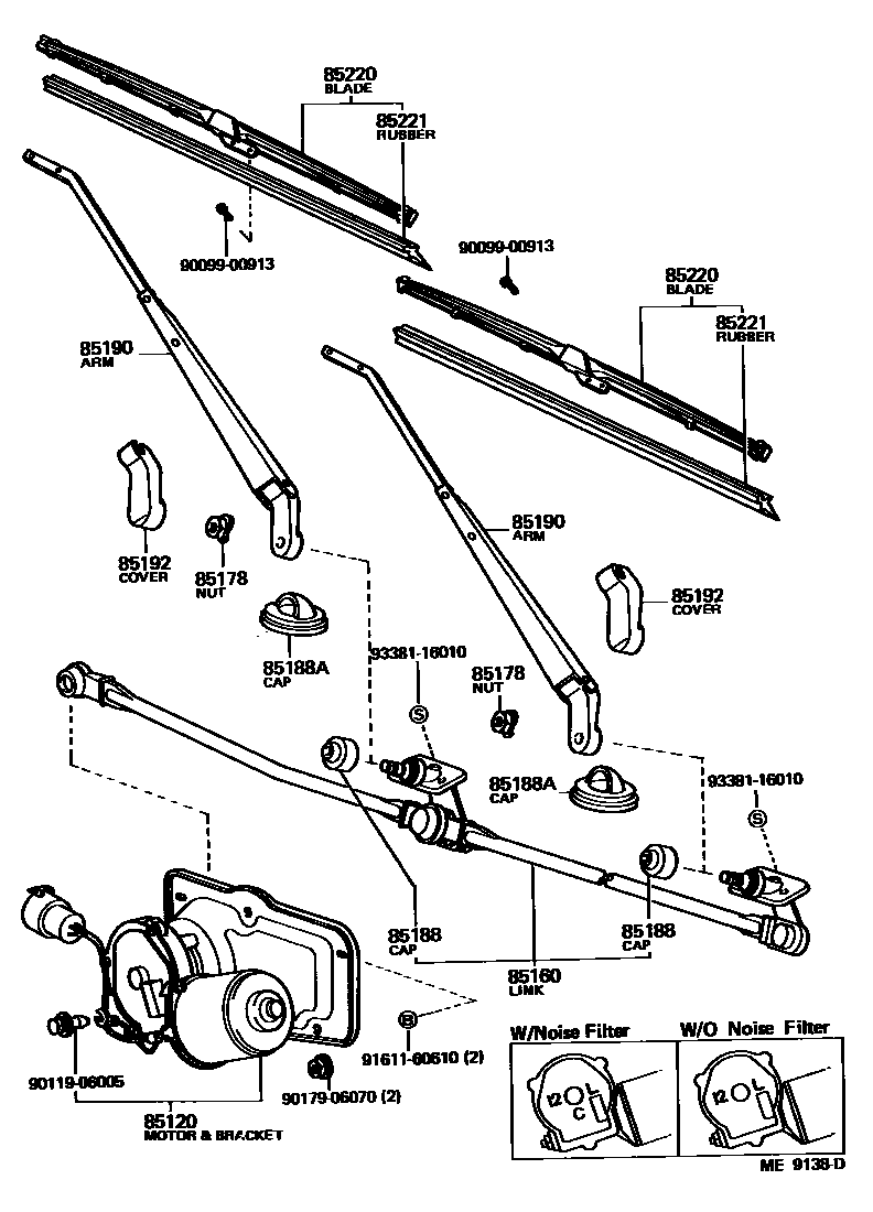
85120MOTOR AND BRACKET ASSY, WINDSHIELD WIPER
main85120-90A11iBJ60,FJ60,HJ60..RHD..(ARL,GEN)198210-198411 12V
main85120-90A13iBJ60,FJ6#,HJ60..RHD..(ARL,GEN)198008-198510 12V,W/NOISE FILTER
main85120-90A15iBJ60,FJ62,HJ60..LHD..GEN; FJ62..WGV..ME;FJ62..WGG..SRF..SOB198510-198708 12V
main85120-90A17iBJ60,FJ6#,HJ60..LHD..(GEN,ME)198008-198708 12V,W/NOISE FILTER
main85120-90A25iBJ60,FJ62,HJ6#..RHD..(ARL,GEN)198510-198708 12V,W/NOISE FILTER
85160LINK ASSY, WINDSHIELD WIPER
85178NUT (FOR FRONT WIPER ARM SETTING)
85188CAP, WINDSHIELD WIPER PIVOT, NO.1
85188ACAP, WINDSHIELD WIPER PIVOT, NO.2
85190ARM ASSY, WINDSHIELD WIPER
main85190-90A01iBJ60,FJ6#,HJ6#..RHD..(ARL,GEN)198008-198708 RH
main85190-90A02iBJ60,FJ6#,HJ60..LHD..(GEN,ME)198008-198708 LH
main85210-90A00iBJ60,FJ6#,HJ6#..RHD..(ARL,GEN)198008-198708 LH
main85210-90A01iBJ60,FJ6#,HJ60..LHD..(GEN,ME)198008-198708 RH
85192COVER, WINDSHIELD WIPER ARM
85220BLADE ASSY, WINDSHIELD WIPER
main85220-16160iBJ60,FJ60,HJ60..RHD..(ARL,GEN)198210-198307 RH
main85220-16410iBJ60,FJ6#,HJ6#..RHD..(ARL,GEN)198311-198708 RH
main85220-16420iBJ60,FJ6#,HJ6#..RHD..(ARL,GEN)198311-198708 LH
main85220-90A00×2iBJ60,FJ60,HJ60..RHD..(ARL,GEN)198008-198210 main85220-90A01×2iBJ60,FJ60,HJ60..LHD..GEN198008-198210 85221BLADE, WINDSHIELD WIPER
main85221-12120×2iBJ60,FJ60,HJ60..LHD..GEN198210-198307 main85221-30080×2iBJ60,FJ60,HJ60..RHD..(ARL,GEN)198210-198307 main85221-30100×2iBJ60,FJ6#,HJ6#..LHD; HJ60..RHD..EUR198311-198708 main85221-30120×2iBJ60,FJ6#,HJ6#..RHD..(ARL,GEN)198311-198708 main85221-90A00×2iBJ60,FJ60,HJ60..LHD..GEN; BJ60,FJ60,HJ60..RHD..(ARL,GEN)198008-198210