E
EPC Data

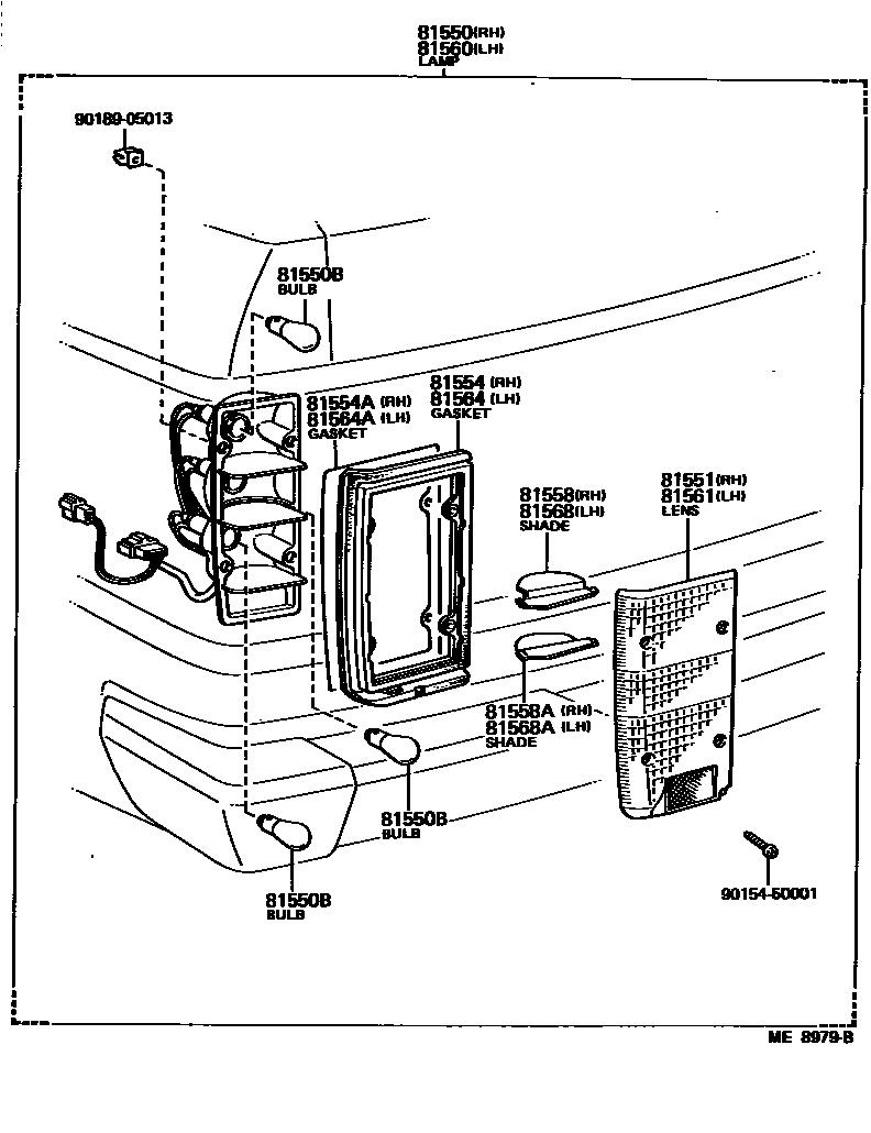
REAR COMBINATION LAMP

Parts diagram
81550LAMP ASSY, REAR COMBINATION, RH
main81550-69065i198008-198411
12V
main81550-69075i198008-198110
24V
main81550-69085i198008-198411
12V
main81550-69095i198008-198411
24V
main81550-69205i198411-198612
12V
main81550-69215i198411-198510
24V
main81550-69225i198411-198612
12V
main81550-69235i198411-198612
24V
main81550-90A12i198612-198708
12V
main81550-90A14i198612-198708
12V; 12V,*SA
main81550-90A15i198612-198708
24V
81550BBULB(FOR REAR COMBINATION LAMP)
main90981-16014×4i198008-198708
24V 21W,24V 21W(TURN OR BACK)
main90981-16015×2i198008-198110
24V 21/5W,24V 21/5W(STOP/TAIL)
main99132-11210×4i198008-198708
12V 21W,12V 21W(TURN OR BACK)
main99132-11230×4i198008-198708
12V 23W,12V 23W(TURN OR BACK)
main99132-21210×2i198008-198708
12V 21/5W,12V 21/5W(STOP/TAIL)
main99134-11250×4i198110-198510
24V 25W,24V 25W(TURN OR BACK)
81551LENS, REAR COMBINATION LAMP, RH
main81551-90A00i198008-198708
81554GASKET, REAR COMBINATION LAMP BODY, RH
main81552-90A00i198008-198708
81554AGASKET, REAR COMBINATION LAMP BODY, NO.1 RH
main81554-90A12i198612-198708
81558SHADE, REAR COMBINATION LAMP, NO.1 RH
main81557-90A00i198008-198708
81558ASHADE, REAR COMBINATION LAMP, NO.2 RH
main81558-90A00i198008-198708
81560LAMP ASSY, REAR COMBINATION, LH
main81560-69065i198008-198411
12V
main81560-69075i198110-198411
24V
main81560-69085i198008-198411
12V
main81560-69095i198008-198411
24V
main81560-69205i198411-198612
12V
main81560-69215i198411-198510
24V
main81560-69225i198411-198612
12V
main81560-69235i198411-198612
24V
main81560-90A12i198612-198708
12V
main81560-90A14i198612-198708
12V; 12V,*SA
main81560-90A15i198612-198708
24V
81561LENS, REAR COMBINATION LAMP, LH
main81561-90A00i198008-198708
81564GASKET, REAR COMBINATION LAMP BODY, LH
main81562-90A00i198008-198708
81564AGASKET, REAR COMBINATION LAMP BODY, NO.1 LH
main81564-90A12i198612-198708
81568SHADE, REAR COMBINATION LAMP, NO.1 LH
main81557-90A00i198008-198708
81568ASHADE, REAR COMBINATION LAMP, NO.2 LH
main81558-90A00i198008-198708
9015450001
9018905013

15 parts on this diagram · 1 diagram in section