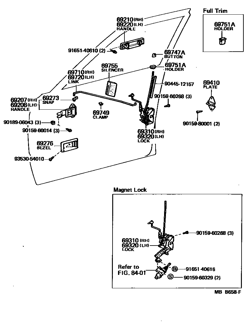
FRONT DOOR LOCK & HANDLE

69207HANDLE SUB-ASSY, FRONT DOOR INSIDE, RH
69208HANDLE SUB-ASSY, FRONT DOOR INSIDE, LH
69210HANDLE ASSY, FRONT DOOR, OUTSIDE RH
69220HANDLE ASSY, FRONT DOOR OUTSIDE, LH
69273SNAP, DOOR INSIDE HANDLE ROD
69276BEZEL, FRONT DOOR INSIDE HANDLE
DARK BROWN,BROWN,TRIM4#
SHADOW GRAY,GRAY,TRIM1#
SEPIA BROWN,SEPIA BROWN,TRIM4#
69310LOCK ASSY, FRONT DOOR, RH
MAGNET LOCK
69320LOCK ASSY, FRONT DOOR, LH
MAGNET LOCK
69410PLATE ASSY, FRONT DOOR LOCK STRIKER
69710LINK ASSY, FRONT DOOR OPEN CONTROL, RH
69720LINK ASSY, FRONT DOOR OPEN CONTROL, LH
69747ABUTTON, DOOR LOCKING(FOR FRONT DOOR)
SHADOW GRAY,GRAY,TRIM1#
DARK BROWN,BROWN,TRIM4#
SHADOW GRAY,SHADOW GRAY,TRIM1#
SEPIA BROWN,SEPIA BROWN,TRIM4#
69749CLAMP, FRONT DOOR LOCK LINK
69751AHOLDER, DOOR LOCKING(FOR FRONT DOOR)
SEMI TRIM,S-GRAY,SHADOW GRAY,TRIM1#
SEMI TRIM,SEPIA BROWN,SEPIA BROWN,TRIM4#
FULL TRIM
FULL TRIM
FULL TRIM
SEMI TRIM,S-GRAY,GRAY,TRIM1#
SEMI TRIM,D-BROWN,BROWN,TRIM4#
69755SILENCER, FRONT DOOR LOCK LINK
8401SWITCH & RELAY & COMPUTER
9015960014
main90159-60014
9015960268
main90159-60268
9015960329
main90159-60329
9015980001
main90159-80001
9018906043
main90189-06043
9044512157
main90445-12157
9165140610
main91651-40610
9165140616
main91651-40616
9353054010
main93530-54010
25 parts on this diagram · 1 diagram in section