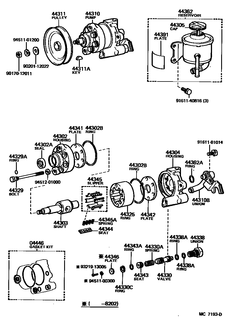
VANE PUMP & RESERVOIR (POWER STEERING)

44302HOUSING SUB-ASSY, VANE PUMP, FRONT
44302ASEAL, OIL, NO.1(FOR VANE PUMP HOUSING)
44302BRING, O, NO.1(FOR VANE PUMP HOUSING)
44303SHAFT SUB-ASSY, W/ROTOR
L=39.9750-39.9775
L=39.9725-39.9750
44304HOUSING SUB-ASSY, VANE PUMP, REAR
44310BUNION(FOR VANE PUMP)
44311PULLEY, VANE PUMP
44311AKEY, VANE PUMP PULLEY
44325RING, FIXED(FOR VANE PUMP)
MARK 1,L=39.9950-39.9975
MARK 2,L=39.9975-40.0000
44329BOLT, VANE PUMP FRONT HOUSING & REAR HOUSING SET
L=76.5
L=78.5
44329ARING, O(FOR VANE PUMP HOUSING SET BOLT)
44330VALVE ASSY, FLOW CONTROL
MARK A
MARK B
MARK C
MARK D
MARK E
MARK F
44330ASPRING, COMPRESSION(FOR FLOW CONTROL VALVE)
44330CRING, SNAP(FOR FLOW CONTROL VALVE)
44338UNION, PRESSURE PORT
44338ARING, O(FOR PRESSURE PORT UNION)
OD=25.5,ID=22.5,OD=25.5
ID=14,OD=17
OD=17.0,ID=13.0
44341PLATE, VANE PUMP SIDE, FRONT
44342PLATE, VANE PUMP SIDE, REAR
44343SEAT, FLOW CONTROL SPRING
44343ARING, O(FOR FLOW CONTROL SPRING SEAT)
OD=17.6
44344SEAT, SPRING(FOR VANE PUMP)
44345SLIPPER, VANE PUMP
NO MARK,L=39.942-39.937
NO MARK,L=39.937-39.932
44345ASPRING, COMPRESSION(FOR VANE PUMP SLIPPER)
44346PLATE, SNAP RING LOCK
44362RESERVOIR, OIL(FOR VANE PUMP)
44362ARING, O(FOR VANE PUMP OIL RESERVOIR)
44391PLATE, POWER STEERING OIL RESERVOIR CAUTION
9017012011
main90170-12011
9020112022
main90201-12022
9161140816
main91611-40816
9161161014
main91611-61014
9321913005
main93219-13005
9451100300
main94511-00300
9451101200
main94511-01200
9451201000
main94512-01000
38 parts on this diagram · 4 diagrams in section