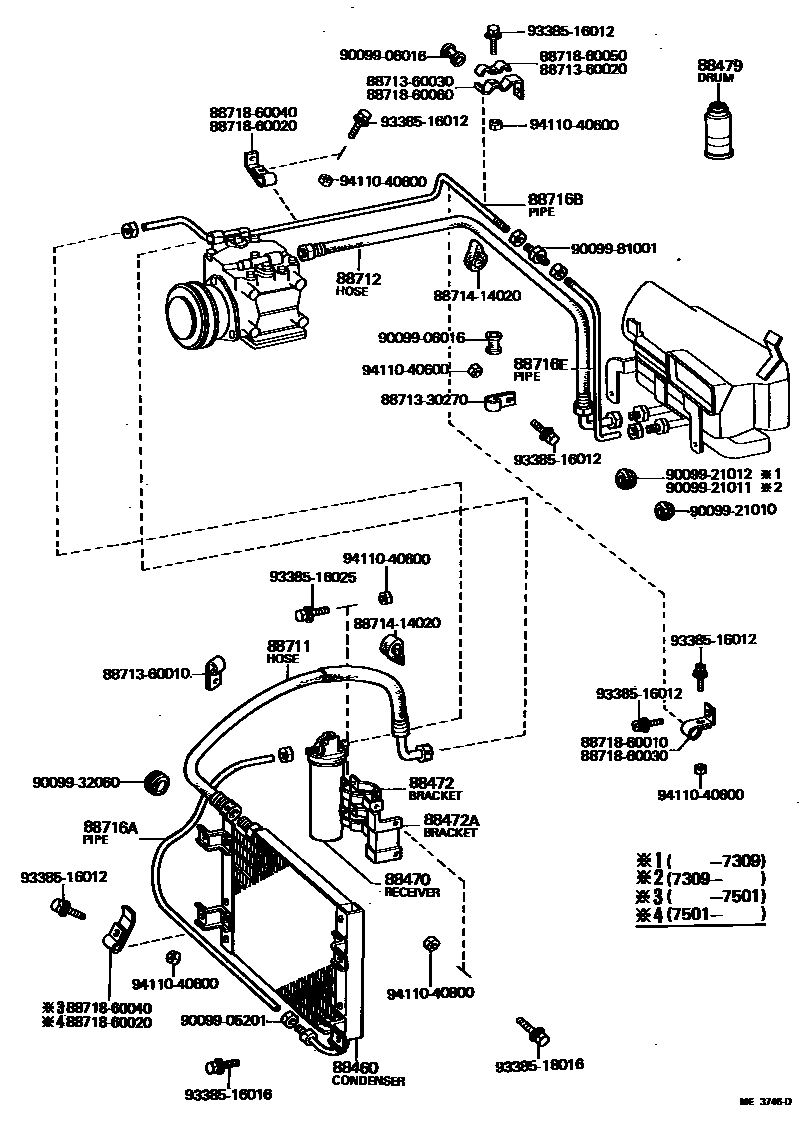
HEATING & AIR CONDITIONING - COOLER PIPING

88460CONDENSER ASSY, COOLER
TASMANIA,VICTORIA SPEC.
88470RECEIVER & DRYER ASSY, COOLER
88472BRACKET, RECEIVER TANK, NO.1
88472ABRACKET, RECEIVER TANK, NO.2
88479FREON GAS, AIR CONDITIONER (DRUM, COOLER REFRIGERANT)
400G
88711HOSE, COOLER REFRIGERANT DISCHARGE, NO.1
FOR 12V
FOR 12V
88712HOSE, COOLER REFRIGERANT SUCTION, NO.1
FOR 12V
88716APIPE, COOLER REFRIGERANT LIQUID, A
88716BPIPE, COOLER REFRIGERANT LIQUID, B
TASMANIA OR VICTORIA SPEC.
FOR 12V
88716EPIPE, COOLER REFRIGERANT LIQUID, E
8871330270HOSE, COOLER REFRIGERANT SUCTION, NO.2
main88713-30270
8871360010HOSE, COOLER REFRIGERANT SUCTION, NO.2
main88713-60010
8871360020HOSE, COOLER REFRIGERANT SUCTION, NO.2
main88713-60020
8871360030HOSE, COOLER REFRIGERANT SUCTION, NO.2
main88713-60030
8871414020HOSE, COOLER REFRIGERANT LIQUID, NO.1
main88714-14020
8871860010PIPE, COOLER REFRIGERANT SUCTION, NO.2
main88718-60010
8871860020PIPE, COOLER REFRIGERANT SUCTION, NO.2
main88718-60020
8871860030PIPE, COOLER REFRIGERANT SUCTION, NO.2
main88718-60030
8871860040PIPE, COOLER REFRIGERANT SUCTION, NO.2
main88718-60040
8871860050PIPE, COOLER REFRIGERANT SUCTION, NO.2
main88718-60050
8871860060PIPE, COOLER REFRIGERANT SUCTION, NO.2
main88718-60060
9009905201
main90099-05201
9009906016
main90099-06016
9009921010
main90099-21010
9009921011
main90099-21011
9009921012
main90099-21012
9009932060
main90099-32060
9009981001
main90099-81001
9338516012
main93385-16012
9338516016
main93385-16016
9338516025
main93385-16025
9338518016
main93385-18016
9411040600
main94110-40600
9411040800
main94110-40800
34 parts on this diagram · 8 diagrams in section