E
EPC Data

TRANSFER VALVE BODY & VALVE LEVER

Parts diagram
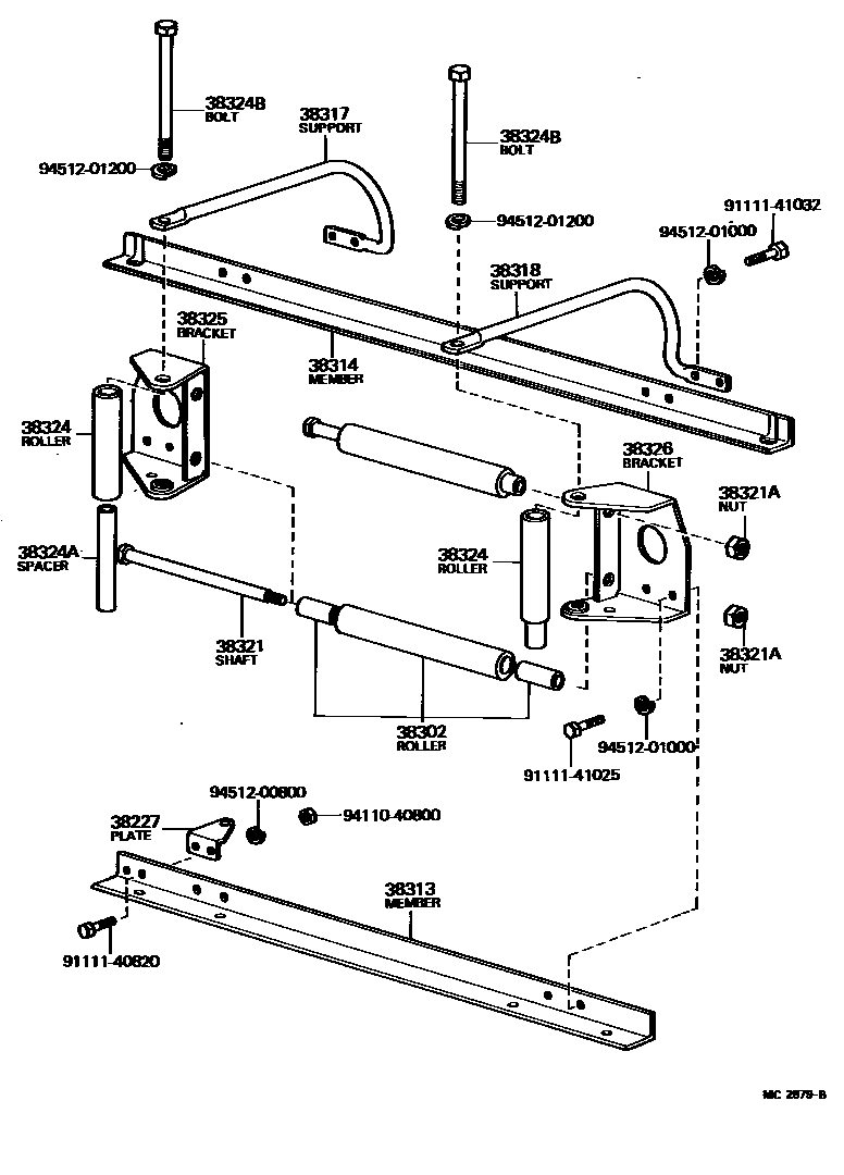
38227PLATE, WINCH CLUTCH LEVER SHIFT LOCK
main38227-60010i196903-198007
38302ROLLER SUB-ASSY, WINCH WIRE GUIDE
main38302-60010i196903-198007
38313MEMBER, FRONT BASE
main38313-60010i196903-198007
main38313-60020i196903-198007
38314MEMBER, REAR BASE
main38314-60010i196903-198007
38317SUPPORT, ROLLER BRACKET, NO.1
main38317-60010i196903-198007
38318SUPPORT, ROLLER BRACKET, NO.2
main38318-60010i196903-198007
38321SHAFT, WINCH ROLLER
main38321-60010i196903-198007
38321ANUT, HEXAGON (FOR WINCH ROLLER SHAFT)
main90170-14057i196903-198007
38324ROLLER, WINCH WIRE GUIDE, NO.2
main38324-60010i196903-198007
MECHANICAL
main38324-60040i197910-198007
ELECTRIC
38324ASPACER, WINCH WIRE GUIDE ROLLER
main90560-13080i196903-198007
38324BBOLT, HEXAGON (FOR WINCH WIRE GUIDE ROLLER)
main90101-12081i196903-196908
main90101-12284i196908-198007
ISO
38325BRACKET, WINCH ROLLER, NO.1
main38325-60010i196903-196908
main38325-60011i196908-197901
ISO
main38325-60011i197901-198007
MECHANICAL
main38325-60040i197910-198007
ELECTRIC
38326BRACKET, WINCH ROLLER, NO.2
main38326-60010i196903-196908
main38326-60011i196908-198007
ISO
9111140820
9111141025
9111141032
9411040800
9451200800
9451201000
9451201200

20 parts on this diagram · 6 diagrams in section

TRANSFER VALVE BODY & VALVE LEVER — Toyota Parts Diagram with OEM Numbers & Prices | EPC Data