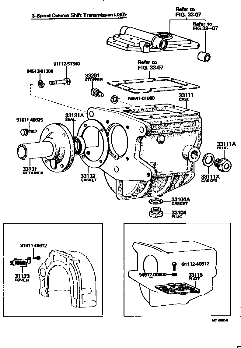
CLUTCH HOUSING & TRANSMISSION CASE (MTM)

31123COVER, CLUTCH HOUSING, NO.2
3307GEAR SHIFT FORK & LEVER SHAFT (MTM)
33104PLUG SUB-ASSY, DRAIN(MTM)
ISO
33104AGASKET, DRAIN PLUG(MTM)
33111CASE, MANUAL TRANSMISSION
FOR 3-SPEED TRANSMISSION
FOR 3-SPEED TRANSMISSION,ISO
FOR 4-SPEED TRANSMISSION
FOR 4-SPEED TRANSMISSION
FOR 4-SPEED TRANSMISSION
33111APLUG, MANUAL TRANSMISSION CASE
33111XGASKET, TRANSMISSION CASE PLUG
33115PLATE, TRANSMISSION OIL FILTER
33131RETAINER, BEARING, FRONT(MTM)
FOR 4-SPEED TRANSMISSION
FOR 4-SPEED TRANSMISSION
FOR 3-SPEED TRANSMISSION
33131ASEAL, OIL(FOR TRANSMISSION FRONT BEARING RETAINER)
33132GASKET, FRONT BEARING RETAINER(MTM)
FOR 4-SPEED TRANSMISSION
FOR 3-SPEED TRANSMISSION
33291STOPPER, SHIFT FORK
9111240812
main91112-40812
9111251340
main91112-51340
9161140612
main91611-40612
9161140825
main91611-40825
9451200800
main94512-00800
9451201300
main94512-01300
9454101000
main94541-01000
19 parts on this diagram · 7 diagrams in section