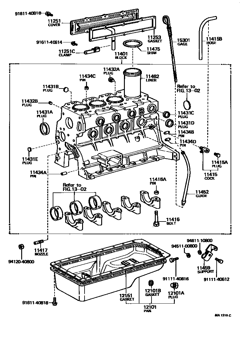
CYLINDER BLOCK

11251COVER, VALVE PUSH ROD
REAR
W/PCV
FRONT
11251CCLAMP(FOR VALVE PUSH ROD COVER)
11253GASKET, VALVE PUSH ROD COVER
11401BLOCK SUB-ASSY, CYLINDER
NEW SOUTH WALES
HONG KONG SPEC.
11415COCK SUB-ASSY, WATER DRAIN(FOR CYLINDER BLOCK)
11415APLUG, WATER DRAIN COCK(FOR CYLINDER BLOCK)
11415BHOSE(FOR DRAIN COCK)
11416BOLT(FOR CRANKSHAFT BEARING CAP SET)
12-1.5PX75-22
12-1.75PX68-26
14-2.0PX63-25
12-1.25PX75-22
12-1.25PX75-22
14-2.0PX67-35
12-1.75PX68-26
11416APIN, RING(FOR CRANKSHAFT BEARING CAP SET)
FOR NO.4
FOR NO.4
FOR NO.1.2.3
FOR NO.1.2.3
11417NOZZLE, OIL
11431APLUG, TIGHT, NO.1(FOR CYLINDER BLOCK)
OD=50
OD=50
OD=51
OD=50
11431BPLUG, TIGHT, NO.2(FOR CYLINDER BLOCK)
OD=24
OD=35
OD=25
OD=35
11431CPLUG, TIGHT, NO.3(FOR CYLINDER BLOCK)
OD=25
OD=30
OD=30
OD=25
OD=30
11431DPLUG, TIGHT, NO.4(FOR CYLINDER BLOCK)
OD=26
OD=35
11431EPLUG, TIGHT, NO.5(FOR CYLINDER BLOCK)
OD=17
OD=21
11432APLUG, W/HEAD TAPER SCREW, NO.1
11432BPLUG, W/HEAD TAPER SCREW, NO.2
11434APIN, STRAIGHT(FOR TIMING GEAR COVER SET)
L=23,OD=8,L=23,OD=8
L=18,OD=8,L=18,OD=8
11434BPIN, STRAIGHT(FOR CLUTCH HOUSING SET)
L=23,OD=8,L=23,OD=8
L=18,OD=8,L=18,OD=8
L=20,OD=10,L=22,OD=10
L=20,OD=10,L=20,OD=10
L=22,OD=10,L=22,OD=10
11434CPIN, STRAIGHT (FOR CYLINDER HEAD SET)
L=12,OD=6,L=12,OD=6
L=7,OD=14.5,L=7,OD=14.5
L=7,OD=16.5,L=16.5,OD=7
11434DPIN, STRAIGHT(FOR ENGINE REAR OIL SEAL)
L=18,OD=8,L=18,OD=8
11452GUIDE, OIL LEVEL GAGE
11459SUPPORT, OIL LEVEL GAGE GUIDE
11462LINER, CYLINDER
O/S 160
O/S 180
O/S 200
11475SHIM, CYLINDER LINER
T=0.05
T=0.05
T=0.05
T=0.10
T=0.10
T=0.10
12101PAN SUB-ASSY, OIL
12101APLUG(FOR OIL PAN DRAIN)
OD=18
OD=25
OD=25
12101BGASKET(FOR OIL PAN DRAIN PLUG)
ID=18
ID=25
12151GASKET, OIL PAN
1302CAMSHAFT & VALVE
15301GAGE SUB-ASSY, OIL LEVEL
9111140612
main91111-40612
9111140816
main91111-40816
9161140614
main91611-40614
9161140816
main91611-40816
9161140818
main91611-40818
9412040800
main94120-40800
9451100800
main94511-00800
9461110800
main94611-10800
39 parts on this diagram · 8 diagrams in section