E
EPC Data

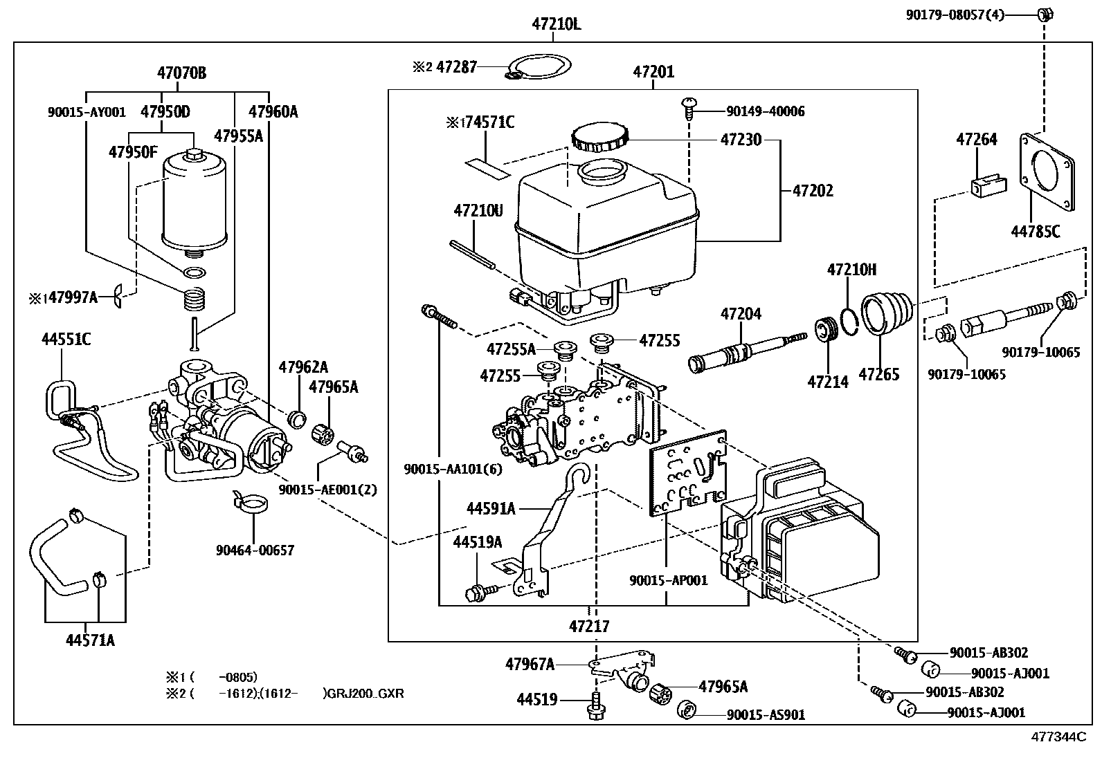
BRAKE MASTER CYLINDER

Parts diagram
44519BOLT, BRAKE ACTUATOR
main44519-24020×2i201202-201601
44519ABOLT(FOR BRAKE BOOSTER PUMP)
main44519-24020i200712-200811
44551CTUBE, BRAKE ACTUATOR, NO.1
main44551-60050i200712-200811
44571AHOSE, BRAKE ACTUATOR, NO.1
main44571-60020i200712-200811
44591ABRACKET, BRAKE ACTUATOR, NO.1
main44591-60070i200712-200811
44785CGASKET, BRAKE BOOSTER
main44785-60020i200712-200811
47070BPUMP ASSY, BRAKE BOOSTER W/ACCUMULATOR
main47070-60040i200712-200811
main47070-60060i200905-201202
47201CYLINDER SUB-ASSY, BRAKE MASTER
main47025-60160i200712-200811
main47025-60190i201007-201202
main47025-60320i201002-201008
main47025-60330i201002-201007
main47025-60380i201202-201601
main47025-60381i201601
main47025-60390i201202-201601
main47025-60640i201601-201608
main47025-60641i201608
47202RESERVOIR SUB-ASSY, BRAKE MASTER CYLINDER
main47220-60210i200712-200811
47204PISTON, MASTER CYLINDER
main47026-60160i200712-200811
47210HRING, SNAP(FOR BRAKE MASTER CYLINDER)
main90520-32012i201202-201601
47210LBRAKE BOOSTER ASSY, W/MASTER CYLINDER
main47050-60140i200712-201001
main47050-60170i201007-201202
main47050-60280i201002-201008
main47050-60290i201002-201007
main47050-60340i201202-201601
main47050-60350i201202-201601
main47050-60660i201601
main47050-60750i201601-201607
main47050-60751i201608
47210UPIN, STRAIGHT(FOR BRAKE MASTER CYLINDER)
main90029-15803i201601
47214PLUG, MASTER CYLINDER
main47027-60090i201601
47217SOLENOID, MASTER CYLINDER
main47217-60050i201008-201202
main47217-60080i200712-201002
main47217-60190i201002-201008
main47217-60200i201002-201007
main47217-60250i201202-201601
main47217-60260i201202-201601
main47217-60550i201601
main47217-60640i201601-201608
main47217-60641i201608
47230CAP ASSY, BRAKE MASTER CYLINDER RESERVOIR FILLER
main47230-24010i200712-200809
main47230-58010i200809-200811
main47230-60210i201601-201612
47255GROMMET, MASTER CYLINDER RESERVOIR
main47255-16010×2i200712-200811
47255AGROMMET, MASTER CYLINDER RESERVOIR, NO.2
main31417-35010i200712-200811
47264CLEVIS, MASTER CYLINDER PUSH ROD
main47264-60020i200712-200811
47265BOOT, MASTER CYLINDER
main90029-70001i200712-200811
47287LABEL, BRAKE FLUID INFORMATION
main47287-20020i200712-200805
main47287-60180i200805-200811
main47287-60181i201201-201202
47950DACCUMULATOR ASSY, BRAKE BOOSTER
main47950-60030i200712-200811
47950FRING, O(FOR BRAKE BOOSTER ACCUMULATOR)
main90301-13014i200712-200811
47955APIPE, BRAKE BOOSTER ACCUMULATOR
main47955-60020i200712-200811
47960APUMP ASSY, BRAKE BOOSTER
main47960-60050i200905-201202
main47960-60090i200712-200811
47962ACOLLAR, BRAKE BOOSTER PUMP
main47962-60090×2i200712-200811
47965ABUSH, BRAKE BOOSTER PUMP
main47965-24010×3i201202-201601
47967ABRACKET, BRAKE BOOSTER PUMP, NO.1
main47967-60090i200712-200811
47997ALABEL, ACCUMULATOR CAUTION, NO.1
main47997-60050i200712-200805
74571CLABEL, BRAKE FLUID INFORMATION
main47288-60020×2i200712-200805
90015AA101
90015AB302
90015AE001
90015AJ001
90015AP001
90015AS901
90015AY001
9014940006
9017908057
9017910065
9046400657

41 parts on this diagram · 1 diagram in section

BRAKE MASTER CYLINDER — Toyota Parts Diagram with OEM Numbers & Prices | EPC Data