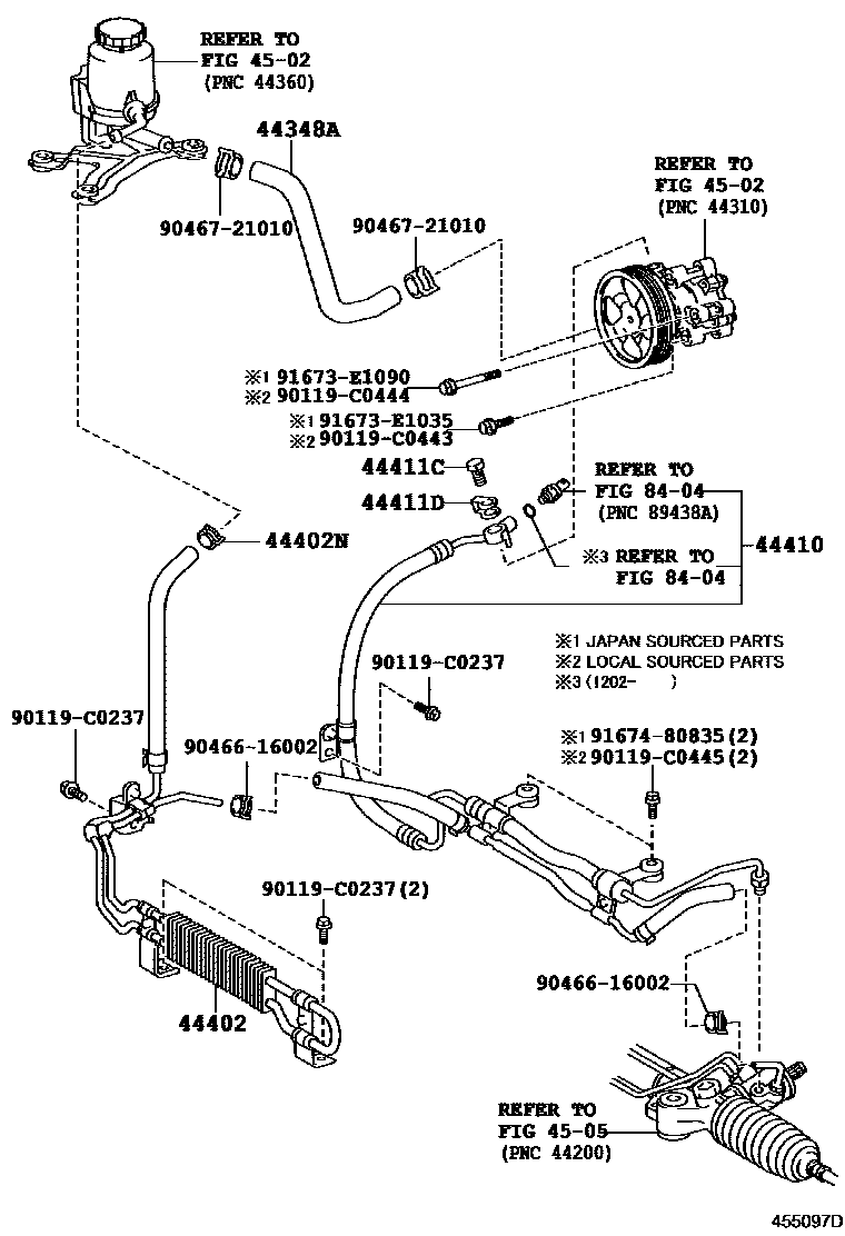
POWER STEERING TUBE

44348AHOSE, OIL RESERVOIR TO PUMP, NO.1
44402COOLER SUB-ASSY, POWER STEERING OIL, NO.1
44402NCLIP(FOR POWER STEERING OIL COOLER)
44410TUBE ASSY, PRESSURE FEED
44411CBOLT, UNION(FOR PRESSURE FEED HOSE)
44411DGASKET(FOR PRESSURE FEED HOSE)
4502VANE PUMP & RESERVOIR (POWER STEERING)
4505FRONT STEERING GEAR & LINK
8404ELECTRONIC FUEL INJECTION SYSTEM
90119C0237
main90119-C0237
90119C0443
main90119-C0443
90119C0444
main90119-C0444
90119C0445
main90119-C0445
9046616002
main90466-16002
9046721010
main90467-21010
91673E1035
main91673-E1035
91673E1090
main91673-E1090
9167480835
main91674-80835
18 parts on this diagram · 3 diagrams in section