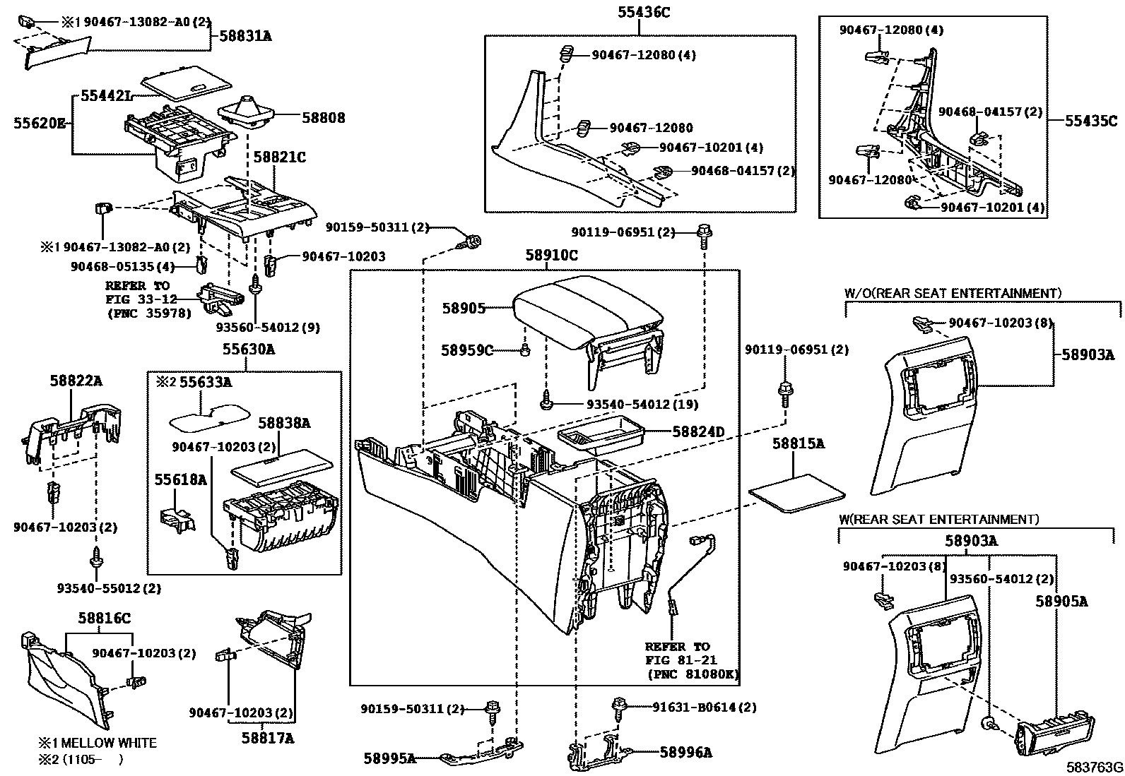
CONSOLE BOX & BRACKET

3312
55435CPANEL, INSTRUMENT PANEL FINISH, END RH
ECRU,TRIM0#
BLACK,TRIM2#
BLACK/CRIMSON,TRIM21
SEPIA,TRIM4#
SEPIA/LT.BROWN,TRIM4#
ECRU,TRIM0#
BLACK/CRIMSON,TRIM21
BLACK/LT.BROWN,TRIM20
SEPIA,TRIM4#
55436CPANEL, INSTRUMENT PANEL FINISH, END LH
ECRU,TRIM0#
BLACK,TRIM20
BLACK/CRIMSON,TRIM21
SEPIA,TRIM4#
SEPIA/LT.BROWN,TRIM4#
ECRU,TRIM0#
BLACK/CRIMSON,TRIM21
BLACK/LT.BROWN,TRIM20
SEPIA,TRIM4#
55442LDOOR, INSTRUMENT PANEL
REDDISH BROWN,TRIM0#,2#,4#
55618AHOLDER, CONSOLE BOX CUP
55620EHOLDER ASSY, INSTRUMENT PANEL CUP
SEPIA,TRIM0#,2#,4#
DOOR TRIM-FOR LOW-PRICE HYD-GRAP&AUDIO(OVERSEAS MARKET)-LDA 9SPEAKER&BACK MONITOR-WITH(WITH/GUIDE & AROUND MONITOR)
55630AHOLDER, REAR CONSOLE BOX, CUP
SEPIA,TRIM0#,2#,4#
REDDISH BROWN,TRIM0#,2#,4#
REDDISH BROWN,TRIM0#,2#,4#
BROWN,TRIM0#,2#,4#
MEMORY PACK & OFF ROAD PACKAGE&DOOR TRIM-FOR LOW-PRICE HYD-GRAP&AUDIO(OVERSEAS MARKET)-LEXUS DISPLAY AUDIO & DVD & 9SPEAKER&BACK MONITOR-MULTI-TELLAIN MONITOR(EXCEP
DOOR TRIM-FOR LOW-PRICE HYD-GRAP&AUDIO(OVERSEAS MARKET)-EMV 9SPEAKER,BROWN,TRIM2#,4#
DOOR TRIM-FOR LOW-PRICE HYD-GRAP&AUDIO(OVERSEAS MARKET)-EMV 9SPEAKER
55633ASUPPORT, INSTRUMENT PANEL CUP HOLDER, NO.1
58808COVER SUB-ASSY, SHIFTING HOLE
BLACK,TRIM2#,4#
SEPIA,TRIM0#
BLACK,TRIM2#,4#
SEPIA,TRIM0#
BLACK,TRIM2#,4#
SEPIA,TRIM0#
BLACK/LT.BROWN,TRIM0#,20,4#
BLACK/CRIMSON,TRIM21
BLACK/CRIMSON,TRIM21
BLACK/LT.BROWN,TRIM0#,20,4#
58815ACARPET, CONSOLE BOX
58816CINSERT, CONSOLE BOX, FRONT NO.1
ECRU,TRIM0#
BLACK,TRIM2#
SEPIA,TRIM4#
58817AINSERT, CONSOLE BOX, FRONT NO.2
ECRU,TRIM0#
BLACK,TRIM2#
SEPIA,TRIM4#
58821CPANEL, CONSOLE, UPPER
58822APANEL, CONSOLE, UPPER REAR
ECRU,TRIM0#
BLACK,TRIM2#
SEPIA,TRIM4#
58824DBOX, CONSOLE COIN
58831AGARNISH, CONSOLE UPPER PANEL, FRONT
58838ADOOR, CONSOLE CUP HOLDER BOX
REDDISH BROWN,TRIM0#,2#,4#
BROWN,TRIM0#,2#,4#
58903APANEL SUB-ASSY, CONSOLE REAR END
REAR SEAT ENTERTAINMENT-WITH,ECRU,TRIM0#
REAR SEAT ENTERTAINMENT-WITH,BLACK,TRIM2#
REAR SEAT ENTERTAINMENT-WITH,SEPIA,TRIM4#
REAR AUDIO-*RSE(SEAT-BACKMOUNT TYPE),ECRU,TRIM0#
REAR AUDIO-*RSE(SEAT-BACKMOUNT TYPE),BLACK,TRIM2#
REAR AUDIO-*RSE(SEAT-BACKMOUNT TYPE),SEPIA,TRIM4#
REAR AUDIO-*RSE(SEAT-BACKMOUNT TYPE),ECRU,TRIM0#
REAR AUDIO-*RSE(SEAT-BACKMOUNT TYPE),BLACK,TRIM2#
REAR AUDIO-*RSE(SEAT-BACKMOUNT TYPE),SEPIA,TRIM4#
REAR AUDIO-*RSE(SEAT-BACKMOUNT TYPE),ECRU,TRIM0#
REAR AUDIO-*RSE(SEAT-BACKMOUNT TYPE),BLACK,TRIM2#
REAR AUDIO-*RSE(SEAT-BACKMOUNT TYPE),SEPIA,TRIM4#
58905DOOR SUB-ASSY, CONSOLE COMPARTMENT
ECRU,TRIM0#
BLACK,TRIM2#
SEPIA,TRIM4#
COOL BOX-WITH,ECRU,TRIM0#
COOL & HOT BOX-WITH,BLACK,TRIM2#
COOL BOX-WITH,BLACK/CRIMSON,TRIM21
COOL BOX-WITH,SEPIA,TRIM4#
COOL BOX-WITH,SEPIA/LT.BROWN,TRIM4#
COOL & HOT BOX-WITH,TRIM0#
COOL BOX-WITH,BLACK,TRIM20
COOL & HOT BOX-WITH,TRIM4#
58905ADOOR SUB-ASSY, CONSOLE COMPARTMENT, REAR
REAR SEAT ENTERTAINMENT-WITH,ECRU,TRIM0#
REAR SEAT ENTERTAINMENT-WITH,BLACK,TRIM2#
REAR SEAT ENTERTAINMENT-WITH,SEPIA,TRIM4#
REAR AUDIO-*RSE(SEAT-BACKMOUNT TYPE),ECRU,TRIM0#
REAR AUDIO-*RSE(SEAT-BACKMOUNT TYPE),BLACK,TRIM2#
REAR AUDIO-*RSE(SEAT-BACKMOUNT TYPE),SEPIA,TRIM4#
58910CBOX ASSY, CONSOLE, REAR
ECRU,TRIM0#
BLACK,TRIM2#
BLACK/CRIMSON,TRIM2#
SEPIA,TRIM4#
SEPIA/LT.BROWN,TRIM4#
TRIM0#
TRIM2#
ECRU,TRIM0#
BLACK,TRIM2#
SEPIA,TRIM4#
ECRU,TRIM0#
BLACK,TRIM2#
SEPIA,TRIM4#
COOL BOX-WITH,ECRU,TRIM0#
COOL BOX-WITH,BLACK,TRIM2#
COOL BOX-WITH,SEPIA,TRIM4#
COOL & HOT BOX-WITH,ECRU,TRIM0#
COOL & HOT BOX-WITH,BLACK,TRIM2#
COOL & HOT BOX-WITH,SEPIA,TRIM4#
COOL & HOT BOX-WITH,ECRU,TRIM0#
COOL & HOT BOX-WITH,BLACK,TRIM2#
COOL & HOT BOX-WITH,SEPIA,TRIM4#
COOL BOX-WITH,ECRU,TRIM0#
COOL & HOT BOX-WITH,BLACK,TRIM2#
COOL BOX-WITH,BLACK, DK.ROSE,TRIM21
COOL & HOT BOX-WITH,SEPIA,TRIM4#
COOL BOX-WITH,SEPIA, LT.BROWN,TRIM4#
COOL BOX-WITH,ECRU,TRIM0#
COOL BOX-WITH,BLACK,TRIM20
COOL BOX-WITH,BLACK DK.ROSE,TRIM21
COOL BOX-WITH,SEPIA LT.BROWN,TRIM4#
COOL BOX-WITH,ECRU,TRIM0#
COOL BOX-WITH,BLACK,TRIM20
COOL BOX-WITH,BLACK.DK.ROSE,TRIM21
COOL BOX-WITH,SEPIA LT.BROWN,TRIM4#
58959CCUSHION, CONSOLE COMPARTMENT DOOR
58995ABRACKET, CONSOLE BOX MOUNTING, NO.1
58996ABRACKET, CONSOLE BOX MOUNTING, NO.2
COOL BOX-WITH
8121
9011906951
main90119-06951
9015950311
main90159-50311
9046710201
main90467-10201
9046710203
main90467-10203
9046712080
main90467-12080
9046713082A0
main90467-13082A0
9046804157
main90468-04157
9046805135
main90468-05135
91631B0614
main91631-B0614
9354054012
main93540-54012
9354055012
main93540-55012
9356054012
main93560-54012
37 parts on this diagram · 12 diagrams in section