E
EPC Data

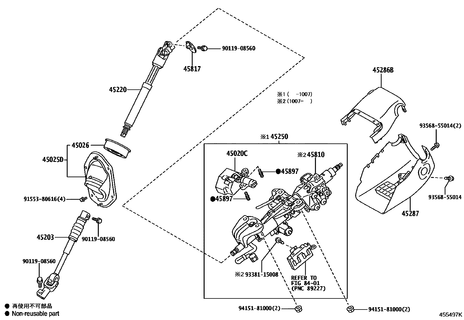
STEERING COLUMN & SHAFT

Parts diagram
45020CACTUATOR ASSY, STEERING LOCK(W/ECU)
main45020-30A70i201308-201908
main45020-60830i201908
main45020-60870i200911-201007
45025DCOVER SUB-ASSY, STEERING COLUMN HOLE, NO.1
main45025-60210i200911-201206
main45025-60211i201301-201308
main45025-60212i201811-201908
45026COVER SUB-ASSY, STEERING COLUMN HOLE, NO.2
main45026-60040i200911-201206
main45026-60041i201908
45203SHAFT SUB-ASSY, STEERING INTERMEDIATE, NO.2
main45203-60180i200911-201206
main45203-60181i201312-201711
45220SHAFT ASSY, STEERING INTERMEDIATE
main45220-60280i200911-201206
45250COLUMN ASSY, STEERING
main45250-60A91i200911-201007
45286BCOVER, STEERING COLUMN, UPR
main45286-60510-C0i200911-201206
BLACK,TRIM2#,4#
main45286-60510-E1i200911-201308
SEPIA,TRIM0#
main45286-60560-C0i201908
BLACK,TRIM0#,2#,4#
45287COVER, STEERING COLUMN, LWR
main45287-60550-C0i200911-201206
BLACK,TRIM2#,4#
main45287-60550-E1i200911-201309
SEPIA,TRIM0#
main45287-60630-C0i201908
BLACK,TRIM0#,2#,4#
45810GEAR ASSY, TILT STEERING, W/MOTOR
main45810-60040i201007-201106
main45810-60041i201107-201309
main45810-60210i201908
45817STOPPER, STEERING SHAFT THRUST
main45817-60020i200911-201206
45897BOLT, STEERING LOCK SET
main45897-12020×2i200911-201206
8401SWITCH & RELAY & COMPUTER
9011908560
9155380616
9338115008
9356855014
9415181000

17 parts on this diagram · 2 diagrams in section

STEERING COLUMN & SHAFT — Toyota Parts Diagram with OEM Numbers & Prices | EPC Data