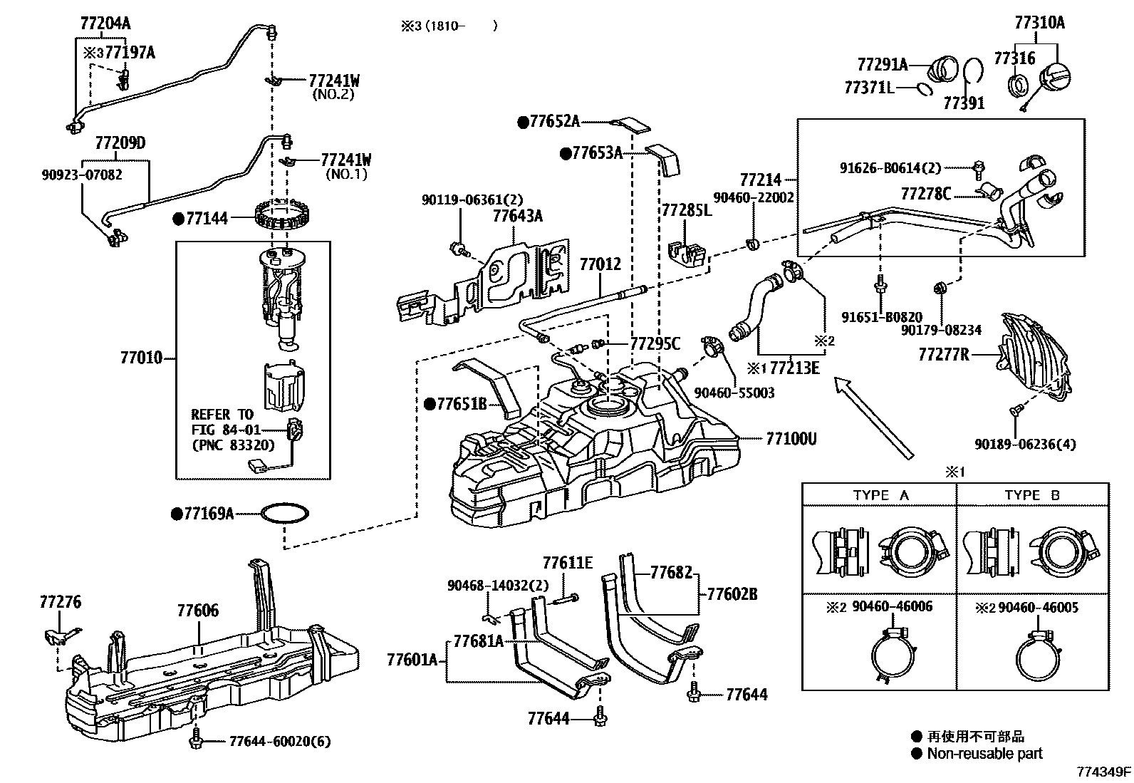
FUEL TANK & TUBE

77010TUBE ASSY, FUEL TANK VENT
FUEL TANK-WITH(SUB TANK)
77012TUBE SUB-ASSY, FUEL TANK BREATHER
FUEL TANK-WITH(SUB TANK)
77100UTANK SUB-ASSY, FUEL
FUEL TANK-WITH(SUB TANK)
FUEL TANK-WITH(SUB TANK)
77144RETAINER, FUEL PUMP GAUGE
77169AGASKET, FUEL SUCTION TUBE SET
77197ACLAMP, EVAPORATION VENT TUBE, NO.2
77204ATUBE, FUEL TANK RETURN
FUEL TANK-WITH(SUB TANK)
77209DTUBE SUB-ASSY, FUEL TANK MAIN
FUEL TANK-WITH(SUB TANK)
FUEL TANK-WITH(SUB TANK)
77213EHOSE, FUEL TANK TO FILLER PIPE
TYPE A:REFER ILLUST.
TYPE B:REFER ILLUST.
77214PIPE, FUEL TANK FILLER
FUEL TANK-WITH(SUB TANK)
FUEL TANK-WITH(SUB TANK)
FUEL TANK-WITH(SUB TANK)
FUEL TANK-WITH(SUB TANK)
77241WCLIP, TUBE JOINT
NO.2
NO.1
77276PROTECTOR, FUEL HOSE
77277RPROTECTOR, FUEL TANK FILLER PIPE
77278CPROTECTOR, FUEL TANK FILLER PIPE, NO.2
77285LCLAMP, FUEL TUBE, NO.1
FUEL TANK-WITH(SUB TANK)
77291ASHIELD, FUEL TANK FILLER PIPE
77295CGROMMET, FUEL TUBE
77310ACAP ASSY, FUEL TANK
77316GASKET, FUEL TANK CAP
77371LRING, FUEL TANK FILLER PIPE SHIELD
77391RING, FUEL INLET BOX
77601ABAND SUB-ASSY, FUEL TANK, NO.1
77602BBAND SUB-ASSY, FUEL TANK, NO.1 LH
77606PROTECTOR SUB-ASSY, FUEL TANK, NO.1
77611EPIN, FUEL TANK BAND
77643APROTECTOR, FUEL TANK, NO.3
77644BOLT, FUEL TANK
77651BCUSHION, FUEL TANK
77652ACUSHION, FUEL TANK, NO.2
77653ACUSHION, FUEL TANK, NO.3
77681ASEAT, FUEL TANK BAND
77682SEAT, FUEL TANK BAND, LH
8401
7764460020BOLT, FUEL TANK
main77644-60020
9011906361
main90119-06361
9017908234
main90179-08234
9018906236
main90189-06236
9046022002
main90460-22002
9046046005
main90460-46005
9046046006
main90460-46006
9046055003
main90460-55003
9046814032
main90468-14032
9092307082
main90923-07082
91626B0614
main91626-B0614
91651B0820
main91651-B0820
45 parts on this diagram · 22 diagrams in section