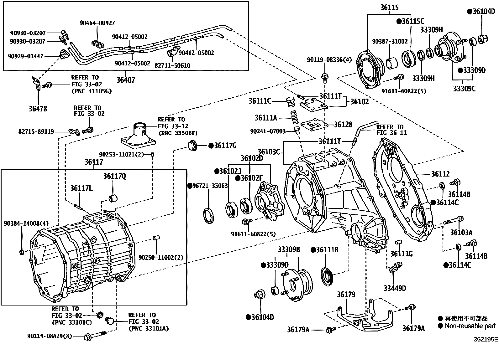
TRANSFER CASE & EXTENSION HOUSING

3302
3312
33309BFLANGE SUB-ASSY, OUTPUT SHAFT COMPANION
PNC 36111B=TYPE B
PNC 36111B=TYPE B
33309CFLANGE SUB-ASSY, OUTPUT SHAFT COMPANION
33309DSEAL, OIL(FOR TRANSFER OUTPUT SHAFT COMPANION FLANGE)
33309HWASHER, TRANSFER OUTPUT SHAFT
N=31,OD=38
33449DMAGNET (FOR TRANSFER CASE)
36102COVER SUB-ASSY, TRANSFER CASE
36102DRETAINER SUB-ASSY, TRANSFER RH BEARING
36102FSEAL, OIL, NO.2 (FOR TRANSFER RH BEARING RETAINER)
36102JSEAL, TYPE T OIL (FOR TRANSFER COVER)
36103ABOLT (FOR TRANSFER CASE)
*8-1.25PX55-30
36103CCASE, TRANSFER, FRONT
36104DNUT (FOR TRANSFER OUTPUT SHAFT)
3611
36111ASPRING, COMPRESSION (FOR TRANSFER CASE)
36111BSEAL, OIL (FOR TRANSFER CASE)
36111CPLUG (FOR TRANSFER CASE)
36111GPIN, STRAIGHT (FOR TRANSFER CASE)
L=14,OD=10
36111TTUBE (FOR TRANSFER CASE)
sub90406-T0007
36112CASE, TRANSFER, REAR
36114BPLUG, NO.1 (FOR TRANSFER CASE)
36114CGASKET, NO.1 (FOR TRANSFER CASE)
36115HOUSING, TRANSFER EXTENSION
36115CSEAL, TYPE T OIL (FOR TRANSFER EXTENSION HOUSING)
36117ADAPTER, TRANSFER
36117GPLUG, W/HEAD STRAIGHT SCREW(FOR TRANSFER ADAPTER)
36117LTUBE(FOR TRANSFER ADAPTER)
sub90406-T0007
36117QBEARING, NEEDLE ROLLER(FOR TRANSFER ADAPTER)
36128DEFLECTOR, BREATHER OIL
36179PROTECTOR, TRANSFER CASE LOWER
36179ABOLT (FOR TRANSFER CASE LOWER PROTECTOR)
36407HOSE SUB-ASSY, TRANSFER BREATHER
36478BRACKET, TRANSFER BREATHER
8271150610WIRE, FUSE TO FUSE(FOR COMBUSTION HEATER)
main82711-50610
8271589119BRACKET,WIRING HARNESS CLAMP
main82715-89119
9011908336
main90119-08336
9011908A29
main90119-08A29
9024107003
main90241-07003
9025011002
main90250-11002
9025311021
main90253-11021
9038414008
main90384-14008
9038731002
main90387-31002
9041205002
main90412-05002
9046400927
main90464-00927
9092901447
main90929-01447
9093003207
main90930-03207
9161160822
main91611-60822
9672135063
main96721-35063
49 parts on this diagram · 7 diagrams in section