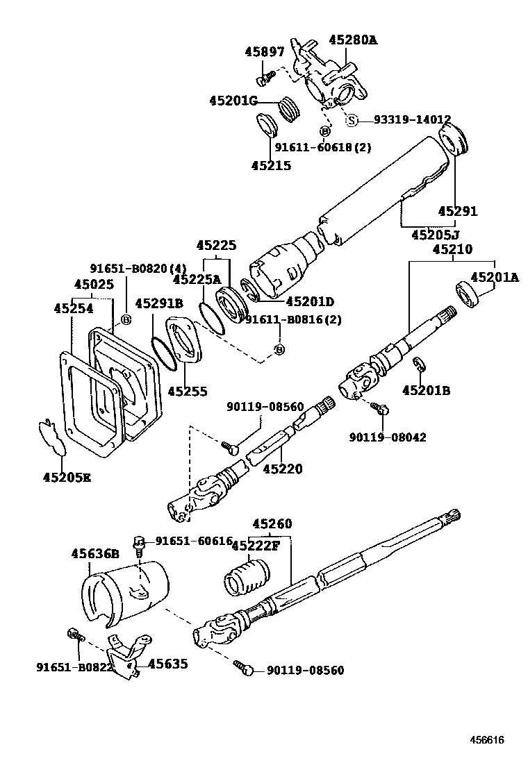
STEERING COLUMN & SHAFT

45025COVER, STEERING INTERMEDIATE SHAFT
45201ABEARING(FOR STEERING MAIN SHAFT)
45201BRING, SHAFT SNAP(FOR STEERING MAIN SHAFT)
T=1.20
T=1.20
45201DRING(FOR STEERING MAIN SHAFT)
45201GSPRING, COMPRESSION(FOR STEERING MAIN SHAFT)
45205ERING, SNAP(FOR STEERING COLUMN TUBE)
45205JTUBE SUB-ASSY, STEERING COLUMN, UPPER
45210SHAFT ASSY, STEERING MAIN
45215COLLAR, MAIN SHAFT BEARING THRUST
45220SHAFT ASSY, STEERING INTERMEDIATE
45222FCOVER, DUST
45225BLOCK, BEARING
45225ARING, O(FOR BEARING BLOCK)
45254SHIELD, STEERING COLUMN HOLE
45255PLATE, STEERING COLUMN HOLE COVER
45260SHAFT ASSY, STEERING INTERMEDIATE, NO.2
45280ABRACKET ASSY, STEERING COLUMN, UPPER
main45280-60640iGRJ7#..LHD..(DCB,HT,PIC)..GEN; GRJ79..RHD;VDJ76,79..CBU,IV;GRJ7#,VDJ78,L7#..ARL,GCC201608-202309
COLOMBIA SPEC&GLOVE BOX-WITH(KEY); VENEZUELA SPEC&GLOVE BOX-WITH(KEY)
45291SEAL, MAIN SHAFT UPPER DUST
45291BRING, O(FOR STEERING COLUMN TUBE SUPPORT)
45635SUPPORT, INTERMEDIATE LINK JOINT PROTECTOR
45636BPROTECTOR, INTERMEDIATE LINK JOINT
main45636-60051iGRJ79,HZJ79..RHD;GDJ79..RHD..PIC..CBU;GDJ7#,L7#,HZJ71,76,78..RHD..(DCB,HT,SOT)202309
45897BOLT, STEERING LOCK SET
TILT
9011908042
main90119-08042
9011908560
main90119-08560
9161160618
main91611-60618
91611B0816
main91611-B0816
9165160616
main91651-60616
91651B0820
main91651-B0820
91651B0822
main91651-B0822
9331914012
main93319-14012
30 parts on this diagram · 6 diagrams in section