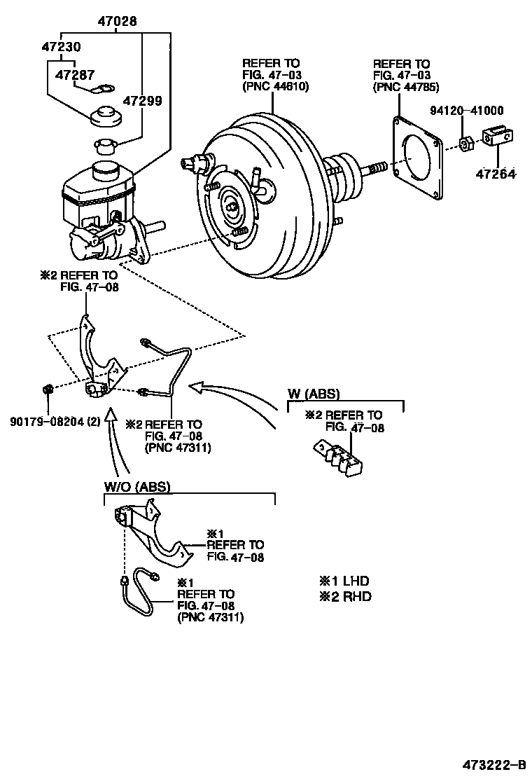
BRAKE MASTER CYLINDER

47028CYLINDER SUB-ASSY, BRAKE MASTER W/PLATE
main47028-60030iGRJ120,KDJ120,KZJ120,LJ120,RZJ120,TRJ120..RHD; GRJ120,KDJ120,KZJ120..(4FC,5F,5FC)..ARL200209
ABS-W(ABS& VSC & ACTIVE TRACTION CONTROL)
4703BRAKE BOOSTER & VACUUM TUBE
4708BRAKE TUBE & CLAMP
47230CAP ASSY, BRAKE MASTER CYLINDER RESERVOIR FILLER
SOUTH AFRICA SPEC&ABS-W(ABS& VSC & ACTIVE TRACTION CONTROL)
47264CLEVIS, MASTER CYLINDER PUSH ROD
47287LABEL, BRAKE FLUID INFORMATION
47299STRAINER, BRAKE MASTER CYLINDER RESERVOIR
9017908204
main90179-08204
9412041000
main94120-41000
9 parts on this diagram · 4 diagrams in section