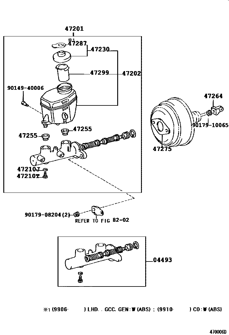
BRAKE MASTER CYLINDER

04493CYLINDER KIT, BRAKE MASTER
W(ABS)
W(ABS) & CHINA SPEC
CHINA SPEC
W(ACTIVE TRC OR VSC)
47201CYLINDER SUB-ASSY, BRAKE MASTER
W(ACTIVE TRC OR VSC)
W(ACTIVE TRC OR VSC)
W(ABS)
W(ABS) & CHINA SPEC
CHINA SPEC
W(ABS)
W(ABS)
47202RESERVOIR SUB-ASSY, BRAKE MASTER CYLINDER
W(ACTIVE TRC OR VSC)
W(ABS)
W(ACTIVE TRC OR VSC)
W(ACTIVE TRC OR VSC)
47210JGASKET(FOR MASTER CYLINDER)
W(ABS)
47210TBOLT(FOR BRAKE MASTER CYLINDER)
47230CAP ASSY, BRAKE MASTER CYLINDER RESERVOIR FILLER
main47230-12040iRZJ90..GX;RZJ9#..CBR;KZJ9#,LJ9#,VZJ9#..DSL,EFI,TD;RZJ95..RHD..GX..EFI..(ARL,GEN)199604-200412
W(ABS)
W(ACTIVE TRC OR VSC)
47255GROMMET, MASTER CYLINDER RESERVOIR
main47255-16010iRZJ90..GX;RZJ9#..CBR;KZJ9#,LJ9#,VZJ9#..DSL,EFI,TD;RZJ95..RHD..GX..EFI..(ARL,GEN)199604-200209
47264CLEVIS, MASTER CYLINDER PUSH ROD
47275GASKET, BRAKE MASTER CYLINDER
main47275-12020iRZJ90..GX;RZJ9#..CBR;KZJ9#,LJ9#,VZJ9#..DSL,EFI,TD;RZJ95..RHD..GX..EFI..(ARL,GEN)199604-200209
47287LABEL, BRAKE FLUID INFORMATION
47299STRAINER, BRAKE MASTER CYLINDER RESERVOIR
main47299-24010iRZJ90..GX;RZJ9#..CBR;KZJ9#,LJ9#,VZJ9#..DSL,EFI,TD;RZJ95..RHD..GX..EFI..(ARL,GEN)199604-200209
8202WIRING & CLAMP
9014940006
main90149-40006
9017908204
main90179-08204
9017910065
main90179-10065
15 parts on this diagram · 4 diagrams in section