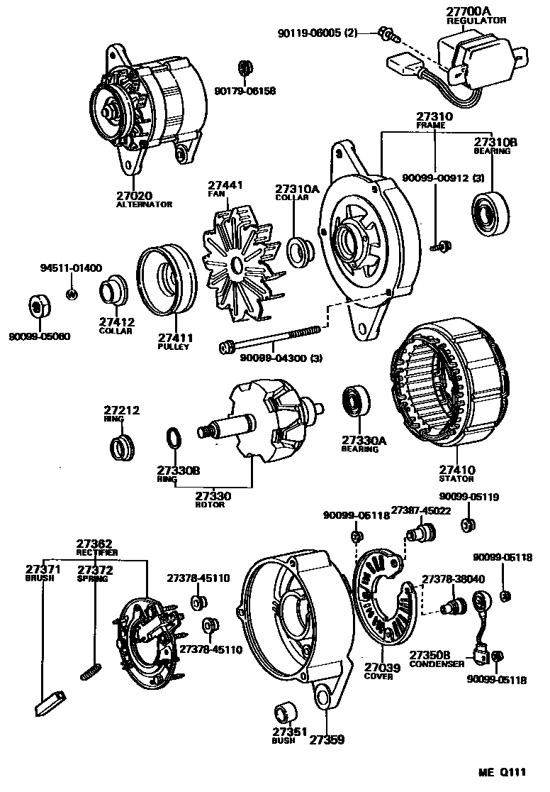
ALTERNATOR

27020ALTERNATOR ASSY
12V 55A
12V 45A
12V 45A
12V 50A
12V 45A
12V 55A
12V 80A
12V 100A
24V 30A,BANGLADESH SPEC
12V 55A
12V 80A
12V 100A,FOR PAKISTAN GOVERNMENT
12V 100A
24V 30A,BANGLADESH SPEC
24V 30A
12V 70A
12V 80A
12V 110A
12V 110A,FOR PAKISTAN GOVERNMENT
12V 55A
12V 65A
12V 50A
12V 80A
12V 50A
12V 55A
12V 80A
12V 80A
12V 70A
12V 55A
27039COVER, ALTERNATOR REAR END
W(REAR WINDOW DEFOGGER)
main27039-16310i1HZ..HZJ75..LHD..HT..5F;1FZF,1PZ..FZJ7#,PZJ73,75..GCC,GEN;1HZ,1PZ..HZJ75,PZJ70..(PIC,SOT)..GEN199001-199305
W(DUAL AIR CONDITIONER)
main27039-16310i1HZ..HZJ75..LHD..HT..5F;1FZF,1PZ..FZJ7#,PZJ73,75..GCC,GEN;1HZ,1PZ..HZJ75,PZJ70..(PIC,SOT)..GEN199001-199305
12V 80A
24V 30A
BANGLADESH SPEC
12V 110A
sub27039-34022
12V 100A
main27039-55080i1PZ..PZJ70..LX;1PZ..PZJ70..SOT;1HZ..HZJ75..ARL,GEN;1FZ#,1HZ,1PZ..FZJ7#,HZJ70,PZJ73,75..ARL,GCC,GEN199305-199908
W(REAR WINDOW DEFOGGER)
sub27039-70470
12V 50A
12V 70A
main27039-72010i2LT..LJ70;1PZ..PZJ70..STD..GEN;1HZ,2LT,3L,1PZ..HZJ75,LJ72,77,79,PZJ73,75..GCC,GEN,SA199001-199305
sub27039-15170
main27039-73020i1FZF..FZJ70..HT..GEN;1FZF..FZJ75..LHD..IV;1HZ..HZJ70..STD..GEN;1HZ..HZJ75..GCC,GEN,SA;1FZF..FZJ73,75..(GEN,SA)..CBU199305-199701
12V 55A
sub27039-16380
sub27039-16380
27212RING, SPACE(FOR ALTERNATOR ROTOR)
12V 50A OR 65A
27310FRAME ASSY, DRIVE END, ALTERNATOR
12V 55A
main27310-16270i1PZ..PZJ75;1HZ..HZJ75..LHD..HT..5F;1HZ,1PZ..HZJ75,PZJ70,73..(PIC,SOT)..GEN199001-200007
12V 80A
main27310-16270i1PZ..PZJ75;1HZ..HZJ75..LHD..HT..5F;1HZ,1PZ..HZJ75,PZJ70,73..(PIC,SOT)..GEN199001-199908
W(REAR WINDOW DEFOGGER)
W(DUAL AIR CONDITIONER)
12V 100A
12V 110A
12V 80A
12V 65A
12V 70A
BANGLADESH SPEC
12V 50A
12V 70A
12V 55A
12V 80A
27310ACOLLAR OR NUT(FOR ALTERNATOR DRIVE END FRAME)
27310BBEARING(FOR ALTERNATOR DRIVE END FRAME)
W(DUAL AIR CONDITIONER)
sub90099-10219
W(REAR WINDOW DEFOGGER)
sub90099-10219
24V 30A
12V 55A
12V 80A
W(REAR WINDOW DEFOGGER)
main90099-10192i1HZ..HZJ75..LHD..HT..5F;1FZF,1PZ..FZJ7#,PZJ73,75..GCC,GEN;1HZ,1PZ..HZJ75,PZJ70..(PIC,SOT)..GEN199105-199305
W(DUAL AIR CONDITIONER)
main90099-10192i1PZ..PZJ70..LX;1HZ..HZJ78,79..ARL,GEN;1FZFE,1HZ..FZJ71,74,78,79,HZJ71..GCC,GEN;1FZFE,1HZ,1PZ..FZJ70,75,HZJ70,73,75,PZJ70,73..ARL199105-200612
12V 110A
27330ROTOR ASSY, ALTERNATOR
main27330-11250i1HZ..HZJ75..GEN..IV;1FZF..FZJ7#..GCC,GEN;1HZ..HZJ7#..HT..STD..GEN;1HZ..HZJ75..LHD..PIC..CBU199701-200007
12V 55A
12V 50A
12V 80A
12V 110A
FOR PAKISTAN GOVERNMENT
12V 65A
sub27330-54200
BANGLADESH SPEC
12V 70A
12V 55A
12V 50A
main27330-76030i1PZ..PZJ70..LX;1PZ..PZJ70..SOT;1HZ..HZJ75..ARL,GEN;1FZ#,1HZ,1PZ..FZJ7#,HZJ70,PZJ73,75..ARL,GCC,GEN199001-199908
W(REAR WINDOW DEFOGGER)
sub27330-16390
27330ABEARING(FOR ALTERNATOR ROTOR)
12V 55A
12V 50A
12V 70A
27330BRING, SNAP(FOR ALTERNATOR ROTOR)
27350FRAME ASSY, RECTIFIER END
27351BUSH(FOR ALTERNATOR RECTIFIER END FRAME)
27359FRAME, ALTERNATOR RECTIFIER END
12V 55A
BANGLADESH SPEC
W(REAR WINDOW DEFOGGER)
W(DUAL AIR CONDITIONER)
12V 80A
12V 50A
sub27359-74330
main27359-43160i1FZF..FZJ70..HT..GEN;1FZF..FZJ75..LHD..IV;1FZF..FZJ73,75..(GEN,SA)..CBU199201-199601
12V 55A
sub27359-43161
sub27384-16380
12V 55A
12V 55A
12V 100A
12V 110A
sub27359-13050
12V 70A
12V 65A
12V 80A
12V 80A
12V 70A
27371BRUSH, ALTERNATOR
sub27371-54412
sub27371-70300
main27371-70300i1HZ..HZJ75..GEN..IV;1FZF..FZJ75..LHD..IV;1HZ..HZJ70..HT..STD..GEN;1HZ..HZJ75..LHD..PIC..CBU;1FZF..FZJ70,75..(HT,PIC)..(GCC,GEN)..CBU;1FZF,1HZ..FZJ73,HZJ75..(HT,SOT)199001-200808
27411PULLEY, ALTERNATOR
24V 30A
12V 80A
W(REAR WINDOW DEFOGGER)
W(DUAL AIR CONDITIONER)
12V 50A
12V 65A
12V 55A
12V 55A,70A
12V 80A
27412COLLAR, SPACER(FOR ALTERNATOR PULLEY)
sub27412-44031
27441FAN, ALTERNATOR
12V 50A
12V 65A
27700AREGULATOR ASSY, GENERATOR
sub27700-54050
sub27700-15040
sub27700-66020
W(REAR WINDOW DEFOGGER)
12V 80A
W(REAR WINDOW DEFOGGER)
12V 80A
FOR PAKISTAN GOVERNMENT
12V 80A
sub27700-76020
sub27700-50030
BANGLADESH SPEC
BANGLADESH SPEC
sub27700-58060
BANGLADESH SPEC
12V 65A
sub27700-35040
12V 55A OR 80A
sub27700-75020
sub27700-66020
2737838040INSULATOR, ALTERNATOR, NO.1
main27378-38040
2737845110INSULATOR, ALTERNATOR, NO.1
main27378-45110
2738745022INSULATOR, TERMINAL
main27387-45022
9009900912
main90099-00912
9009904300
main90099-04300
9009905060
main90099-05060
9009905118
main90099-05118
9009905119
main90099-05119
9011906005
main90119-06005
9017906158
main90179-06158
9451101400
main94511-01400
32 parts on this diagram · 16 diagrams in section