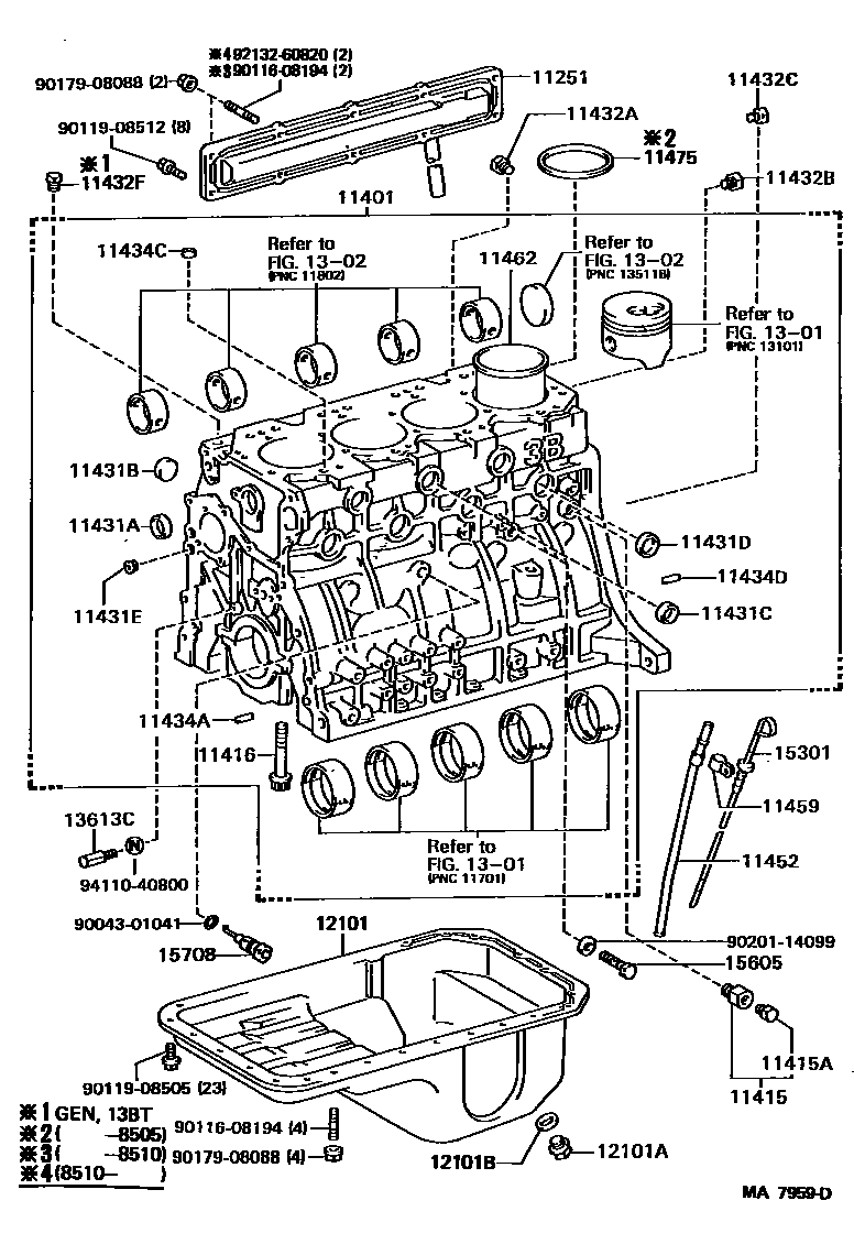
CYLINDER BLOCK

11401BLOCK SUB-ASSY, CYLINDER
sub11401-39446
sub11401-39447
sub11401-59406
sub11401-69186
sub11401-69187
sub11401-69188
sub11401-69306
sub11401-69307
11416BOLT(FOR CRANKSHAFT BEARING CAP SET)
*13-1.5PX81-25
NO.1,2,3,*18-2PX65-27
*14-1.5PX81-25
*16-2PX88.5-32
*12-1.25PX75-25
NO.4,*12-1.75PX68-26
*12-1.25PX80-24
*16-2PX93.5-32
*16-2PX129.5-32
11431APLUG, TIGHT, NO.1(FOR CYLINDER BLOCK)
OD=51
OD=25
OD=35
OD=50
11431BPLUG, TIGHT, NO.2(FOR CYLINDER BLOCK)
OD=35,ID=12
OD=35,ID=14
OD=20
OD=28
OD=35
OD=40
11431CPLUG, TIGHT, NO.3(FOR CYLINDER BLOCK)
OD=25
OD=30
OD=50
11431DPLUG, TIGHT, NO.4(FOR CYLINDER BLOCK)
OD=35
11431EPLUG, TIGHT, NO.5(FOR CYLINDER BLOCK)
OD=21
OD=14,WATER JACKET
OD=14,OIL HOLE
OD=18
11432CPLUG, W/HEAD TAPER SCREW, NO.3
11432FPLUG, W/HEAD TAPER SCREW, NO.4
11434APIN, STRAIGHT(FOR TIMING GEAR COVER SET)
L=23,OD=8,L=23,OD=8
L=18,OD=8,L=18,OD=8
L=11,OD=11,L=11,OD=11
L=8,OD=11,L=8,OD=11
11434CPIN, STRAIGHT (FOR CYLINDER HEAD SET)
L=12,OD=6,FR,L=12,OD=6
L=15,OD=8,RR,L=15,OD=8
L=18,OD=8,L=18,OD=8
L=7,OD=14.5,L=7,OD=14.5
L=7,OD=16.5
11434DPIN, STRAIGHT(FOR ENGINE REAR OIL SEAL)
L=23,OD=8
L=18,OD=8
L=11,OD=11,L=11,OD=11
11452GUIDE, OIL LEVEL GAGE
11459SUPPORT, OIL LEVEL GAGE GUIDE
11462LINER, CYLINDER
11475SHIM, CYLINDER LINER
T=0.05
T=0.10
1301
1302
13613CNOZZLE, OIL
15605VALVE SUB-ASSY, OIL CHECK
9004301041
main90043-01041
9011608194
main90116-08194
9011908505
main90119-08505
9011908512
main90119-08512
9017908088
main90179-08088
9020114099
main90201-14099
9213260820
main92132-60820
9411040800
main94110-40800
38 parts on this diagram · 6 diagrams in section