E
EPC Data

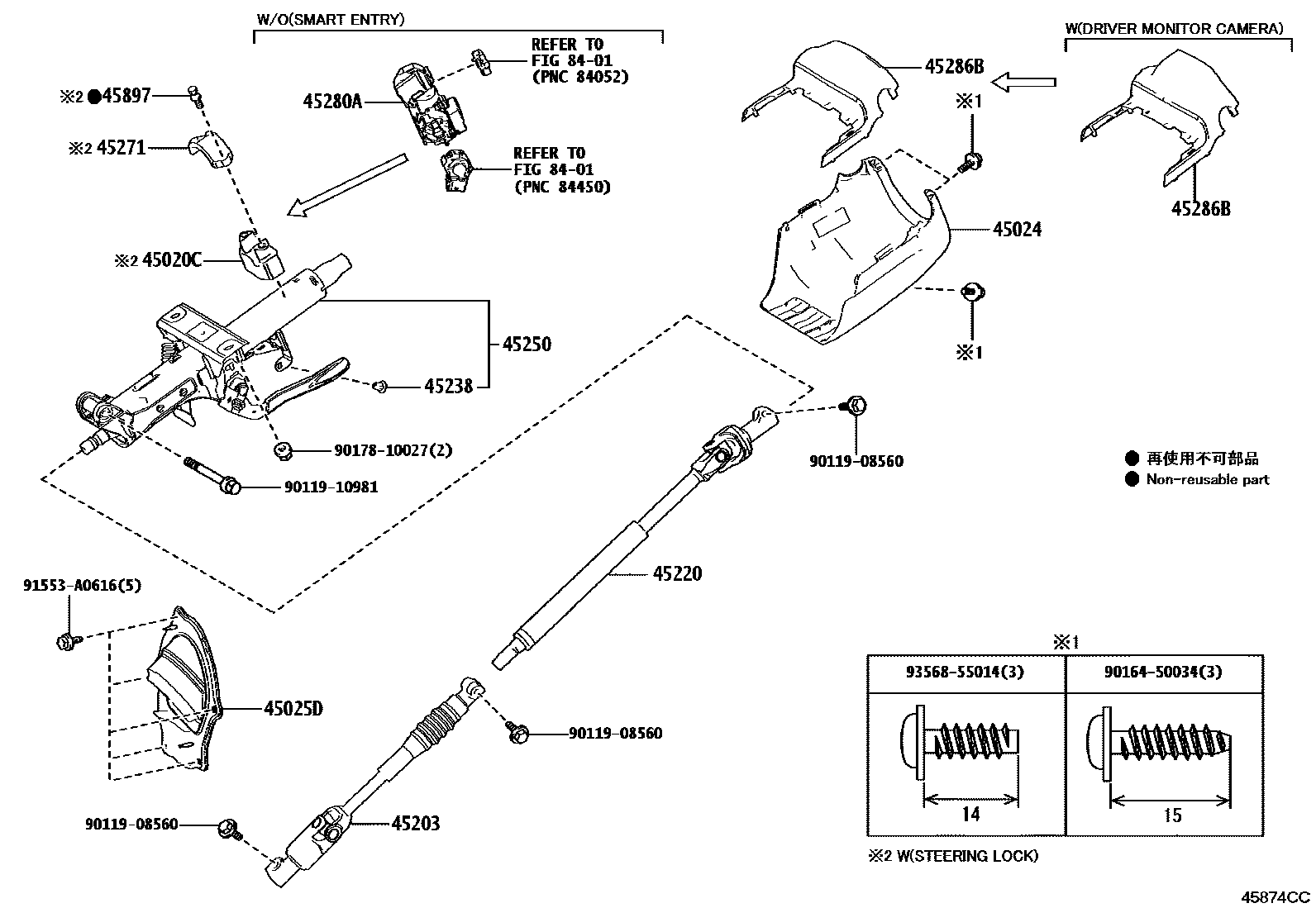
STEERING COLUMN & SHAFT

Parts diagram
45020CACTUATOR ASSY, STEERING LOCK(W/ECU)
main45020-42280i202401
main45020-60880i202404-202509
45024COVER SUB-ASSY, STEERING COLUMN, LOWER
main45024-30130-C0i202404-202509
BLACK,TRIM1#,2#,4#
main45024-30140-C0supersedes 45024-60070-C0i202401
BLACK,TRIM1#,2#,4#; BLACK,TRIM2#; BLACK,TRIM2#,4#; WIRELESS DOOR LOCK-SMART ENTRY(PANIC),BLACK,TRIM2#; WIRELESS DOOR LOCK-SMART ENTRY,BLACK,TRIM2#
45025DCOVER SUB-ASSY, STEERING COLUMN HOLE, NO.1
main45025-60320i202401
main45025-60330i202401
main45025-60340i202401-202509
45203SHAFT SUB-ASSY, STEERING INTERMEDIATE, NO.2
main45203-60300i202401
main45203-60310i202401-202509
45220SHAFT ASSY, STEERING INTERMEDIATE
main45220-60410i202401
main45220-60420i202401
45238CLAMP, BOLT(FOR STEERING FLEXIBLE COUPLING)
main45238-11010i202404-202509
main45238-52010i202401
45250COLUMN ASSY, STEERING
main45250-33D40supersedes 45250-33D30i202401
WIRELESS DOOR LOCK-SMART ENTRY; WIRELESS DOOR LOCK-SMART ENTRY(PANIC)
main45250-48430i202404-202509
45271CLAMP, STEERING COLUMN, UPPER
main45271-52030i202401
45280ABRACKET ASSY, STEERING COLUMN, UPPER
main45280-33180i202401
45286BCOVER, STEERING COLUMN, UPR
main45286-30A80-C0supersedes 45286-V2010-C0i202401
BLACK,TRIM1#,2#,4#; BLACK,TRIM2#; BLACK,TRIM2#,4#
main45286-V2010-C0supersedes 45286-30A80-C0i202407-202509
BLACK,TRIM1#,2#,4#; BLACK,TRIM2#; BLACK,TRIM2#,4#
45897BOLT, STEERING LOCK SET
main45897-12020×2i202401
8401SWITCH & RELAY & COMPUTER
9011908560
9011910981
9016450034
9017810027
91553A0616
9356855014

18 parts on this diagram · 4 diagrams in section

STEERING COLUMN & SHAFT — Toyota Parts Diagram with OEM Numbers & Prices | EPC Data