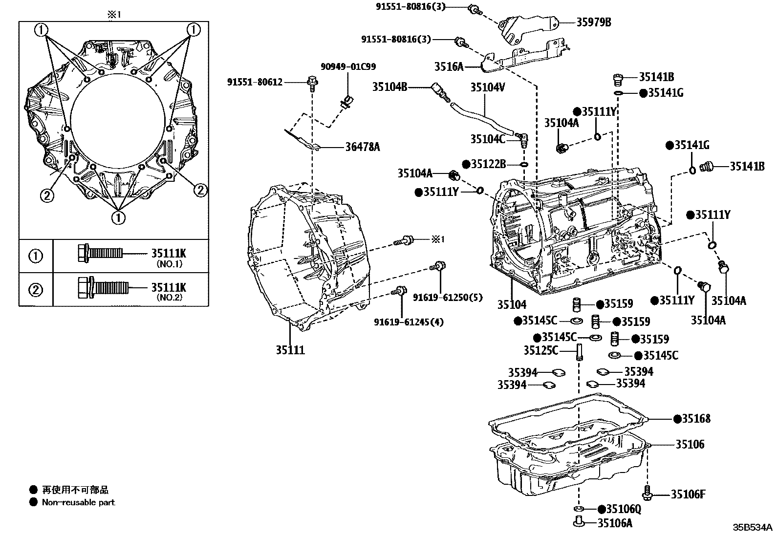
TRANSMISSION CASE & OIL PAN (ATM)

35104CASE SUB-ASSY, AUTOMATIC TRANSMISSION
35104APLUG, AUTOMATIC TRANSMISSION CASE
35104BPLUG, BREATHER, NO.1 (ATM)
35104CPLUG, BREATHER, NO.2 (ATM)
35104VHOSE (FOR BREATHER PLUG)
35106PAN SUB-ASSY, AUTOMATIC TRANSMISSION OIL
35106APLUG SUB-ASSY, DRAIN (ATM)
35106FBOLT (FOR AUTOMATIC TRANSMISSION OIL PAN)
main90119-06A02×12iGDJ250,TRJ250..6FC; GDJ250..LHD..EUR;GDJ25#,TJA250..8FC..(ARL,GCC,GEN,RUS,SA)202401
35106QPLUG (FOR AUTOMATIC TRANSMISSION OIL PAN)
35111HOUSING, AUTOMATIC TRANSMISSION
35111KBOLT (FOR TRANSMISSION HOUSING & CASE SETTING)
main90119-10232×10iGDJ250,TRJ250..6FC; GDJ250..LHD..EUR;GDJ25#,TJA250..8FC..(ARL,GCC,GEN,RUS,SA)202401
*10-1.5PX35-30,NO.1:REFER ILLUST.
*10-1.50PX35-29.3,NO.3:REFER ILLUST.
*12-1.75PX38-30,NO.2:REFER ILLUST.
*12-1.75PX38-30,NO.2:REFER ILLUST.
35111YRING, O (FOR AUTOMATIC TRANSMISSION CASE)
main90301-06196×10iGDJ250,TRJ250..6FC; GDJ250..LHD..EUR;GDJ25#,TJA250..8FC..(ARL,GCC,GEN,RUS,SA)202401
35122BRING, O (FOR AUTOMATIC TRANSAXLE BREATHER TUBE UNION)
35125CTUBE, TRANSMISSION OIL FILLER, NO.1
35141BPLUG (FOR AUTOMATIC TRANSMISSION CASE)
35141GRING, O (FOR AUTOMATIC TRANSMISSION CASE)
35145CGASKET, TRANSAXLE CASE
35159GASKET, BRAKE DRUM
35168GASKET, AUTOMATIC TRANSMISSION OIL PAN
3516AINSULATOR, TRANSAXLE OIL PAN HEAT
35394MAGNET, OIL CLEANER (FOR TRANSMISSION)
35979BINSULATOR, TRANSMISSION, RH
36478ABRACKET, TRANSMISSION BREATHER
9094901C99
main90949-01C99
9155180612
main91551-80612
9155180816
main91551-80816
9161961245
main91619-61245
9161961250
main91619-61250
28 parts on this diagram · 4 diagrams in section