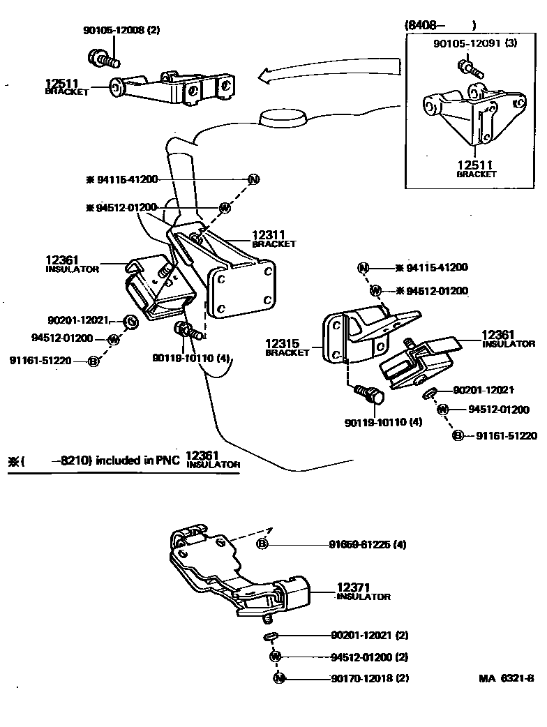
MOUNTING

12311BRACKET, ENGINE MOUNTING, FRONT NO.1 RH
W/COOLER
W/COOLER
W/COOLER
12315BRACKET, ENGINE MOUNTING, FRONT NO.1 LH
12361INSULATOR, ENGINE MOUNTING, FRONT
12371INSULATOR, ENGINE MOUNTING, REAR NO.1
12511BRACKET, ALTERNATOR, NO.1
*NSW
9010512008
main90105-12008
9010512091
main90105-12091
9011910110
main90119-10110
9017012018
main90170-12018
9020112021
main90201-12021
9116151220
main91161-51220
9165961225
main91659-61225
9411541200
main94115-41200
9451201200
main94512-01200
14 parts on this diagram · 4 diagrams in section