E
EPC Data

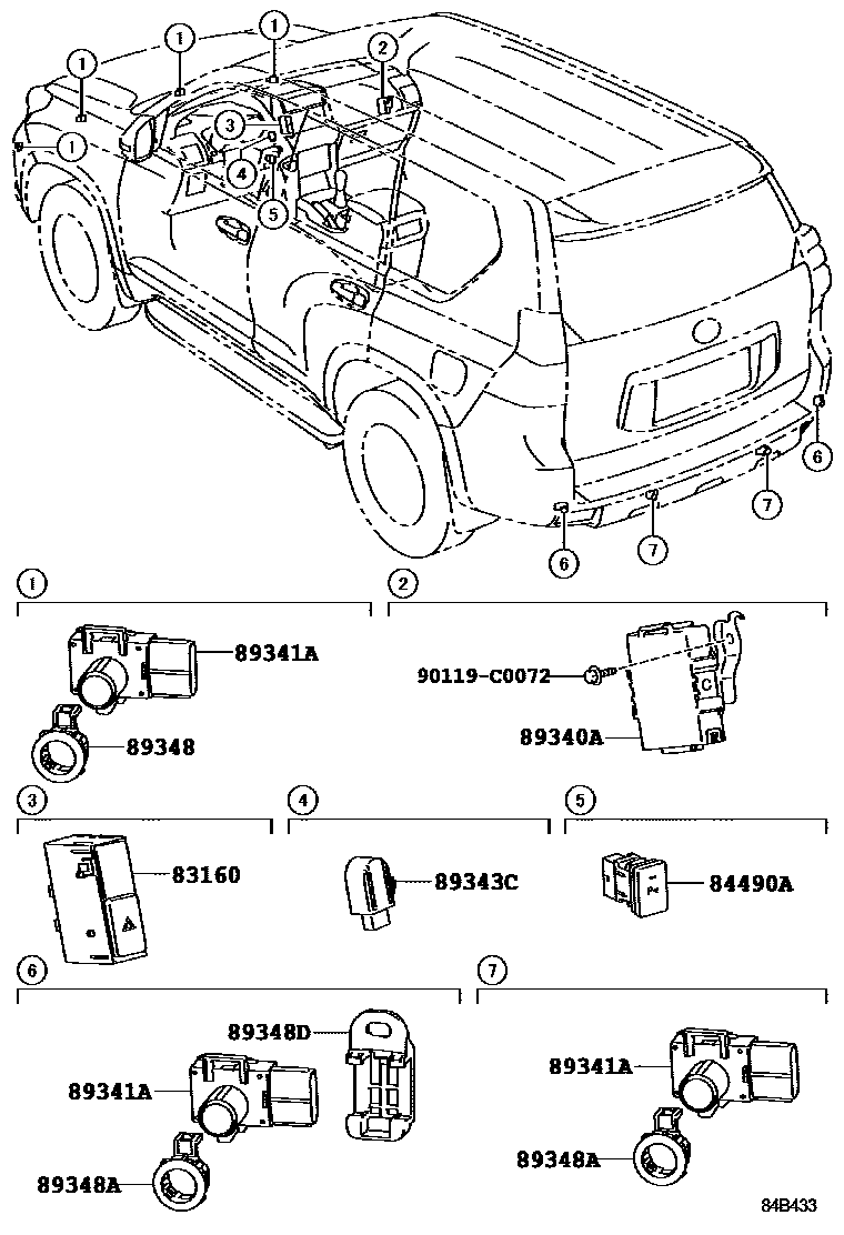
CLEARANCE & BACK SONAR

Parts diagram
83160INDICATOR ASSY, CLEARANCE WARNING
main83160-60030i201005-201311
TX-L PACKAGE
84490ASWITCH ASSY, BACK SONAR OR CLEARANCE SONAR
main84490-0G011i201503-201711
main84490-60050i201711-202006
TX-L PACKAGE
main84490-33020supersedes 84490-0G010i201005-201311
TX-L PACKAGE
89340ACOMPUTER ASSY, CLEARANCE WARNING
main89340-0G030i201311-201711
TX-L PACKAGE
main89340-0G040i201503-201711
REAR SEAT-SLIDEWALK-IN & 5:5 DOUBLE FLAT MANUAL
main89340-0G050i201711-201812
TX-L PACKAGE
main89340-0G051i201812-202006
TX-L PACKAGE
main89340-0G010i201209-201311
TX-L PACKAGE&AUDIO-HDD NAVIGATION & DVD-CHANGER & 14SPEAKER
main89340-0G020i201209-201311
TX-L PACKAGE
main89340-60030i201005-201208
TX-L PACKAGE&AUDIO-HDD NAVIGATION & DVD-CHANGER & 14SPEAKER
main89340-60040i201005-201208
TX-L PACKAGE
89341ASENSOR, ULTRASONIC, NO.1
main89341-0G010-A0×8i201711-202006
TX-L PACKAGE,SUPER WHITE 2,040
main89341-0G010-A1×8i201711-202006
TX-L NAVI PACKAGE&AUDIO-AVN & JBL & 14SPEAKER,WHITE PEARL CS.,070
main89341-0G010-B0×8i201711-202006
TX-L PACKAGE,SILVER ME.,1F7
main89341-0G010-C0×8i201711-202006
ATTITUDE BLACK MC.,218
main89341-0G010-E0×8i201711-202006
TX-L PACKAGE,VINTAGE BROWN PEARL CS.,4X4
main89341-0G010-G0×8i201711-202006
TX-L NAVI PACKAGE&AUDIO-AVN & JBL & 14SPEAKER,DK.GREEN MC.,6V4
main89341-33210-A0×8i201311-201711
TX-L PACKAGE,SUPER WHITE 2,040
main89341-33210-A1×4i201503-201711
REAR SEAT-SLIDEWALK-IN & 5:5 DOUBLE FLAT MANUAL,WHITE PEARL CS.,070
main89341-33210-B0×4i201503-201711
SILVER ME.,1F7
main89341-33210-C0×8i201503-201711
ATTITUDE BLACK MC.,218
main89341-33210-C1×8i201311-201408
BLACK,202
main89341-33210-E3×8i201311-201711
TX-L PACKAGE,BRONZE M.M.,4T3
main89341-33210-G1×4i201503-201711
REAR SEAT-SLIDEWALK-IN & 5:5 DOUBLE FLAT MANUAL,DK.GREEN MC.,6V4
main89341-48010-A3×8i201005-201207
TX-L PACKAGE&AUDIO-HDD NAVIGATION & DVD-CHANGER & 14SPEAKER,SUPER WHITE 2,040
main89341-48010-B2×8i201005-201207
TX-L PACKAGE&AUDIO-HDD NAVIGATION & DVD-CHANGER & 14SPEAKER,SILVER ME.,1F7
main89341-48010-B9×8i201005-201207
DK. STEEL MC.,1H2
main89341-48010-C2×8i201005-201207
TX-L PACKAGE&AUDIO-HDD NAVIGATION & DVD-CHANGER & 14SPEAKER,BLACK,202
main89341-48010-G2×8i201005-201207
TX-L PACKAGE,GREEN M.M.,6V2
main89341-60030-A0×8i201208-201311
TX-L PACKAGE&AUDIO-HDD NAVIGATION & DVD-CHANGER & 14SPEAKER,SUPER WHITE 2,040
main89341-60030-B0×8i201208-201311
TX-L PACKAGE&AUDIO-HDD NAVIGATION & DVD-CHANGER & 14SPEAKER,SILVER ME.,1F7
main89341-60030-B2×8i201208-201311
DK. STEEL MC.,1H2
main89341-60030-C0×8i201208-201311
BLACK,202
main89341-60030-G0×8i201208-201311
GREEN M.M.,6V2
89343CBUZZER, CLEARANCE WARNING, NO.1
main89343-02010i201711-202006
TX-L PACKAGE
main89343-0G010i201412-201711
TX-L PACKAGE
main89343-72010i201311-201411
TX-L PACKAGE
89348RETAINER, ULTRASONIC SENSOR, NO.1
main89348-33100-A0×4i201311-201711
TX-L PACKAGE,SUPER WHITE 2,040
main89348-33100-A1×4i201509-201711
WHITE PEARL CS.,070
main89348-33100-B0×4i201311-201711
TX-L PACKAGE,SILVER ME.,1F7
main89348-33100-C0×4i201503-201711
ATTITUDE BLACK MC.,218
main89348-33100-C4×4i201311-201408
BLACK,202
main89348-33100-E8×4i201311-201711
TX-L PACKAGE,BRONZE M.M.,4T3
main89348-33100-G1×4i201311-201711
TX-L PACKAGE,DK.GREEN MC.,6V4
main89348-71010-A0×4i201005-201311
TX-L PACKAGE&AUDIO-HDD NAVIGATION & DVD-CHANGER & 14SPEAKER,SUPER WHITE 2,040
main89348-71010-B5×4i201005-201311
TX-L PACKAGE&AUDIO-HDD NAVIGATION & DVD-CHANGER & 14SPEAKER,SILVER ME.,1F7
main89348-71010-B7×4i201005-201311
DK. STEEL MC.,1H2
main89348-71010-C0×4i201005-201311
BLACK,202
main89348-71010-G2×4i201005-201311
GREEN M.M.,6V2
89348ARETAINER, ULTRASONIC SENSOR, NO.2
main89348-33060-A0×4i201005-201311
TX-L PACKAGE&AUDIO-HDD NAVIGATION & DVD-CHANGER & 14SPEAKER,SUPER WHITE 2,040
main89348-33060-B4×4i201005-201311
TX-L PACKAGE&AUDIO-HDD NAVIGATION & DVD-CHANGER & 14SPEAKER,SILVER ME.,1F7
main89348-33060-C0×4i201005-201311
TX-L PACKAGE&AUDIO-HDD NAVIGATION & DVD-CHANGER & 14SPEAKER,BLACK,202
main89348-33060-G2×4i201005-201311
TX-L PACKAGE,GREEN M.M.,6V2
main89348-33060-P7×4i201005-201311
DK. STEEL MC.,1H2
main89348-33100-A0×4i201311-201711
TX-L PACKAGE,SUPER WHITE 2,040
main89348-33100-A1×4i201503-201711
REAR SEAT-SLIDEWALK-IN & 5:5 DOUBLE FLAT MANUAL,WHITE PEARL CS.,070
main89348-33100-B0×4i201311-201711
TX-L PACKAGE,SILVER ME.,1F7
main89348-33100-C0×4i201503-201711
ATTITUDE BLACK MC.,218
main89348-33100-C4×4i201311-201408
BLACK,202
main89348-33100-E8×4i201311-201711
TX-L PACKAGE,BRONZE M.M.,4T3
main89348-33100-G1×4i201311-201711
TX-L PACKAGE,DK.GREEN MC.,6V4
89348DCLIP, ULTRASONIC SENSOR
main89348-33090×2i201005-201311
TX-L PACKAGE
main89348-33190×2i201711-202006
TX-L PACKAGE
90119C0072

9 parts on this diagram · 3 diagrams in section

CLEARANCE & BACK SONAR — Toyota Parts Diagram with OEM Numbers & Prices | EPC Data