E
EPC Data

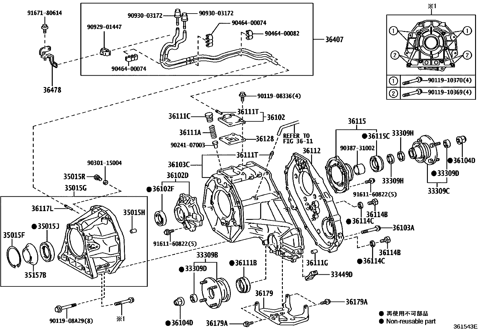
TRANSFER CASE & EXTENSION HOUSING

Parts diagram
33309BFLANGE SUB-ASSY, OUTPUT SHAFT COMPANION
main33309-35111i201005-201311
main33309-35112i201411-201509
main33309-35113i201905-202006
33309CFLANGE SUB-ASSY, OUTPUT SHAFT COMPANION
main33309-35120i201005-201311
main33309-71030i201711-202006
33309DSEAL, OIL(FOR TRANSFER OUTPUT SHAFT COMPANION FLANGE)
main90312-23001×2i201005-201311
33309HWASHER, TRANSFER OUTPUT SHAFT
main36275-35030×2i201311-201711
N=31,OD=38
main36275-71010×2i201711-202006
T=0.8
33449DMAGNET (FOR TRANSFER CASE)
main33449-32020i201311-201509
35015FRING, HOLE SNAP(FOR TRANSFER ADAPTER)
main90521-72001i201005-201311
35015GADAPTER, TRANSFER, REAR
main35015-35080i201503-201509
main35015-35120i201005-201311
main35015-71030i201509-201711
35015HPIN, RING(FOR TRANSFER CASE)
main90250-11003×2i201005-201311
35015JSEAL, OIL(FOR TRANSFER CASE ADAPTER REAR)
main90311-43007i201311-201509
35015RPLUG, W/HEAD STRAIGHT SCREW(FOR TRANSMISSION CASE ADAPTER)
main90341-18059i201005-201311
35157BRECEIVER, TRANSFER CASE REAR ADAPTER OIL
main35157-60010i201005-201311
36102COVER SUB-ASSY, TRANSFER CASE
main36102-35040i201005-201311
36102DRETAINER SUB-ASSY, TRANSFER RH BEARING
main36102-35060i201005-201311
36102FSEAL, OIL, NO.2 (FOR TRANSFER RH BEARING RETAINER)
main90311-43008i201005-201311
36103ABOLT (FOR TRANSFER CASE)
main90119-08A28×12i201005-201311
*8-1.25PX55-30
36103CCASE, TRANSFER, FRONT
main36103-35060i201711-202006
main36103-35070i201005-201311
36104DNUT (FOR TRANSFER OUTPUT SHAFT)
main90179-22016×2i201005-201311
main90179-24011i201711-202006
NO.2
3611
36111ASPRING, COMPRESSION (FOR TRANSFER CASE)
main90501-20091i201005-201311
36111BSEAL, OIL (FOR TRANSFER CASE)
main90311-41013i201311-201411
main90311-41017i201411-201711
36111CPLUG (FOR TRANSFER CASE)
main90341-14012i201005-201311
36111GPIN, STRAIGHT (FOR TRANSFER CASE)
main90250-10214×2i201005-201311
L=14,OD=10
36111TTUBE (FOR TRANSFER CASE)
main90441-05001×2i201005-201311
36112CASE, TRANSFER, REAR
main36112-35090i201005-201311
main36112-71010i201711-202006
36114BPLUG, NO.1 (FOR TRANSFER CASE)
main90341-18006×2i201005-201311
36114CGASKET, NO.1 (FOR TRANSFER CASE)
main90430-18008×2i201005-201311
36115HOUSING, TRANSFER EXTENSION
main36105-35050i201005-201311
main36105-71010i201711-202006
36115CSEAL, TYPE T OIL (FOR TRANSFER EXTENSION HOUSING)
main90311-41007i201311-201711
main90311-45034i201711-202006
36117ADAPTER, TRANSFER
main36107-60080i201503-201509
36117LTUBE(FOR TRANSFER ADAPTER)
main90441-05001i201005-201311
36128DEFLECTOR, BREATHER OIL
main36128-35060i201005-201311
36179PROTECTOR, TRANSFER CASE LOWER
main36179-0G010i201005-201311
36179ABOLT (FOR TRANSFER CASE LOWER PROTECTOR)
main91611-G0820×4i201005-201311
36407HOSE SUB-ASSY, TRANSFER BREATHER
main36407-0G010i201005-201311
main36407-0G020i201509-201711
main36407-0G030i201509-201711
main36407-0G040i201711-202006
main36407-60260i201503-201711
main36407-60270i201503-201509
36478BRACKET, TRANSFER BREATHER
main36478-0G030i201711-202006
main36478-60060i201005-201311
9011908336
9011908A29
9011910369
9011910370
9024107003
9030115004
9038731002
9046400074
9046400082
9092901447
9093003172
9161160822
9167180614

48 parts on this diagram · 6 diagrams in section

TRANSFER CASE & EXTENSION HOUSING — Toyota Parts Diagram with OEM Numbers & Prices | EPC Data