E
EPC Data

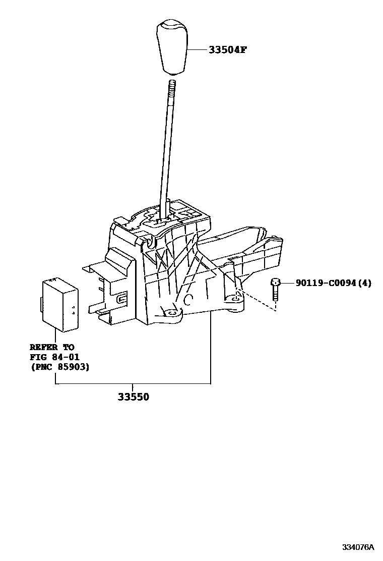
SHIFT LEVER & RETAINER

Parts diagram
33504FKNOB SUB-ASSY, SHIFT LEVER
main33504-0G010-E1i201005-201207
BLACK & DK.BROWN,TRIM0#
main33504-0G011-E1i201208-201311
BLACK & DK.BROWN,TRIM0#
main33504-0G020-E0i201005-201207
BROWN & DK.BROWN,TRIM0#
main33504-0G021-E0i201208-201311
BROWN & DK.BROWN,TRIM0#
main33504-0G030-C1i201503-201711
BLACK,TRIM2#
main33504-0G030-E1i201503-201711
ORCHID BROWN,TRIM0#
main33504-0G040-C0i201311-201711
BLACK,TRIM2#
main33504-0G040-E0i201311-201711
ORCHID BROWN,TRIM0#
main33504-0G060-C0i201711-202006
BLACK,TRIM2#
main33504-0G060-E0i201711-202006
ORCHID BROWN,TRIM4#
main33504-20120-C0i201503-201711
BLACK,TRIM2#
main33504-20120-E5i201503-201711
ORCHID BROWN,TRIM0#
main33504-0G050-C0i201711-202006
STD SFT PKB URETHANE,BLACK,TRIM2#
main33504-0G050-E0i201711-202006
STD SFT PKB URETHANE,ORCHID BROWN,TRIM4#
33550FLOOR SHIFT ASSY, TRANSMISSION
main33550-0G010i201311-201711
main33550-0G020i201711-202006
main33550-60A10i201503-201509
8401
90119C0094

4 parts on this diagram · 7 diagrams in section

SHIFT LEVER & RETAINER — Toyota Parts Diagram with OEM Numbers & Prices | EPC Data