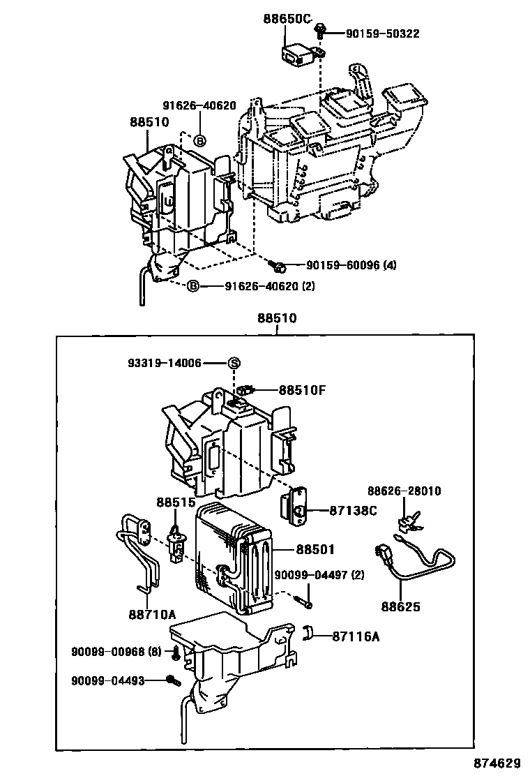
HEATING & AIR CONDITIONING - COOLER UNIT

87116ASPRING, HOLDING (FOR COOLER UNIT CASE)
87138CRESISTOR, BLOWER
88501EVAPORATOR SUB-ASSY, COOLER, NO.1
88510UNIT ASSY, COOLER
W(AUTO AIR CONDITIONER) OR W(PUSH TYPE MANUAL AIR CONDITIONER)
88510FHOLDER, FUSE
88515VALVE, COOLER EXPANSION
88625THERMISTOR, COOLER, NO.1
88650AMPLIFIER ASSY, COOLER STABILIZER
W(AUTO AIR CONDITIONER)
W(PUSH TYPE MANUAL AIR CONDITIONER)
88650CAMPLIFIER SUB-ASSY, AIRCONDITIONER
88710ATUBE ASSY, AIR CONDITIONER
8862628010CASE, BLOWER DRIVE SHAFT BEARING
main88626-28010
9009900968
main90099-00968
9009904493
main90099-04493
9009904497
main90099-04497
9015950322
main90159-50322
9015960096
main90159-60096
9162640620
main91626-40620
9331914006
main93319-14006
18 parts on this diagram · 3 diagrams in section