E
EPC Data

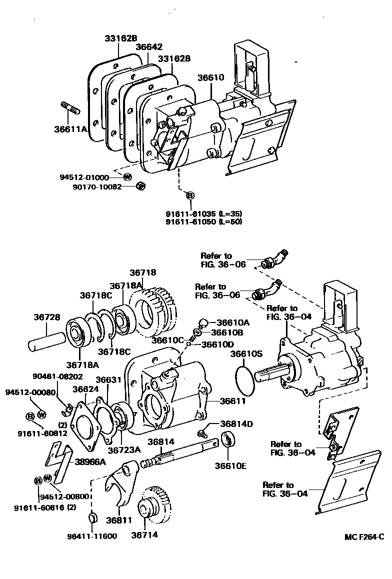
POWER TAKE-OFF CASE & GEAR

Parts diagram
33162BGASKET, POWER TAKE-OFF COVER
main33162-96300i198808-199505
3604
3606
36610POWER TAKE-OFF ASSY
main36610-36140i199210-199505
main36610-93108i198808-199505
main36610-96315i198808-198910
main36610-96321i198910-199210
36610ABOLT, LOCK BALL (FOR POWER TAKE-OFF)
main90103-12002i198808-199505
main90341-10004i198808-199505
36610BGASKET, SEAT (FOR POWER TAKE-OFF)
main90430-12001i198808-199505
T=0.5,T=0.5
main90430-12006i198808-199505
T=1,T=1.0
36610CSPRING, GEAR SHIFT FORK LOCK BALL (FOR POWER TAKE-OFF)
main90501-09073i198808-199505
main90501-14056i198808-199505
36610DBALL, GEAR SHIFT FORK LOCK (FOR POWER TAKE-OFF)
main90360-08009i198808-199505
main90360-10001i198808-199505
36610ESEAL, OIL (FOR POWER TAKE-OFF)
main90311-16001i198808-199505
main90311-22004i198808-199505
36610SRING, O (FOR POWER TAKE-OFF)
main96711-31055i198808-199505
36611CASE, POWER TAKE-OFF
main36611-93106i198808-199505
main36611-96305i198808-199505
36611ABOLT, STUD (FOR POWER TAKE-OFF CASE)
main90116-10103i198808-199505
36624CAP, POWER TAKE-OFF BEARING
main36624-36010i198808-199505
36631GASKET, POWER TAKE-OFF BEARING RETAINER
main36631-96300i198808-199505
main36632-93200i198808-199505
36642SPACER, POWER TAKE-OFF COVER
36714GEAR, POWER TAKE-OFF OUTPUT
main36714-93101i198808-199505
main36714-96302i198808-199505
36718GEAR, POWER TAKE-OFF IDLER
main36718-93107i198808-199505
main36718-96304i198808-199505
36718ABEARING(FOR POWER TAKE-OFF IDLER GEAR FRONT)
main90366-22001i198808-199505
main97103-06304i198808-199505
36718CRING, HOLE SNAP(FOR POWER TAKE-OFF IDLER GEAR)
main90521-56002i198808-199505
main90521-56108i198808-199505
36723SHAFT, POWER TAKE-OFF OUTPUT, NO.1
main36723-93101i198808-199505
36723ABEARING (FOR OUTPUT SHAFT FRONT)
main90363-25001i198808-199505
main97103-06304i198808-199505
36728SHAFT, POWER TAKE-OFF IDLER
main36728-93101i198808-199505
main36728-96300i198808-199505
36811FORK, POWR TAKE-OFF SHIFT, NO.1
main36811-93101i198808-199505
main36811-96300i198808-199505
36814SHAFT, POWR TAKE-OFF FORK, NO.1
main36814-93110i198808-199505
main36814-96303i198808-199505
36814DBOLT, SERRATION (FOR POWER TAKE-OFF SHAFT)
main90114-08025i198808-199505
38966ABRACKET, CABLE CLAMP, NO.6
main38966-96301i198808-199505
9017010082
9046108202
9161160812
9161160816
9161161035
9161161050
9451200080
9451200800
9451201000
9641111600

36 parts on this diagram · 2 diagrams in section

POWER TAKE-OFF CASE & GEAR — Toyota Parts Diagram with OEM Numbers & Prices | EPC Data