E
EPC Data

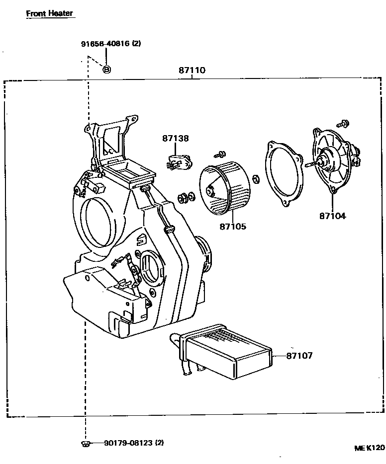
HEATING & AIR CONDITIONING - HEATER UNIT & BLOWER

Parts diagram
87104MOTOR SUB-ASSY, HEATER BLOWER
main87104-87003i198708-198808
RR HEATER
main87104-95404i198708-198808
FR HEATER; FR HEATER OR BOOST VENTILATOR
main87104-95405i198708-198808
FR HEATER,CHINA SPEC
87105FAN SUB-ASSY, HEATER BLOWER
main87105-12060i198708-198808
FR HEATER OR BOOST VENTILATOR
main87105-16020i198708-198808
FR HEATER; FR HEATER OR BOOST VENTILATOR
main87105-87002i198708-198808
RR HEATER
87107UNIT SUB-ASSY, HEATER RADIATOR
main87107-60100i198708-198808
CHINA SPEC & W(RR HEATER)
main87107-95406i198708-198808
FR HEATER
main87107-95407i198708-198808
FR HEATER,W(HEAVY DUTY HEATER)
main87107-95408i198708-198808
FR HEATER,CHAINA SPEC & W(NORTHEN EUROPE HEATER); FR HEATER,W(NORTHEN EUROPE HEATER)
87110HEATER ASSY
main87110-95436i198708-198808
FR HEATER
main87110-95437i198708-198808
FR HEATER
main87110-95439i198708-198808
FR HEATER
main87110-95440i198708-198808
FR HEATER
main87110-95441i198708-198808
FR HEATER,CHINA SPEC
main87110-95442i198708-198808
FR HEATER,W(HEAVY DUTY HEATER)
main87110-95443i198708-198808
FR HEATER,CHINA SPEC & W(HEAVY DUTY HEATER)
main87110-95445i198708-198808
FR HEATER,W(HEAVY DUTY HEATER)
main87110-95446i198708-198808
FR HEATER,CHINA SPEC & W(NORTHERN EUROPE HEATER)
main87110-95448i198708-198808
RR HEATER
main87110-95450i198708-198808
FR HEATER,CHINA SPEC & W(NORTHERN EUROPE HEATER); FR HEATER,W(NORTHERN EUROPE HEATER)
main87110-95451i198708-198808
FR HEATER,W(HEAVY DUTY HEATER)
87138RESISTOR, HEATER BLOWER
main87138-95012i198708-198808
RR HEATER
main87138-95408i198708-198808
FR HEATER OR BOOST VENTILATOR
main87138-95409i198708-198808
FR HEATER; FR HEATER OR BOOST VENTILATOR
main87138-95410i198708-198808
main87138-95411i198708-198808
9017908123
9165640816

7 parts on this diagram · 3 diagrams in section

HEATING & AIR CONDITIONING - HEATER UNIT & BLOWER — Toyota Parts Diagram with OEM Numbers & Prices | EPC Data