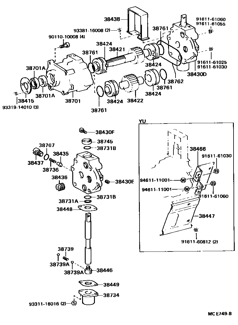
POWER TAKE-OFF OIL PUMP

38415COVER, POWER OIL PUMP SEAL
38421GEAR, POWER OIL PUMP DRIVE
38422GEAR, POWER OIL PUMP FOLLOW
38424BUSH, POWER OIL PUMP INNER
38430DVALVE ASSY, POWER CONTROL
38430EPLUG (FOR POWER CONTROL VALVE)
38430FBOLT, SERRATION (FOR OIL PUMP SHAFT)
38435VALVE, POWER CONTROL CHECK, NO.1
38436VALVE, POWER CONTROL CHECK, NO.2
38437PLUG, POWER CONTROL CHECK VALVE
38438COVER, VALVE CONTROL PLUNGER
38446STOPPER, POWER CONTROL DETENTION SPRING
38447INSULATOR, POWER CONTROL VALVE
38448HOLDER, POWER CONTROL PLUNGER COVER
38449GASKET, POWER CONTROL PLUNGER COVER
38466STAY, POWER OIL HOSE INSULATOR
38701BODY SUB-ASSY, OIL PUMP
38701ASEAL, OIL (FOR OIL PUMP BODY)
FR
RR
38731ARING, O (FOR PLUNGER NO.1)
38731BRING, O (FOR PLUNGER NO.2)
38734COVER, PLUNGER
38736SPRING, CHECK VALVE
38739SPRING, PLUNGER NEUTRAL INDICATING BALL
38739ABALL, PLUNGER NEUTRAL INDICATING
38745SEAL, OIL (FOR PUMP CONTROL VALVE PLUNGER)
38761RING, O (FOR OIL PUMP INNER BUSH)
38762RING, O (FOR OIL PUMP INNER BUSH)
38767RING, O (FOR CHECK VALVE SPRING)
9011010008
main90110-10008
9161160812
main91611-60812
9161161025
main91611-61025
9161161030
main91611-61030
9161161055
main91611-61055
9161161060
main91611-61060
9331116016
main93311-16016
9331914010
main93319-14010
9338116008
main93381-16008
9461111001
main94611-11001
38 parts on this diagram · 1 diagram in section