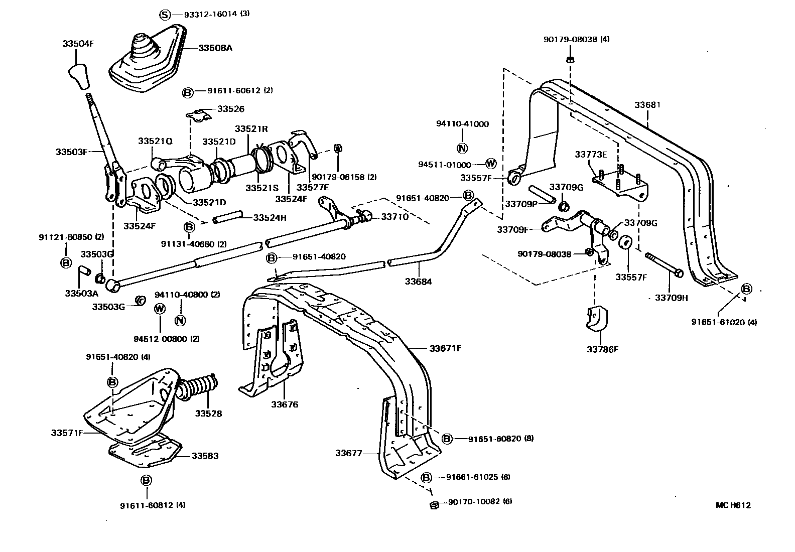
SHIFT LEVER & RETAINER

33503ACOLLAR(FOR SHIFT LEVER)
33503FLEVER SUB-ASSY, SHIFT(FOR FLOOR SHIFT)
33503GBUSH(FOR SHIFT LEVER)
33504FKNOB SUB-ASSY, SHIFT LEVER
BROWN,TRIM4#
BROWN,TRIM4#
SUPER SHIFT
33508ABOOT SUB-ASSY, DUST (FOR FLOOR 3HIFT)
33521DBUSH (FOR SHIFT LEVER HOUSING)
33521QHOUSING, SHIFT LEVER (FOR FLOOR SHIFT)
33521RCOLLAR (FOR SHIFT LEVER HOUSING)
33521SSPRING (FOR SHIFT LEVER HOUSING)
33524FBRACKET, CONTROL LEVER HOUSING SUPPORT (FOR FLOOR SHIFT)
33524HCOLLER (FOR CONTROL LEVER HOUSING SUPPORT BRACKET)
33526PLATE, SHIFT LEVER SUPPORT, NO.1
33527EPLATE, SHIFT LEVER SUPPORT, NO.2
33528COVER, CONTROL SHAFT
33557FCOVER, CONTROL BELLCRANK DUST (FOR FLOOR SHIFT)
33571FBRACKET, CONTROL SHAFT, LOWER NO.2
33583BRACKET, CONTROL SHAFT, LOWER NO.2
33671FSUPPORT, CONTROL ROD, NO.1
33676SUPPORT, CONTROL ROD MEMBER, RH (FOR FLOOR SHIFT)
33677SUPPORT, CONTROL ROD MEMBER, LH (FOR FLOOR SHIFT)
33681MEMBER, CONTROL ROD, REAR
33684ROD, CONTROL MEMBER BRACE
RH; RH.
LH
33709FSHAFT SUB-ASSY, CROSS, NO.1 (FOR FLOOR SHIFT)
33709GBUSH (FOR CROSS SHAFT, NO.1
33709HBOLT, HEXAGON (FOR CROSS SHAFT)
33709PCOLLAR (FOR CROSS SHAFT)
33710ROD ASSY, GEAR SHIFTING, NO.1
33773ESUPPORT, CROSS SHAFT, NO.1
33786FINSULATOR, CROSS SHAFT LEVER HEAT, NO.2 (FOR FLOOR SHIFT)
9017010082
main90170-10082
9017906158
main90179-06158
9017908038
main90179-08038
9112160850
main91121-60850
9113140660
main91131-40660
9161160612
main91611-60612
9161160812
main91611-60812
9165140820
main91651-40820
9165160820
main91651-60820
9165161020
main91651-61020
9166161025
main91661-61025
9331216014
main93312-16014
9411040800
main94110-40800
9411041000
main94110-41000
9451101000
main94511-01000
9451200800
main94512-00800
45 parts on this diagram · 5 diagrams in section